Problem beim Pulldown??? Das Layout sieht ähnlich aus wie der Schaltplan... Leiterbahn direkt von Pin zu Pin geschliffen und dann auf einen gemeinsamen Pulldown auf Masse... mit der Variante 7,5k läuft der Controller, wird der Widerstand kleiner als 3,6k läuft der Controller nicht... wahrscheinlich ist der gemeinsame PullDown nicht die beste Lösung und direkt über die Pin´s zu fahren in Zukunft wohl auch zu unterlassen... Anregungen... FanOut---FanIn ??? Danke!
Hallo Horst, Hast Du das datenblatt gelesen? Du kannst nicht einen gemeinsamen widerstand nehmen, du must einen pro portpin nehmen, sonst hast du einen kurzschluss. Du brauchst einen widerstand nur als pull-down, kein pull-up. Also maximal 16 widerstände, wobei einige pins nicht nutzlich sind. Grüße Mark,
Die Lösung wäre wohl ein Umdenken der Logik, nicht Pull-down, sonder Pull-up ... beim Reset müssen L2, L3, L5 ... ein High-Signal liefern, wird der Eingang/Ausgang zu stark für den internen Pull-up belastet, dies ist wohl mit weniger als 3,6k der Fall, kann der Controller nicht richtig den Reset auslösen... würde es komplett mit einem Pull-up-Widerstand von 1k auf 5V versuchen... gruß
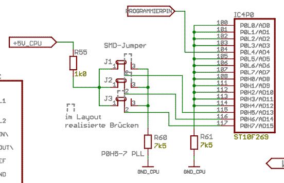
Hallo Ralf, Horst, Ich habe schon einige projekte mit denn ST10F168/ST10F268, etc gemacht. Vergiss die pull-ups, die sind im controller drin, nur wenn notwendig für settings einen pull-down an der pin. Aber jeder pin ein eigene pull-down widerstand. Clock Options, 3 widestände an P0H.7--P0H.5 Segm.Address Lines, 2 widerstände an P0H.4 und P0H.3 Chip select, 2 widerstände an P0H.2 und P0H.1 wr config, 1 widerstand an P0H.0 Bus Type, 2 widerstände an P0L.7 und P0L.6 Wenn Du denn ST10 aber Single Chip Mode benutzt kannst Du auch alle weglassen (nur die für denn clock option wurde ich machen) und direct nachdem reset die entsprechende register setzten, die mussen nur vor der EINIT instruction gesetzt werden. Wird bei Keil im start167.a66 file gemacht. zb. um denn Bootloader nach reset zu aktivieren soll D0/P0L.4 über einen maximal 8k2 widerstand auf masse gelegt werden. Siehe Bild. Grüße Mark,
Bitte melde dich an um einen Beitrag zu schreiben. Anmeldung ist kostenlos und dauert nur eine Minute.
Bestehender Account
Schon ein Account bei Google/GoogleMail? Keine Anmeldung erforderlich!
Mit Google-Account einloggen
Mit Google-Account einloggen
Noch kein Account? Hier anmelden.

