Hallo, Hat jemand eine Idee wie ich einen Sägezahn so im Frequenzbereich von 1-100Hz mit nem AVR erzeugen kann. Das Signal soll in den X-Eingang von einem Oszi eingespeist werden und zusammen mit einem gesteuertem Frequenzsignal einfaches Wobbeln ermöglichen. Danke Wolf
Hi R2R-DA-Wandler an einen Port bauen und diesen Port in der gewünschten Zeit binär hochzählen lassen. Für 8 Bit ist das durchaus machbar. Wenns besser werden soll brauchts aber einen richtigen DA-Wandler. Schaltplan: http://www.mikrocontroller.net/forum/read-1-3204.html#3245 Matthias
Hallo Wolf, schau mal hier unter Projekte: http://www.mikrocontroller.net/projects/dds/ Das könnte eventuell helfen. Gruß, Arno
Hi! Ein 4-fach OV reicht und du bist alle Sorgen los. Habe gerade selber sowas auf dem Steckbrett ,geht recht ordentlich. Mit AVR hast du das Probl.der Stufung, analog geht besser. Bei Bedarf mache ich mal einen Plan. MFG Uwe
Hallo Uwe, Das würde mich interessieren, ich vermute die Sägezahnerzeugung frißt mir zuviel Rechenzeit. Grüße Wolf
Hi! Ok. Mache ich halt mal einen Plan. Habe übrigens etwas geschwindelt, brauchst noch einen 4066 dazu und etwas Kleinkram. MFG Uwe
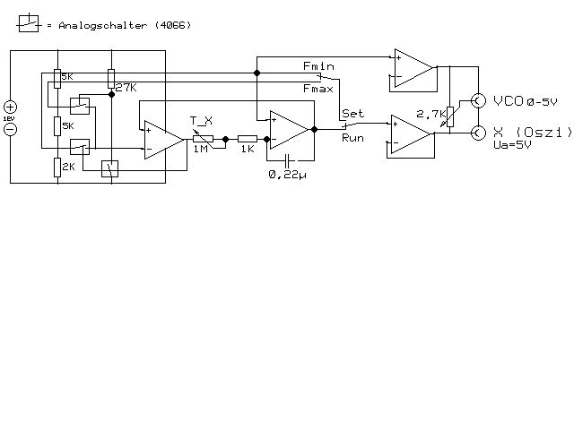
Hi! Habe es schnell mal gezeichnet->Anhang Erzeugt aber Dreieck, weil zum wobbeln besser geeignet. Den Spannungsregler habe ich allerdings vergessen. Die 12V müssen jedenfalls stabiel sein.(Schaltschwellen) Ach ja und als OV LM324 oder 2xLM358 Fet-OV's gehen nicht gut weil die untere Schaltschwelle nur 2V von GND weg ist. Der X-Ausgang bringt 5V. Wenn du also am Oszi(X) 0,5V einstellst, werden in X-Richtung 10 RE erzeugt. Wenn der eine Umschalter auf "SET" steht und der andere auf Fmin stellst du an deinem Generator die minimale gewünschte Frequenz ein. Danach schaltest du auf Fmax und stellst mit dem "VCO"-Poti die maximale ein.Wenn du jetzt auf RUN gehst ist ganz links Fmin und ganz rechts Fmax und jede RE entspricht Delta F / 10. zB.: DCF-Antenne Soll = 77,5kHz Fmin = 77kHz Fmax = 78kHz Der "Resonanzbuckel" muss dann genau in der Mitte des Bildschirms sein.(oder die Antenne ist daneben) Alles klar? Was ich gerade überlege, mit X-Eingang meinst du doch hoffentlich X-Eingang in XY-Mode und nicht etwar externes Triggern? - dann kannst du das alles vergessen. Nochwas! Du musst erstmal schauen in welchem Bereich dein Generator die "VCO-Spannung" linear verarbeitet,kann sein du musst dem VCO-Poti noch einen Vorwiderstand verpassen. MFG Uwe
Hi ist vielleicht etwas krank die Idee, könnte aber klappen. Einfach einen Pin laufend toggeln und diesen an die Versorgungsspannung eine OP-AMP hängen der als Integrator beschaltet ist. Gleichzeitig den Pin auch noch auf den Eingang des Integrators führen. Wenn also High dann wird der OP mit Strom versorgt und integriert das High Signal an seinem Eingang. Wenn LOW bekommt der OP keinen Saft und die Spannung flällt schnell wieder ab. (sollte das mit den 5 V und dem OP-AMP nicht klappen dann halt über den Pin einen Transistor schalten, der den OP-AMP dann versorgt) Alternativ: DA-Wandler G Gruß Tobi (der hofft das er für die Idee nicht gefressen wird)
Hallo Uwe, Ich denke das kann so funktionieren, ich werde es ausprobieren. Zu deinem Einwurf, könnte man denn mit externem Triggern einen ähnlichen Effekt erzielen? Bloß mal so ins Unreine: Ich setzte die Anfangsfrequenz vom DDS und erzeuge einen Triggerimpuls vom Atmel. Dann erhöhe ich die DDS Frequenz bis zum Ende des gewünschten Bereichs (wahrscheinlich sehr schnell ändern). Je nach X-Auflösung müßte ich doch auch den Verlauf z.b. eines Filters den ich zwischen DDS Ausgang und Y-Eingang einfüge, sehen? Grüße Wolf
Hi Ich mußte mal einen Sägezahngenerator bauen. Annähernd gleiches Prinzip wie oben. Du nimmst einen Doppel-OPV (z.B. LM358). Den einen verschaltest du zu einem Schmitttrigger und den anderen zu einem invertierenden Integrator. Dann das Ausganssignal des einen an den Eingang des Anderen... fertig. Wenn Du nun die Rückkopplung des Integrators aufsplittest in zwei Wege jeweils über ein Poti mit reihengeschalteter Diode (einmal Hin einmal Rückrichtung der Diode), kannst du über die Potis die Steilheit der einzelnen Sägezahnflanken festlegen. Ist jetzt etwas kompliziert beschrieben. Wenn Du möchtest, suche ich aber meinen Schaltplan raus und stelle den hier rein.
Hi Wolf-Ruediger! Was Marco meint, findest Du hier: http://www.e-technik1.uni-rostock.de/deutsch/edu/schalt2/dreieck.pdf http://www.physik3.gwdg.de/~wedekind/Praktika/Elektronikpraktikum/V134/v134/ Die anderen Vorschläge mit 4066 sind zu aufwändig. Google auch nach: sägezahngenerator+opv Mit dem AVR zeitbestimmt (Timer-Interrupt) einen Zähler (1Byte) hochzählen lassen und als PWM (hardware oder software) ausgeben. Über den Timer machst Du die Frequenz, bei 1Hz muss der Timer auf 1/256sec, bei 100Hz auf 1/25600sec gesetzt werden. Bei jeden Timer-Überlauf die PWM hochzählen und ins PWM-Register ausgeben, PWM-Überlauf von 255 auf 0 macht automatisch die fallende Flanke Deines Sägezahn. PWM-Frequenz möglichst hoch und Ausgang über Tiefpass (R-C) glätten. Rechenaufwändig ist das nicht, wenn Du den Interrupt und die Hardware-PWM verwendest, geht das nebenbei, wenn Du es softwaremäßig machst, mußt Du beachten, dass Dir andere Prozesse die Zeitschleifen nicht stören. Sven
Hi! >Zu deinem Einwurf, könnte man denn mit externem Triggern einen >ähnlichen Effekt erzielen? Naja, eigentlich schon. Wenn du die Ablenkzeit deines Oszis an die Integrationszeit des Generators angleichst geht das schon. Den Triggerimp. kannst du am 1.OV Ausgang abnehmen. Mit AVR also das selbe, Triggerimp. und dann mit der eingestellten Zeit deines Oszis (x 10 RE) die Freq. bis zum gewünschten Maxwert hochlaufen lassen. >Je nach X-Auflösung müßte ich doch auch den Verlauf z.b. eines >Filters den ich zwischen DDS Ausgang und Y-Eingang einfüge, sehen? Ja, aber du hast weiter das Probl. das du rechnen musst um festzustellen in welchem Freq-bereich du dich befindest. Übrigens Sägezahn ist durch Überbrücken des T_X-Potis mit einer Diode ganz leicht herzustellen. Je nach Einbaurichtung steigender oder fallender Sägezahn. @Sven >Die anderen Vorschläge mit 4066 sind zu aufwändig. Falsch! Bei den anderen Generatoren kannst du die Schaltpunkte nicht ausgeben.(für Setup aber ganz wichtig). MFG Uwe
Moin, Also nach allem was ich hier so gelesen habe werde ich die Variante mit der externen Triggerung durch den AVR probieren. Sie erscheint mir am wenigsten aufwendig. Danke Euch allen für die interessanten Vorschläge und Ideen, manches davon kann ich sicher auch für andere Projekte noch verwenden. Grüße Wolf
@Uwe >>Die anderen Vorschläge mit 4066 sind zu aufwändig. >Falsch! Bei den anderen Generatoren kannst du die Schaltpunkte nicht ausgeben.(für Setup aber ganz wichtig) Falsch! Die Aufgabenstellung war: "einfaches Wobbeln ermöglichen" Von Setup war da keine Rede. Aber für häufigere Benutzung ist Deine Schaltung sicher komfortabler. Oder eben eine AVR-Lösung. Und bei 255 Werten auf 10 DIVs verteilt mit ausreichendem Tiefpass sieht man da auch keine Stufen, würd ich meinen. Ein Setup ist natürlich mit dem AVR auch einfach möglich, man muß ja nur die PWM fest auf 0 oder 255 setzen, um Fmin und Fmax einstellen zu können. Eine einfache Lösung ist das auch nicht mehr, aber flexibel, und wenn er das so haben will... ;-) Sven
Bitte melde dich an um einen Beitrag zu schreiben. Anmeldung ist kostenlos und dauert nur eine Minute.
Bestehender Account
Schon ein Account bei Google/GoogleMail? Keine Anmeldung erforderlich!
Mit Google-Account einloggen
Mit Google-Account einloggen
Noch kein Account? Hier anmelden.
