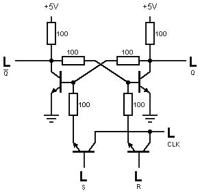
Hallo, also ich habe einen Tatktgesteuerten-FlipFlop gezeichnet. Die Frage ist nun, ob die Schaltung so funktionieren kann??? Laut dem Simulator, Java Circuit Simulaotr, funktioniert sie nicht korrent, denn wenn S oder R auf High ist, wo CLK low ist, dann will Strom durch den Emiiter zum Collektor und zu dem CLK, das low ist fließen. MfG
.....dann will (auch) Strom durch die Basis-Kollektor-Diode fließen, muß es heißen.
Über die Emitter-Diode kommt kein Strom rein, sie sperrt rückwärts.
Hallo, erstmal geht der gezeichnete Zustand garnicht, ein RS-FF kann so niemals an beiden Ausgängen L führen. Dazu müßten beide Transistoren ja durchgesteuert sein, also soviel Basisspannung haben, daß sie leitend sind. Wo soll die aber herkommen, wenn alles L ist??? Gesetzt wird es durch L an der jeweiligen Basis, weil denn der Transistor sperrt, sein Kollektor auf H geht und den anderen Transistor leitend steuert, dessen Kollektor geht auf L und damit ist der 2. stabile Zustand erreicht. Möglich ist noch beide Ausgänge auf H, wenn beide Basisanschlüsse (R und S also) auf L sind. Dazu kommt noch folgendes: wenn ich an eine Basis eines der unteren Transistoren H lege, fließt Basisstrom über dessen BE-Diode zur Basis des oberen Transistors, also H, das interessiert den nicht. Wenn L anliegt passiert garnichts. Der Pegel an CLK ist völlig ohne Bedeutung, weil er die Pegelverhältnisse am eigentlichen FF garnicht beeinflussen kann. Die Widerstände sind auch ungünstig gewählt, überlege Dir mal die Spannungsverhältnisse, die sich durch den Spannungsteiler ergeben und welche Spannungen an den Basisanschlüssen nötig sind. Grundlagen von Transistorschaltungen helfen da vermutlich mehr als ein Simulator... Gruß aus Berlin Michael
An Paulchen (Gast) : Hallo, aber warum holst Du dir nicht eine Schaltung aus dem Netz die funktioniert ? Du fragst zuerst das Forum ob diese Schaltung "so funktionieren" kann, dann berichtest Du das ein Simulator Dir aufzeigt das diese Schaltung nicht korrekt funktioniert. Die Antwort hat Dir der Simulator bereits gegeben. Also : - Was will man ? - Was hab ich ? - Geht das ? Zuerst diese Fragen sich selber beantworten und Quellensuche im Netz betreiben. Das Forum hat hier auch eine Ecke mit Grundlagen. Wunderbar alles beschrieben. Gruss, waybeach95
Das Prinzip des "getakteten Flip-Flops" ist eingehalten. Wie Dein Simulator die Bauteilwerte auswertet, weiß ich nicht, vielleicht stört er sich tatsächlich an der Durchgängigkeit der Maßzahl "100" (Ohm/Kiloohm/Megaohm=Maßeinheit), der niedrige "100"-Wert sollte es nicht sein, weil z.B. ECL-Bausteine grundsätzlich so niederohmig konstruiert sind.
Hallo, ah ja, ein Prinzip... Dann kannst Du mir ja sicher auch das Zustandekommen der oben angegebenen Pegel (alles ist L???) erklären... Damit die Ausgänge L sind müssen beide Transistoren leitend sein. Ich kenne keinen Transistor, der mit Basisspannung < ca. 0,7V leitend ist, Du etwa? Anschließend finden wir dann sicher auch die Funktionsweise der unteren Transistoren in dieser Schaltung heraus. Gruß aus Berlin Michael
Michael, in deinem zweiten Absatz sollten die beiden Basisanschlüsse der
Kippstufe nicht mit den Basisanschlüssen der Setzstufen gleichgesetzt
werden ("R und S also").
Hallo, habe ich auch nicht... Die Basen der Kippstufe können ihre Basisspannung in der Schaltung entweder von den gegenüberliegenden Kollektoren (also vom L-Pegel) oder vom Emitter (dann also als Emitterfolger bei CLK = H und R/S = H) bekommen, Da ist aber auch alles L. PS: habe einen Tippfehler oben korrigiert, muß natürlich < 0,7V heißen, nicht > 0,7V... Gruß aus Berlin Michael
Ein High an einem der 2 Eingänge ist wirkungslos, solange der (gemeinsame) Clock auf Low liegt, der Strom wird dorthin abgesaugt. Wird der Clock High, wird auch die entsprechende Emitter/Kollektor-Strecke niederohmig und kann steuern. Das Clocksignal ist ausschlaggebend für die Funktion. Aufpassen mit der abwechsenden Betrachtungsweise technische Stromrichtung/Symbolzeichen und physikalische Vorgänge.
Hallo, hmmm. da hast Du (fast?) recht? Eigentlich sollte man statt der R/S-Transistoren gleich je 2 Dioden nehmen. Bei Clock = L ist nur die leitende B/C-Diode entscheidend, die die Spannung bei R oder S = H begrenzt, bei Clock = H spielt der Transistor als solcher auch keine Rolle, weil jetzt die BE-Diode den Basisstrom von R oder S aus liefert. Vielleicht stirbt seine Simulation ja daran? Die Widerstandsverhältnisse würden dann auch passen, nehmen wir an, Q ist H, dann wird /Q auf L gehalten, weil der Spannungsteiler von Q den Basisstrom liefert. Mit CLK = H und S = H liegt jetzt eine Basisspannung an der /Q seite an und schaltet die auf L und damit Q auf H. Er sollte seine Simulation wohl wegwerfen? ;) Die R/S-Transistoren mal durch Dioden erstezen und simulieren? Gruß aus Berlin Michael
Dazu kommt noch folgendes: wenn ich an eine Basis eines der unteren Transistoren H lege, fließt Basisstrom über dessen BE-Diode zur Basis des oberen Transistors, also H, das interessiert den nicht. Wenn L anliegt passiert garnichts. Der Pegel an CLK ist völlig ohne Bedeutung, weil er die Pegelverhältnisse am eigentlichen FF garnicht beeinflussen kann. Es fließt ein Basisstrom über desen BE-Diode..... ja, stimmt, das ist aber noch lange kein H, das bleiben 0,7V. Stückchenweise kommen wir der Lösung nahe, es ist schon anstrengend, sich die Vorlesungen in Erinnerung zu bringen. Eigentlich warte ich darauf, daß HildeK auch was sagt.
Die Graue-Vorzeit-Bücher enthalten wahre Schätze, all die verschiedenen Logiken, RTL, DTL, TTL, ECL, alles Versuche von Umsetzungsmöglichkeiten und niemals ist "Mensch" damit zu frieden. Im höchst ausgereiftem Zustand schmeißt mans weg.
Die Spannung 0,7V ist doch nur einer von vielen Daumenwerten, um Bauteilen charakteristische Größen zu geben und von anderen zu unterscheiden. So ein Grobwert läßt Überschlagsrechnen leicht zu, Sicherheitszuschläge erschlagen den Rest.
Hallo,
>Es fließt ein Basisstrom über desen BE-Diode..... ja, stimmt, das ist
aber noch lange kein H, das bleiben 0,7V.
Genau. An der Basis des S-Transistors liegt H an, am Emitter also (H -
0,7V) (Flußspannung der BE-Diode). CLK ist H, damit über die BC-Diode
nichts abfließt. /Q ist H, also liegt jetzt an der Basis des /Q
Transitors genug Basisspannung an (Teiler 1:1, 100 Ohm von (H - 0,7V)
und 100 Ohm zu Q (also nahe GND (nur UCEsat).
Damit hat der /Q-Transistor jetzt Basisspannung und wird leitend.
/Q geht auf L, der Q-Transistor bekommt keine Basisspannung mehr und
sperrt, Q auf H.
Der Widerstand von Q zur Basis des /Q Transistors liefert den
Basisstrom, auch wenn das S-Signal wieder auf L geht und über die
BE-Diode des S-Transistors nichts mehr kommt.
Puuuuhhh... ;)
Mit CLK auf L passiert an S/R sowieso nichts, weil die BC-Diode den
Strom nach CLK ableitet.
Gruß aus Berlin
Michael
Moin, alsi die Schaltung ganz oben funktioniert elektronisch zwar so wie sie soll, aber schaltungstechnisch ist das eigentlich Müll weil die beiden RS transistoren eben nicht wie transistoren betrieben werden. Sinnvoller wäre m.E. 2 zusätzliche Dioden von der Basis der RStransistoren zum CLKpin. Außerdem gehören in die beiden Basis Leitungen zwingend Widerstände bevor die mit logischen Pegeln verdrahtet werden. Für die Simulationssoftware bedeutet ja jetzt ein Hpegel an R oder S bei gleichzeitigem Lpegel an CLK, daß durch die BCdiode 270000 A Strom fließen
Bitte melde dich an um einen Beitrag zu schreiben. Anmeldung ist kostenlos und dauert nur eine Minute.
Bestehender Account
Schon ein Account bei Google/GoogleMail? Keine Anmeldung erforderlich!
Mit Google-Account einloggen
Mit Google-Account einloggen
Noch kein Account? Hier anmelden.
