Hallo,
irgendwie schau ich es gerade nicht und warscheinlich hab ich mir meinen
µC schon zerschossen...
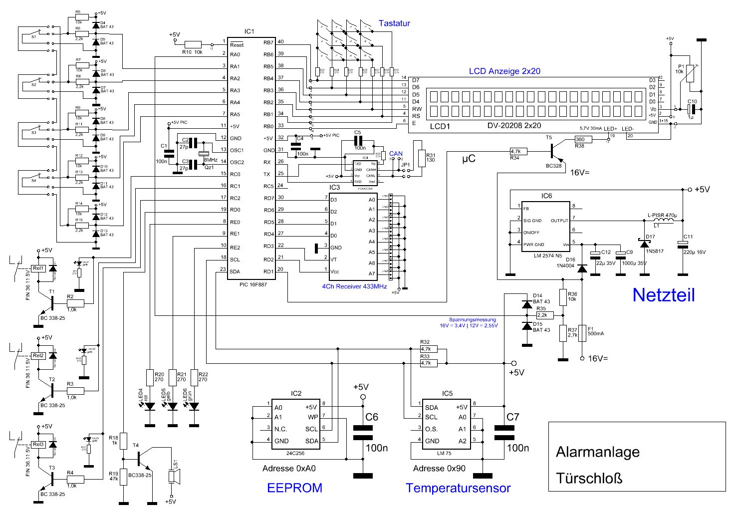
Ich habe mit angehängter Schaltung versucht die Hintergrundbeleuchtung
eines LCD zu schalten. Die HGB benötigt 5,7V bei 30mA. Da ich nur noch
einen Pin an meinem Pfostenstecker frei hatte wollte ich die positive
Spannung (16V=) über einen pnp-Transistor schalten. GND liegt ist am
LCD mit LCD- verbunden.
Nun lässt sich die HGB nicht über den µC schalten und ich kann mich
dunkel entsinnen, dass die 16V über die Basis am µC anliegen könnten.
Ist dem so?
Nun habe ich hier im Forum folgenden Schaltungsvorschlag gefunden:
Schalten gegen +12V
+12V o--------------+----------------------+
| |
| __ |< T2, PNP
+--|____|----+--------| BC557
R1,4K7 | |\
|/T1,NPN |
Vcc/+5V o--------------| BC547 |
|> |
_ | .-.
uC PIN o-----|___|------+ ( X )
R2,4K7 '-'
|
GND o----------o--------------------------+
Schnell nachgebaut, geht aber auch nicht. Ich habe nun an allen ICs eine
Versorgungsspannung von 6,6V anliegen :-( Ist diese Schaltung wirklich
richtig? Ich hätte ja den µC über den 4k7 an die Basis des NPN
angeschlossen und den Emitter des NPN auf GND gelegt. Warum macht man
das hier so? Ist meine Schaltung noch zu retten oder muss ich jetzt alle
ICs austauschen?
Sven
Sven Stefan wrote: > Ist dem so? Dem ist so. Und dabei sind nun bis zu ca. 2mA in den µC reingeflossen. Wenn die nicht permanent im µC selbst oder an anderen Kunden von Vcc einen Abnehmer gefunden haben, dann können der µC, das Display und was sonst noch die 5V kriegte aufgrund erheblicher Überspannung durchaus im Orkus sein. Wenn du Glück hast, dann hängt irgendwas an Vcc das garantiert immer einige mA frisst. Dann ist nichts passiert. > Nun habe ich hier im Forum folgenden Schaltungsvorschlag gefunden: Diese Schaltung kannst du ausprobieren, indem du den µC weglässt und den Anschluss testhalber an GND und an Vcc legst. > Schnell nachgebaut, geht aber auch nicht. Ich habe nun an allen ICs eine > Versorgungsspannung von 6,6V anliegen :-( Bischen schwer rumzuraten wenn man den Rest der Schaltung nicht kennt. Was passiert mit Vcc, wenn du R2 mal weglässt? Wenn dann auch 6,6V, dann sieht es bös aus. Wird irgendwas warm? Passt der Stromverbrauch?
Also mit der Schaltung kann ich dienen. Werd dann morgen mal dien LCD HGB Teil auslöten und schauen ob der Rest der Schaltung soweit noch funktioniert. Zumindest wird derzeit das LCD noch initialisiert. Der µC läuft also noch. Ich hätte halt erst mal gerne wieder normale Spannungen an den ICs. Wenn euch noch was einfällt wie man die +16V Volt schalten kann, dann immer her mit den Infos. Gruß Sven
Er wäre besser gewesen mit einem NPN-Transistor die LED- zu schalten. Mit deiner Schaltung muss der µC dem Basisstrom über dem Port aufnehmen, dann kann dieser dicke Backen bekommen.
So blöd schaut diese 2-Transistor-Schaltung eigentlich nicht aus. Vorausgesetzt man verwechselt nicht irgendwelche Pins.
Hm, ich versteh si ja (glaub ich) auch. Allerdings funktionierte sie im ersten Anlauf nicht. Hab eigentlich mehrmals überprüft, ob alles richtig angeschlossen ist. Es geht aber an der Stelle auch etwas eng auf der Platine zu. @Ralf> Ich hätte ja auch NPN genommen. Allerdings hätte ich dann zwei Leitungen auf meinem Pfostenstecker benötigt (einmal 16V hin und einmal zurück zum Transistor). Ich hab aber nur noch einen Pin frei auf dem Stecker. Deshalb hatte ich gedacht, das geschaltete Signal über die Buchse zum LCD zu schalten und das LCD- mit GND auf dem Display zu verbinden.
@Ralf das ist Blösinn, man kann mit nem NPN keine 16V schalten, wenn man an der Basis maximal 5V (also µC Vcc) zur Verfügung hat. Die zweite Schaltung, die Sven Stefan da oben gezeichnet hat ist genau richtig. Der µC muß NICHT den LEDstrom aufnehmen sondern nur den BASISstrom von T2 und den Strom durch die 4k7. Da die Basis von T1 auf Vcc liegt ist mit µC High alles stromlos und mit µC Low wird der T2 durchgesteuert und macht Licht :-)
andere Möglichkeit nach Schaltung.GIF: WENN LED+ und LED- galvanisch getrennt vom Rest des LCDs sind, dann kannst LED+ an die 16Volt direkt anklemmen und zwischen LED- und GND den (NPN-) Transistor legen (arbeitet dann wie OpenCollectorTreiber). Den kannst dann wieder mit nem einzelnen Portpin ganz leicht über nen Vorwiderstand an der Basis steuern. Dabei gilt dann wieder µC high Licht is an und µC low Licht is aus.
Das ist sicher richtig, allerdings reichen dann die Pins auf meinem Wannenstecker nicht. Ich habe die gesamte Elektronik auf der Hauptplatine. Nur Display und Tastatur ist in den Deckel eingebaut und über einen 14-poligen Wannenstecker verbunden. Diesen Stecker benutze ich auch gleichzeitig als Programmierschnittstelle. Nun habe ich nur noch einen Pin frei über den ich die Hintergrundbeleuchtung schalten kann. Ich kann also nicht LED+ fest auf 16V legen und LED- schalten, da der Transistor auf der Hauptplatine sitzt. Ich müsste erst die 16V über einen Pin zum LCD bringen und dann LED- wieder zurück auf die Platine. Macht zwei Leitungen. Ich brauche eine Lösung, mit der ich LED+ über eine Leitung schalten kann. LED- ist am Display mit GND verbunden, so dass ich bei dieser Variante mit einer Leitung auskomme. Sven
aso, ja dann nimmst halt die Variante mit den 2 Transistoren oben, das funktioniert so. Der Kllektor von T2 kommt dann an Deinen freien pin und von da halt zum LCD. Brauchst aber eben 2 Transistoren, einen zum Schalten (T2) und einen zum Anpassen der Spannungen von 5V auf 16V (T1)
Ich hab hier im Forum noch diese Schaltung gefunden.
------| +12V
| |
.-. |
| | |
1K| | |
'-' |
| |<
o---| BDxxx
| |\
.-. |
| |
1K | |
'-' |
| ,---.
| | X |
4K7 |/ '---'
PIN -|___|--| BCnpn |
|> |
| |
| |
GND GND
Ich glaub die ist mir sympatischer. Warum kann ich nicht sagen. Ich
versteh aber auch nicht, warum man bei der anderen Schaltung die Basis
auf 5V legt und den Emitter schaltet. Ich werde es heute Abend wohl mal
mit dieser hier probieren.
Hallo, den oberen 1k kannst Du normalerweise weglassen, der Reststrom eines Si-Transistors ist klein genug, um den pnp nicht aufzusteuern, wenn der npn gesperrt ist. Den unteren 1k kannst Du bei Deinen angegeben 30mA Laststrom auf 4,7k...10k vergrößern, spart Strom. Ich mache sowas immer mit dieser Schaltung und hatte noch nie Probleme damit. Gruß aus Berlin Michael
stepp64 wrote: > versteh aber auch nicht, warum man bei der anderen Schaltung die Basis > auf 5V legt und den Emitter schaltet. Ist die am wenigsten verbreitete der 3 Transistor-Grundschaltungen, die Basisschaltung. Vorteil ist die wesentlich höhere Geschwindigkeit im Vergleich zur gesättigten Emitterschaltung in der anderen Version. Ist hier unwichtig, spielt aber beispielsweise bei einem Pegelwandler für ISP eine entscheidende Rolle.
Ich habe nun diese Schaltung probiert:
+16V -------|-----|
| |
.-. |
| | |
4K7| | |
'-' |
| |<
o---| BC328
| |\
.-. |
| | |
4K7 | | |
'-' |
| ,---. LCD+
| | X |
4K7 |/ '---' LCD-
PIN -|___|--| BC338 |
|> |
| |
| |
GND GND
Doch leider leuchtet das LCD immer, egal ob ich den Eingang (PIN) mit
+5V oder mit GND verbinde. Es leuchtet auch wenn der Eingang offen ist.
Auch ohne den oberen 4k7 leuchtet das Display. Der 328 scheint also
immer zu leiten. Hat noch einer eine Idee? Ich weis langsam nicht mehr
weiter...
Sven
>Auch ohne den oberen 4k7 leuchtet das Display.
das ist nicht verwunderlich... aber wenn Du den mittleren 4k7 entfernst,
dann muß die Beleuchtung aus sein, wenn sie dennoch leuchtet, dann ist
der 328 put oder falsch angeschlossen (es gibt da einige Philipstypen
die ein anderes pinout haben)
Na das kann ja wohl nicht wahr sein. Jetzt habe ich mal die BC328 auf meinem sprut Brenner8 verglichen wie die eingebaut sind. Und bei denen sind doch tatsächlich Emitter und Kollektor vertauscht. Laut Datenblatt von Reichelt ist die Belegung so (Drausfsicht): C B E ----- \___/ Im Brenner sind sie aber so eingebaut: E B C Und der geht ja! Ich hab mich natürlich ans Datenblatt gehalten und wahrscheinlich immer falsch eingelötet. Muss ich doch gleich noch mal probieren.
Es lag tatsächlich an den vertauschten Pins (Emitter - Kollektor). Auch die 338 sind verkehrt herum eingelötet gewesen. Die Datenblätter bei Reichelt sind also definitiv falsch, zumindest stimmen sie nicht mit den versendeten Transistoren überein. Schöner Mist. Und dafür hab ich hier nun stundenlang rumprobiert. @SoLaLa> Danke für den Tipp. Da wäre ich sicherlich nicht drauf gekommen...
büddeschön... bin ich selber bei so manchem Philips Fernseher auch schon drauf reingefallen :-(
Hi Mal ne dumme Frage: Warum eigentlich diese Schaltung. Ein npn-Transistor hätte doch gereicht. Oder? MfG Spess
Bitte melde dich an um einen Beitrag zu schreiben. Anmeldung ist kostenlos und dauert nur eine Minute.
Bestehender Account
Schon ein Account bei Google/GoogleMail? Keine Anmeldung erforderlich!
Mit Google-Account einloggen
Mit Google-Account einloggen
Noch kein Account? Hier anmelden.

