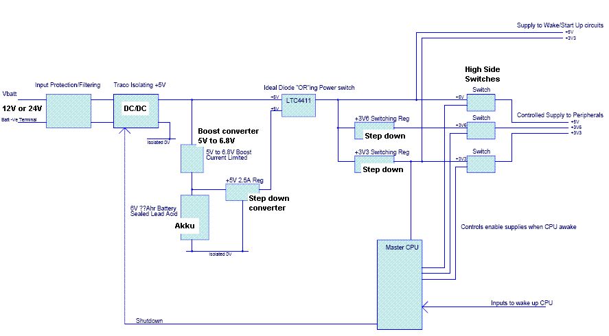
Hallo habe folgendes Problem: Ich soll fuer eine Automotive Anwendung mit einer Eingangsspannung von 12V / 24V ein Power Supply System mit Backup Batterie entwerfen. Primaer wird das Ganze vom Bordnetz versorgt. Sollte dieses ausfallen, so soll eine interne Backup Batterie die Schaltung weiter versorgen. Steht die Bordnetzversorgung wieder zur Verfuegung soll die interne Batterie geladen werden und die Schaltung versorgt werden. Die Schaltung mit all den ICs und Baugruppen braucht a) 5V mit relativ geringem Strom b) 3.6V mit hohem Strom (2A-3A) c) 3.3V mit hohen Strom (2A-3A) All diese Spannungen sollen schaltbar sein. Zusaetzlich brauche ich konstante (nicht schaltbare) 5V / 3.3V fuer ein wenig Logik, die nie ausgeschaltet werden soll. Wenn jemand Lust hat kann er sich ja mal das Design anschauen. Konstruktive Kritik ist jederzeit willkommen.
Die Stromversorgung lässt du einfach durch eine Hochleistungsdiode fließen. Wenn nämlich dein Bordnetz ausfällt kann sich die Backupbatterie, die du einfach direkt parallel an die Stromversorgung anschließt, nicht über das Bordnetzt entladen. Das ganze hat den Vorteil, dass es eine Unterbrechungsfreie Stromversorgung ist mit null Unterbrechungszeit. Vielleicht hilft es dir ja.
Wenn die Bausteine auch noch Automotive nach AECQ-100 qualifiziert sein sollten, gibt's bei TI noch ne gute Uebersicht ueber diese Produkte. http://focus.ti.com/apps/docs/appcategory.tsp?appId=209&DCMP=TIHomeTracking&HQS=Other+OT+home_a_auto
An deinem Layout gibts auf den ersten Blick nix zu meckern, welche Schaltregler willstn einsetzen ? Achja, ich bin kein Fan von Traco, gibt bessere Hersteller.
Ja KFZ-EMV-Richtlinie(2004/104/EG) wird relevant werden. Es handelt sich jedoch um eine Telematicanwendung und ich glaube gelesen zu habe das die Kategorie II ist, aber immerhin. Der Kunde ueberschreibt den Immunity Test schon mit Functional State A. Ich bin fuer jeden Tip dankbar...
Hi
>Achja, ich bin kein Fan von Traco, gibt bessere Hersteller.
Welche?
MfG Spess
Ach so habe noch eine Frage... Kann mich ganz schwach daran erinnern gelesen zu haben das man Schltregler nicht in Reihe schalten sollte... Koennte ich Probleme mit meiner Boost / Step down Anordnung bekommen? Danke wie gesagt immer fue Tips zu haben...
XP-Power, bei annährend gleichen schaltfreq. und Ausgangsleistungen zeigen die Wandler von XP bei gleichen Filtern bessere Störunterdrückung.
Zur Reihenschaltung von Schaltreglern, sei gesagt: - Die Wirkungsgrade der einzelnen Schaltregler multiplizieren sich - Sequenzielles Anfahren der Schaltregler - Auch zwischen den Reglern ein Filter einsetzen - Im Layout zeigt sich eine große gemeinsamme Masse für beide Regler als negativ, verbinde sie am Massepunkt des Elko´s oder Kerko´s im Zwischenkreis.
Bitte melde dich an um einen Beitrag zu schreiben. Anmeldung ist kostenlos und dauert nur eine Minute.
Bestehender Account
Schon ein Account bei Google/GoogleMail? Keine Anmeldung erforderlich!
Mit Google-Account einloggen
Mit Google-Account einloggen
Noch kein Account? Hier anmelden.
