Hi, ich habe ein kleines 12V Relais welches ich im Auto benutzen möchte. Und zwar soll es erst schalten wenn der Motor läuft. Dann ist die Spannung bei 14-14,5V. Ansonsten (bei stehendem Motor) knapp über 12V. Wie bekomme ich das am einfachsten hin? Hab es schon mit Widerstände oder Zenerdioden in Reihe probiert. Aber das funktioniert nicht sicher genug da die Spulenspannung dann ja gerade an der Grenze zum Anzug liegt. Kennt jemand ne relativ simple Schaltung? Andi
Mein Vorschlag wäre -->|-->¦--->|-- (also Quasi 3 400x dioden hintereinander, das entspricht einem Spannungsabfall von 2,1 V (3*0.7V)
>Mein Vorschlag wäre >-->|-->¦--->|-- >(also Quasi 3 400x dioden hintereinander, das entspricht einem >Spannungsabfall von 2,1 V (3*0.7V) Dann kommt er bei stehendem Motor auf ~10V was bei den meisten 12V-Relais schon zum Schalten ausreichend, auf jeden Fall jedoch knapp an der Grenze und absolut unsicher ist. Da muss schon eine vergleichende Schaltung hin die wirklich erst bei 14V eine Spannung ans Relais anlegt... Komparator wäre auch meine Wahl. Schöne Grüße, Alex
Das Relais schaltet schon ab 5Volt. Wie gesagt hatte ich es schon mit Zenerdioden in Reihe probiert, aber das ist mir zu unsicher. Besser wäre wenn die volle Spannung anliegt. Würd sowas nicht auch mit nem Transistor und Spannungsteiler an der Basis gehen? Hab nämlich gerade keinen Komparator zur Hand ;-) Andi
kannst auch einen opamp nehmen und als komparator schalten.
guude, so wie im Anhang z.B. Die ref der Z-Diode könnte nat. auch von etwas besserem kommen. guude ts
kurzer Nachtrag! Die Led baue ich immer ein, weil meine alten, hier rumliegenden OPAMPS, die ich zudem noch als Komparator mißbrauche, keine Rail to Rail Typen sind. Der Schalttransistor ist irgendein N-Kanaler Mosfet. ...alles wird gut ts
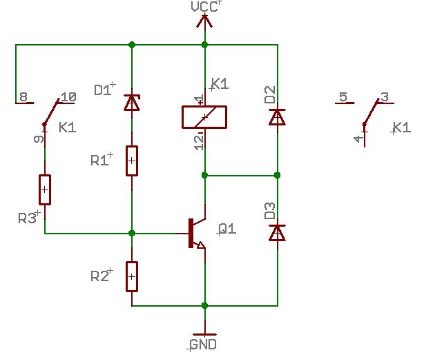
Du brauchst als erstes eine geregelte Referenzspannung für den Komparator. Nimm z.B. einen billigen +5.0V Festspannungsreger (LDO). Die 5V legst du an den Referenzeingang des Komparatos. Jetzt teilst du deine Batteriespannung über einen Widerstandsteiler (z.B. auch ein Poti) so runter, dass bei ca 13.5V eine Spannung von 5V entsteht (z.B. 27k gegen GND und 47k an Batt+) Diese Spannung legst du auf den anderen Eingang des Komparators. Hinter dem Komparator brauchst du natürlich noch einen ausreichend leistungsfähigen Treiber, der dein Relais anziehen kann (Transistor oder Mosfet), Schutzdiode nicht vergessen, damit das Relais beim Loslassen nicht deine Schaltung zerbläst.
@Tim konntest Du meine oben angegebene Schaltung nicht sehen, oder erklärst Du sie gerade? Wie Du siehst ist dort die Ref.-Spg. aus einer Z-Diode auf 7V gelegt, damit ich den anderen Spannungsteiler nicht erst berechnen muß, sondern einfach 1:1 mit zwei gleichen Widerständen erzeugen kann. Hinweis! Die Zeichnung auf einem Tablet gemacht, und kann gefahrlos mit jedem Broswer geöffnet werden. guude ts
greif einfach die spannung an der lichtmaschine vor dem gleichrichter ab ;) (ich geh jetzt mal davon aus, dass da keine gleichspannung rauskommt - also ein gleichrichter verbaut ist, vor dem du dann die spannung für dein relais abzwacken kannst - wenn da doch gs raus kommt muss ja trotzdem ne diode verbaut sein... und dann eben dementsprechend vor der!)
@klodeckel: nein, ich kann deine schaltung nicht sehen. a) weil ich meine antwort parallel dazu schrieb b) weil ".mht" entgegen deiner annahme kein standardformat für die darstellung im browser ist. (siehe screenshot) die idee eine z-diode zu nehmen finde ich auch gut, obwohl sich mir der "vorteil" von 2 gleichen widerständen nicht so ganz erschließt. ein komparaturpunkt etwas unter 14V dürfte auch kein fehler sein...
>weil ".mht" entgegen deiner annahme kein standardformat für die >darstellung im browser ist. Der IE kanns.
ah! geht doch. zu "der IE kanns" sag ich mal soviel: der "kann" auch so einiges mit deinem system... ;-) also: die schaltung ist prima. die 3 widerstände vor dem komparator würde ich hochohmiger dimensionieren (47k), um den stromverbrauch bei abgestelltem auto zu reduzieren. und zwischen die 2 widerstände noch nen trimpoti einfügen (z.B. 10k), dann kannst du den schaltpunkt einstellen. beim mosfet darauf achten, dass er den einschaltstrom (der höher ist als der dauerstrom bei angezogenem relais) verträgt. tim
Danke @ all. Ich werd das mal probieren. Eine Frage noch. Der Widerstand über der Z-Diode, wieviel Ohm sollen das sein? Schlecht zu erkennen. Andi
Hi, im Funkamateur 06/2004 war von DJ8ES eine komplette Bauanleitung, für das laden eines Zweitakkus nur bei laufenden Motor. Vielleicht hilft das weiter. Wigbert
Schaltungen theoretisch schön, aber bei Kfz ? Die Abschaltung der Zündung und anderer Induktivitäten erzeugt auch negative!! Impulse auf der Speisespannung, die dann z.B. einen "unerklärlichen" Transistortod Q1 zur Folge haben können.
Ja, das ist nun mal eine Skizze. Da darf ohne weiters einer eine Freilaufdiode oder ein Snubber-Netzwerk einbauen ;-) BTW: Da wäre ich mir gar nicht mal so sicher, dass der Transistor stirbt, denn es gibt keinen niederohmigen Pfad für eine negative Spannung. Der niederohmigste Pfad ist übder das Relais, und hier kann der Strom wegen der Induktivität nur langsam ansteigen.
1.Der letzte Transistor lebt nicht lange OHNE Schutzdiode wegen der Anschaltspannung des Relais! 2.Der letzte Transistor lebt nicht lange MIT Schutzdiode über dem Relais, da wenn die +12V kurzzeitig negativ sind (z.B. bei Abschaltung der Zündung)die Transistor-Strecke als "Z-Diode" wirkt und wegen Überlastung stirbt. Deshalb wäre weitere Diode von + nach Minus in Sperrichtung sehr nützlich, um diesen Fall zu verhindern.
>Der letzte Transistor lebt nicht lange OHNE Schutzdiode wegen der >Anschaltspannung des Relais! Oh doch, man glaubt nicht, wie lange der überlebt. Selber schon mal ausprobiert? >da wenn die +12V kurzzeitig negativ sind (z.B. bei Abschaltung >der Zündung)die Transistor-Strecke als "Z-Diode" wirkt und wegen >Überlastung stirbt. Schon vergessen: das Relais hat einen eingebauten Strombegrenzungswiderstand ;-) Also, um die aktuellen Erkenntnisse in das Schaltungsdesign einfliessen zu lassen, hier eine überarbeitete Version.
Wenn Du nur ein Relais anschließen willst, kannst Du Dir den Aufwand mit irgendwelchen elektronischen Schaltungen sparen. Voraussetzung ist, daß Dein Generator einen Klemme 61 oder Klemme L Anschluß hat (beides das gleiche, nur unterschiedliche Bezeichnungen). Darüber wird die Vorerregung des Generators vorgenommen. Heißt im Klartext: Bei Zündung ein liegt an diesem Anschluß Masse an. Wenn der Motor läuft und der Regler des Generators aktiv ist (also die Generatorspannung 13,8V beträgt), liegen hier 13,8V an. Also schließt Du eine Seite der Relaisspule an Masse an, die andere Seite an den Kl.61/Kl.L-Anschluß. Das macht man übrigens bei Campern so, die eine Zweitbatterie haben. Sofern Dein Relais nicht mehr als 180mA zieht, ist das kein Problem. Pech hast Du nur, wenn Dein Generator eine bidirektionale Schnittstelle hat. Dann geht diese Lösung nicht. Das ist aber nur bei ganz neuen und meistens auch nur Premiumfahrzeugen der Fall. Achte auch darauf, daß Du den richtigen Anschluß erwischst. Viele Generatoren haben auch noch einen DFM-Anschluß. Steht aber eigentlich drauf.
@ dr.boost Danke für den Tipp. Muß ich mal gucken ob es die Klemme gibt. Es geht um nen Golf V. Andi
Öhm, warum immer so umständlich? Radio ausbauen, die Ader suchen wo nur bei eingeschalteter Zündung Spannung anliegt, entsprechende Ader anzapfen, fertig. MfG
Bitte melde dich an um einen Beitrag zu schreiben. Anmeldung ist kostenlos und dauert nur eine Minute.
Bestehender Account
Schon ein Account bei Google/GoogleMail? Keine Anmeldung erforderlich!
Mit Google-Account einloggen
Mit Google-Account einloggen
Noch kein Account? Hier anmelden.





