Hallo sorry für die eher dumme frage, aber ich steh gerade ziemlich auf der leitung... folgendes problem: ich habe ein +12V PWM Signal (aus einem Steuergerät) das maximal 6A her gibt, damit muss ich einen Motor steuern der ca. 15A zieht (auch 12V) ob ich den Motor über + oder - steuere ist dabei ziemlich egal! ich weiss das ich nen Leistungstransistor, eine Diode und einen push down Widerstand brauche (und noch was?!), aber welche genau und wie das ganze geschalten werden soll.. keine ahnung :-( aja... frequenz steht leider nirgens! aber es ist auch für magnetventile geeignet, also sicher unter 100Hz wär echt dankbar über eine Beschreibung, Zeichnung oder andere Hilfe! mfg. Martin
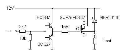
Werd mal versuchen, die Sache anzugehen. 15A ist natürlich schon 'ne Hausnummer, da muss man schon mit einem ordentlichen Halbleiter ran. Ich hab mal einen Power MOSFET SUP75P03-07 mit niedrigem Rdson vorgesehen, weil der bei 15A mit einem kleinen Kühlkörper auskommen sollte. Den bekommt man z.B. günstig bei Nessel: http://www.nessel-elektronik.de/POWER-FET/power-fet.html Wichtig ist bei der Ansteuerung, dass die Gate-Kapazitäten sehr schnell umgeladen werden, damit der 'halbleitende' Zustand mit riesigen Verlustleistungen schnell durchlaufen wird, daher die beiden BC Transistoren. Hab mal eine zusätzliche Schottky Diode zum Schutz mit drin, weil so ein Motor ordentliche Induktionsspannungen draufhat. Die PWM-Ansteuerung sollte natürlich sehr steilflankig sein, sonst nützt der gute BC-Treiber nix. Vielleicht könnte mal noch jemand einen Blick auf die Schaltung werfen.
@ BMK (Gast) >Wichtig ist bei der Ansteuerung, dass die Gate-Kapazitäten >sehr schnell umgeladen werden, Wohl wahr. > damit der 'halbleitende' >Zustand mit riesigen Verlustleistungen schnell durchlaufen >wird, daher die beiden BC Transistoren. Welche aber vortrefflich duch die 2k2 ausgebremst werden. Ein Emitterfolger brauch keinen, oder nur sehr kleinen Basiswiderstand! >Hab mal eine zusätzliche Schottky Diode zum Schutz mit drin, >weil so ein Motor ordentliche Induktionsspannungen draufhat. So wie sie eingezeichnet ist schützt sie nicht. Sie muss PARALLEL zur Last. MFG Falk
>vortrefflich duch die 2k2 ausgebremst werden.
Und den 10k Widerstand würde ich sinnvollerweise gegen 12V setzen. Somit
ist ohne Eingangssignal der FET aus.
Weiterhin ist das Symbol den FETs falsch. Das Gate ist immer gegenüber
vom Source.
Habs mal bearbeitet
@ Matthias Lipinsky (lippy)
>Habs mal bearbeitet
Die Freilaufdiode ist immer noch falsch.
MFG
Falk
>>Habs mal bearbeitet >Die Freilaufdiode ist immer noch falsch. Habs nochmal bearbeitet...
@ Matthias Lipinsky (lippy)
>Habs nochmal bearbeitet
Ist aber immer noch falsch. Die PWM ist jetzt invertiert ;-)
MFG
Falk
>Die PWM ist jetzt invertiert ;-)
Nein. Ist doch ein P-Fet.
Und um zu zeigen, dass das ganze Low-aktiv ist, hab ich das Bild am
EIngang gedreht.
Hallo Leute, bin gerade zurück. Danke für die Hilfe. Stimmt, ein Emitterfolger braucht keinen Basisvorwiderstand.... Irgendwie setze ich so ein Ding (fast) automatisch davor, um dem Transistor nicht weh zu tun, auch aus Peng-Erfahrung :-) Nunja, die Freilaufdiode ist mir verrutscht, jetzt ist sie da, wo sie hingehört. Was ich auch nicht beachtet hatte, dass der Ausgang gegenüber dem Eingang momentan invertiert ist. Das könnte man ja noch mit einer vorgelagerten Transi-Stufe umkehren, damit der Fred-Ersteller Martin keine Probleme mit seinem vorhandenen PWM-Signal bekommt.
@ Matthias Lipinsky (lippy) >>Die PWM ist jetzt invertiert ;-) >Nein. Ist doch ein P-Fet. >Und um zu zeigen, dass das ganze Low-aktiv ist, hab ich das Bild am >EIngang gedreht. Ist trotzdem invertiert. Der OP wollte ja einen Verstärker haben, und der sollte NICHTinvertierend sein. MFG Falk
Ok, habe jetzt auch nochmal gemalt und eine Stufe davor gesetzt, damit wir das Ganze nichtinvertierend haben. Ich hoffe, das geht auch so mit einem Transi. Den 1k wollte ich nicht kleiner machen, weil das sonst in Richtung Hochlastwiderstand geht. Müsste doch so reichen. Bitte nochmal schauen, wenn's recht ist.
>Welches Programm benutzt Ihr um diese Schaltungen zu malen ? Editiert hab ich es mit Paint ;-) >Ich hoffe, das geht auch so mit einem Transi. Ja. Das passt. Aber ich würde über den Basiswiderstand (10k) noch einen kleinen Kondensator (einige 100pf..nF) parallel schalten. Das eröht die Umschaltgeschwindigkeit.
Nunja, das ist ein über 10 Jahr alter Bildeditor 'Ieditor' Im Laufe der Jahre habe ich mir alle Bildchen 'zusammengepixelt' und kann sie nun von der Vorlage kopieren, verschieben, drehen usw. Striche dann mit dem Linientool, Texte mit dem Texttool usw. Ich weiss, es gibt mittlerweile Eagle usw. aber naja, die alten Gewohnheiten ... @lippy, danke für den Hinweis. Ich denke, dann können wir das Projekt soweit abschließen und der Fred-Ersteller soll schauen, ob er's gebrauchen kann.
Der Trasistor zum invertieren verlangsamt alles wieder--> besser noch n Totempole bauen- dann bleibts fix
>Der Trasistor zum invertieren verlangsamt alles wieder
Dehalb der TIp mit dem kleinen C über dem Basiswiderstand.
Und eine (Ge)Diode von C nach B kann man auch noch einbauen...
Bitte melde dich an um einen Beitrag zu schreiben. Anmeldung ist kostenlos und dauert nur eine Minute.
Bestehender Account
Schon ein Account bei Google/GoogleMail? Keine Anmeldung erforderlich!
Mit Google-Account einloggen
Mit Google-Account einloggen
Noch kein Account? Hier anmelden.



