Habe einen alten (etwa 30 Jahre) Oszi aus UdSSR-Fertigung repariert. Bei dem waren das Netzteil (die -10V-Schiene) und die x-Ablenkung defekt. Beides funktioniert jetzt. Komischerweise wird der Strahl entlang der y-Achse verzerrt, sobald man bestimmte Eingangsspannungen wählt. Der ist dann, je nach Einstellung, etwa zwei Einheiten hoch/dick, obwohl kein Signal am Eingang anliegt bzw. der Eingang mit Masse verbunden ist. Die Vorderseite des Oszi hat für die Eingangsspannung insgesamt sieben Schalter: 0,01V/div 0,02V/div 0,05V/div 0,1V/div 0,2V/div 0,5V/div 100x Von den ersten sechs ist immer nur einer gedrückt, die anderen springen dann automatisch raus. Mit dem 100x-Taster kann man die Spannung/Einheit verhundertfachen. Intern ist der Oszi so beschaltet, dass der erste Schalter sich mit dem vierten eine Leitung teilt. Der zweite mit dem fünften und der dritte mit dem sechsten Schalter. Solange einer der ersten drei Schalter gedrückt ist, wird eine weitere Leitung kurzgeschlossen, die offenbar die Spannung/Einheit durch zehn dividiert. Zusammengefasst tritt der Fehler also dann auf, wenn die Leitung für die zehnfache Division (durch die Schalter eins bis drei) kurzgeschlossen ist. Ich habe alle Schaltpläne da. Sie sind für einen Oszi ziemlich simpel. Wenn es hier Leute gibt, die sie anschauen könnten, werde ich ein paar Scans machen und reinstellen. Ach ja, wenn man den Strahl auf dem Schirm entlang der y-Achse verschiebt, ändert er seine Dicke. Für besseres Verständnis könnte ich auch noch ein paar Fotos machen.
Vielleicht... so fangen hier viele Sätze an, sind nicht alle Defekte im Netzteil beseitigt worden. Da die Eingangsabschwächung auf den selben Eingang wirkt, ist das schon komisch. Breiter Strich auf Dauer ist sonst der Focus, das scheidet wohl aus. Bedingtes Schwingen... im Moment fällt mir nichts ein. Mal auf Antworten warten von Spezis.
Hallo, hast du mal geschaut ob die Spannungen die das Netzteil erzeugt auch schön sauber sind? Also kein Brumm drauf usw? Das ist bei den älteren Geräten (auch bei Fernsehern z.B.) gerne der fall wenn die Elkos wegen Alterung austrocknen.
> Der ist dann, je nach Einstellung, etwa zwei Einheiten hoch/dick, > obwohl kein Signal am Eingang anliegt bzw. der Eingang mit Masse > verbunden ist. Ist es wirklich der Strahl, der dick ist? Oder erscheint er nur so, weil das Signal ein hochfrequentes Rauschen oder Schwingen enthält? Was passiert, wenn du eine schnelle x-Ablenkung einstellst und geeignet am Triggerlevel drehst? Löst sich der "dicke" Strahl dann in ein hochfrequentes Signal auf? Wenn nicht: Was passiert, wenn du eine langsame x-Ablenkung wählst, so dass du die x-Bewegung des Strahls erkennen kannst? Ist der Strahl dann auch in x-Richtung dicker (also ein dicker Punkt), oder erscheint er als vertikale Linie? > Zusammengefasst tritt der Fehler also dann auf, wenn die Leitung für > die zehnfache Division (durch die Schalter eins bis drei) > kurzgeschlossen ist. Und bei allen anderen y-Faktoren ist alles in Ordnung? Dann könnte es tatsächlich sein, dass der Eingangsverstärker schwingt. Wenn der Strahl hingegen in allen Messbereichen dick ist, könnte auch die Fokussierung arg verstellt oder defekt sein. Hat das Oszi mehrere Kanäle? Wenn ja: Tritt dieser Effekt auf allen Kanälen auf?
Welche defekten Teile hast Du ersetzt, im Netzteil.... x-Ablenkung.... plötzlicher Fehler oder Andeutungen vor dem Ausfall?
> Ist es wirklich der Strahl, der dick ist? Oder erscheint er nur so, > weil das Signal ein hochfrequentes Rauschen oder Schwingen enthält? Schwer zu sagen, scheint aber das Zweitere zu sein, weil die Stärke des Strahls variiert (Oberwellen?). Manchmal sind sogar zwei verschieden starke Abschnitte einer Linie zu sehen. Komischerweise steht der Übergang auf dem Schirm fast still. Entweder synchronisiert der Oszi das Signal oder der Fehler kommt irgendwo aus der x-Ablenkung. Alle Anzeichen deuten aber darauf hin, dass diese in Ordnung ist. > Was passiert, wenn du eine schnelle x-Ablenkung einstellst und > geeignet am Triggerlevel drehst? Löst sich der "dicke" Strahl dann in > ein hochfrequentes Signal auf? Nein. > Wenn nicht: Was passiert, wenn du eine > langsame x-Ablenkung wählst, so dass du die x-Bewegung des Strahls > erkennen kannst? Ist der Strahl dann auch in x-Richtung dicker (also > ein dicker Punkt), oder erscheint er als vertikale Linie? Vertikale Linie. Ist also nur entlang der y-Achse verwaschen. > Und bei allen anderen y-Faktoren ist alles in Ordnung? Da muss ich meine Beschribung etwas korrigieren: Die Stärke des Strahls wächst proportional mit dem gedrückten Schalter von unten. Ist der 6. Schalter gedrückt, dann ist der Strahl ganz dünn und sauber. Beim fünften wird er minimal breiter, ebenso beim vierten. Ab Schalter drei aufwärts wird die Linie dann extrem (über eine Einheit) dick. Der Fehler ist also auch bei den Schaltern vier bis sechs vorhanden, nur nicht so stark. Der x100-Schalter hat keine Auswirkung auf die Stärke der Linie, funktioniert auch ganz normal. > Dann könnte es tatsächlich sein, dass der Eingangsverstärker schwingt. > Wenn der Strahl hingegen in allen Messbereichen dick ist, könnte auch > die Fokussierung arg verstellt oder defekt sein. Die Fokusierung ist in Ordnung. > Hat das Oszi mehrere Kanäle? Wenn ja: Tritt dieser Effekt auf allen > Kanälen auf? Ne, der hat nur einen. Ich überprüfe, ob das Netzteil saubere Spannung liefert und lade dann den Schaltplan hoch. Danke soweit für euere Hilfe! >Welche defekten Teile hast Du ersetzt, im Netzteil.... x-Ablenkung.... >plötzlicher Fehler oder Andeutungen vor dem Ausfall? Im Netzteil waren es drei Transistoren und in der x-Ablenkung einer. Anzeichen gab es keine. Zuerst ist aus heiterem Himmel die x-Ablenkung kaputt gegangen. Das Netzteil dann bei der Reparatur, als ich versehentlich mit einem Poti aus dem Netzteilblock ans Gehäuse gekommen bin.
Gleich-Spannungen im Netzteil messen mit Digi im Wechselspannungsbereich ist ein Anhaltspunkt.... ich denke Du weißt das...
Wolf wrote: > Gleich-Spannungen im Netzteil messen mit Digi im Wechselspannungsbereich > ist ein Anhaltspunkt.... ich denke Du weißt das... Ja, zur Not habe ich noch einen anderen Oszi. ;)
Na dann schau doch mal was für ne Spannung auf den y-Ablenkplatten liegt. Wenn das andere Oszi dann auch nen dicken Strahl bekommt, ist klar das irgendwo HF im Eingangsverstärker ist.
> Wenn das andere Oszi dann auch nen dicken Strahl bekommt, ist klar > das irgendwo HF im Eingangsverstärker ist. Oder eben, wie Wolf geschrieben hat, im Netzteil, was naheliegend wäre, weil es defekt war und die Reperaturversuche möglicherweise nicht ganz erfolgreich waren. Aber das lässt sich ja mit dem zweiten Oszi leicht nachprüfen.
Ich halte mir ein HM 103-Schaltbild vor die Augen, so ganz anders wird der Russe auch nicht sein. Die Spannungen müssen schon sauber u. stabil sein.
Es ist eine minimale Schwingung zu sehen und zwar unabhängig von der
Spannung/Einheit. Habe die jetzt nachgemessen. Periodendauer ist 40ms.
Sind also 25 Hz, die Hälfte der Stromnetz-Frequenz. Ich mach mal das
Gehäuse wieder ab ...
> War es ein natürlicher Tod, 2 Fehler auf 1 mal.
Ne, hab weiter oben geschrieben, dass ich das Netzteil auf dem Gewissen
habe ... Die Ablenkung war aber zuerst kaputt.
Netzteil ist in Ordnung. Bei den 140V- und 240V-Schienen ist eine AC-Spannung von etwa 1,3V messbar. Die +-10V sind sauber, AC-Spannung unter 10mv. Hab die Ablenkspannung an der Röhre mit dem zweiten Oszi nachgemessen. Die dicke/breite Linie ist in wirklichkeit ein Wirrwar von mehreren Schwingungen. Die höchste Frequenz (die ich zumindest entdeckt habe) liegt bei etwa 20 MHz. Das alles ist mit einer Schwingung mit 25 Hz moduliert, die man auch im Bild sieht.
> Es gibt nur 1 Niederspannung, nicht mehrere?
GND, +10V, -10V, +140V, +240V, -1000V
Gemessen alles mit GND als Referenz.
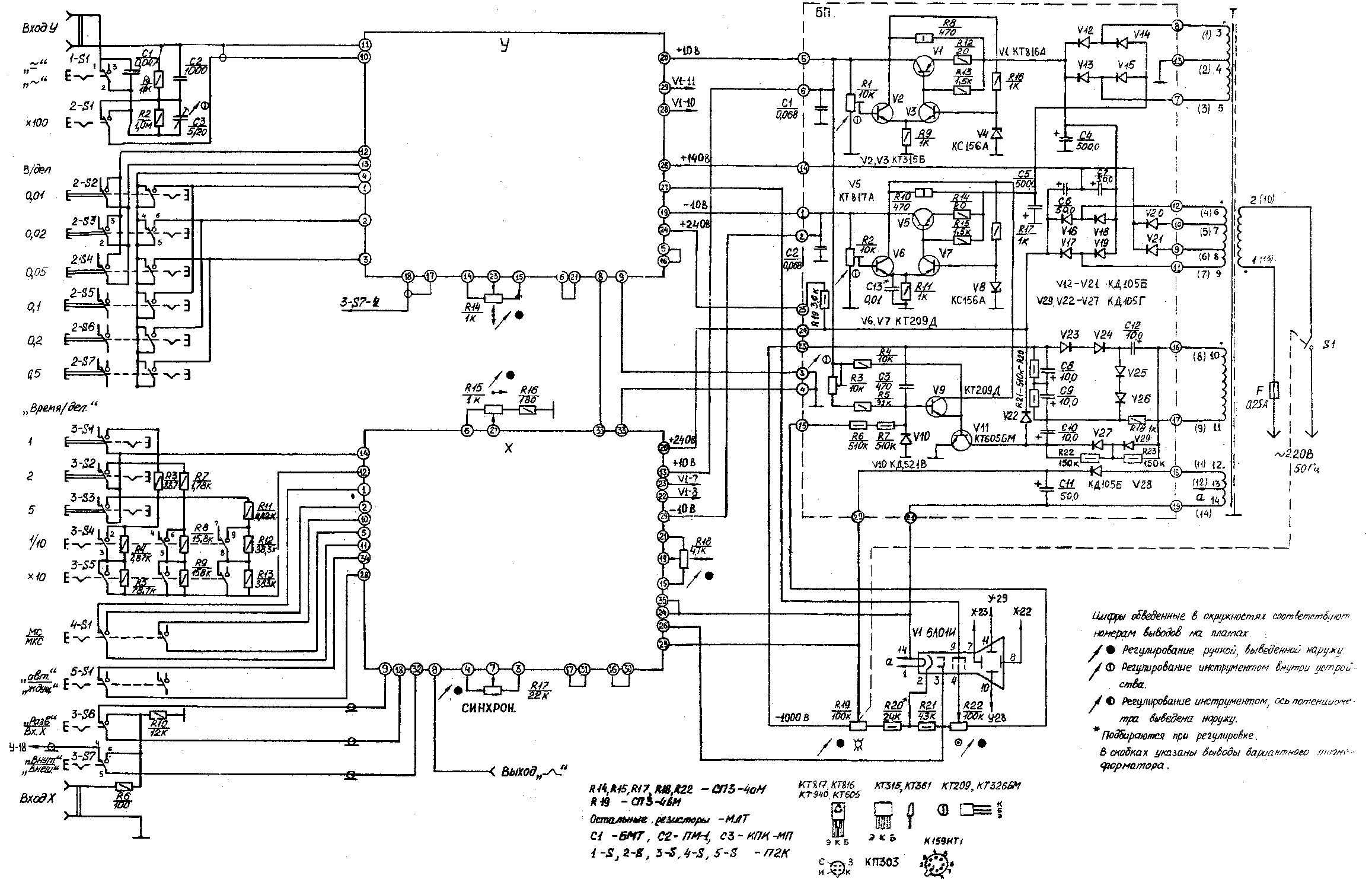
Zum Schaltplan (es ist nur die y-Ablenkung):
In den Kästchen an den Seiten sind die Anschlüsse der y-Ablenkung-Platte
angegeben.
links:
10/11 -> x100-Schalter
12/13 -> x10, werden gebrückt, falls 0,01-0,05V/div aktiv
1/2/3/4 -> V/div Auswahl
rechts:
28/29 -> Ablenkspannung an die Röhre
26/24 -> Spannungen vom Netzteil
20 -> +10V vom Netzteil
9 -> Masse vom Netzteil
27 -> scheint Fokusierung zu sein, ich habe da noch nichts verstellt
14/15/23 -> Poti an der Frontplatte für die y-Verschiebung
19 -> -10V vom Netzteil
18 -> Synchronisation, zum x-Ablenkung-Block
Warum der x100-Schalter keinen Einfluss auf den Fehler hat, weiß ich
jetzt auch. Der Schalter aktiviert einen simplen Spannungsteiler am
Eingang. Der Fehler entsteht aber irgendwo in der Schaltung danach. V4
und V10 bilden einen OPV, soviel ich verstehe. KT1 und KT2 am Eingang
des OPV sind Kontrollpunkte. Leider wird davon nichts in der
Bedienungsanleitung erwähnt. Immerhin steht dort, dass bei einer
dicken/verschwommenen Linie und aktiviertem Schalter 0,01V/div die
Kondensatoren im y-Ablenkung-Block überprüft und ersetzt werden müssen.
> Bei den 140V- und 240V-Schienen ist eine > AC-Spannung von etwa 1,3V messbar. Die +-10V sind sauber, AC-Spannung > unter 10mv. Ich vergleiche mit Hameg: 140V 0,1Vpp 180V 0,12Vpp 1,8kV 70mV die übrigen stabilisierten Niederspannungen haben 6mVpp. Deine 1,3V erscheinen da als hoch, ob das Auswirkung hat, weiß ich nicht. Vielleicht ist das ein Wink auf ein niederohmig gewordenes Bauteil, das mit dieser Spannung betrieben wird. Y-Schalterstellungen 1/2/3/4 gehen alle auf V5 und V6, die gepaarten Doppeltransistoren, ist das Gehäuse auffällig warm oder sogar heiß? Bei R13 u. R15 (unterhalb KT1) sind Pfeile zu sehen, sind da Spannungsangaben auf einem Extrablatt, oder Werte für die KTx-Meßpunkte? In diesem Eingangsbereich muß alles sauber sein. An den Ablenk-Platten gemessene Spannungen müssen paarweise gleich hoch sein. Mal weiter sehen.
Wolf wrote: > Generator vorhanden? Audioverstärker und Synthesizer am PC. Ansonsten ein Rechteckgenerator am funktionierenden Oszi. > Bei R13 u. R15 (unterhalb KT1) sind Pfeile zu sehen, sind da > Spannungsangaben auf einem Extrablatt, oder Werte für die KTx-Meßpunkte? Die Pfeile deuten auf zwei Poti, über KTx steht nichts im Handbuch. Ich messe heute alle im Buch angegebenen Sollwerte nach und schreibe sie hier rein.
Die 27 ist "Astigmatismus" d.h. das Verhältnis zwisch vertikaler und horizontaler Schärfe. MfG Paul
Transistor B/C/E soll ist
-----------------------------------------------
V4/V10 C -4V -3,2V
-----------------------------------------------
V22 B -5V -5,3V
-----------------------------------------------
V20 C (KT3) +3,6V +4,3V
-----------------------------------------------
V23 C (KT4) +3,6V +3,4V
-----------------------------------------------
V19 E +5,6V +5,9V
B +6,2V +6,6V
C +9,3V +9,3V
-----------------------------------------------
V25 E +5,6V +5,9V
B +6,2V +6,6V
C +9,3V +9,2V
-----------------------------------------------
V18 B +10V +10V
C* [+10,+120]V [+53,+139]V
-----------------------------------------------
V24 B +10V +10V
C* [+10,+120]V [+8,+96]V
-----------------------------------------------
V14/V27 C +240V +208V
-----------------------------------------------
* Spannungsbereich bei minimaler und maximaler y-Verschiebung.
Auffällig sind V4/V10, V20, V18/V24 und V14/V27. Die letzten vier sind
mit Kühlkörpern versehen und werden deutlich warm, aber nicht heiß.
Ich vermute, dass der Fehler im Endverstärker vor dem Y-Ausgang liegt, weil die Spannung von 240V auf 208V abfällt und weil die manuelle y-Verschiebung Einfluss auf die Strichdicke und auch auf die Form hat.
Der "Funktionsgenerator" ist angeschlossen. Mit dem PC erzeuge ich einen Sinus und verstärke ihn mit einem Audioverstärker. Das Signal ist an der Basis von V4 noch sauber. Am Emitter von V4 wird es im positiven Bereich ab etwa 2,5V abgeschnitten. Ähnlich sieht es am Emitter von V10 aus. Kenne mich mit OPVs im Detail nicht so aus, aber das ist doch normal, oder? Einen Teil verstärkt V4 und das, was abgeschnitten wrid, macht der V10, meine Vermutung. Wozu sind eigentlich die Dioden V8 und V9 da?
V8 und V9 sind als Begrenzer auf +/- 0,7 Volt. Ich vermute, daß Du Dein Signal mit zuviel "Bums" draufgibst und die Sinüsse deswegen "geplättet" sind. MfG Paul
Paul Baumann wrote: > V8 und V9 sind als Begrenzer auf +/- 0,7 Volt. Ich vermute, daß Du Dein > Signal mit zuviel "Bums" draufgibst und die Sinüsse deswegen "geplättet" > sind. > > MfG Paul Das kann gut sein.
Lag an Übersteuerung. Habe den x100-Schalter vergessen zu drücken. Jetzt zeigt sich ein anderes Bild. Im Anhang ist eine Skizze des Sigals an der Basis von V4. Gemessen wurde AC-Spannung. Sehr ähnlich sieht das Signal bereits nach R1-C1 aus. Vor R2 ist es noch sauber. Ich habe V20 und V23 ausgelötet, es hat sich (fast) nichts geändert. Die höchste Frequenz liegt bei 33 MHz. Die Frequenz des Generators liegt bei etwa 125 Hz. Nachdem der Oszi warmgelaufen ist, verschwindet dieser Bauch am Tiefpunkt. Manchmal ist er auch am Hochpunkt zu sehen. Seit dem V20 und V23 weg sind, gibt es den Bauch gar nicht mehr. Vielleicht haben die Schwingungen an den Extremstellen den zweiten OPV nach V20/V23 ebenfalls angeregt. Bin leider nicht so fit, was OPVs im Detail angeht. Welche Ursachen für die Oszillation kommen hier infrage?
Kann ein Transistor für die Schwingung verantwortlich sein? Wenn ja, wie stelle ich fest, welcher es ist? Bei DC-Spannungen funktioniert er wahrscheinlich ganz normal. Dann wäre die übliche Methode (auslöten und mit dem Messgerät prüfen) ungeeignet.
Hallo Maxim, Wenn es POS-Potis(Position) für die beiden Ablenkeinrichtungen gibt, diese möglichst genau in die Mitte ihres Stellbereichs stellen (Feineinstellung). Wenn die Ablenkeinrichtun funktionieren, sind die Einzelspannungen jedes Einzelpaares recht genau u. gleich groß. Grundsätzlich kann man seine Fehlersuche vom Eingang her oder vom Ausgang beginnen. Bei diesem ungewöhnlichen Wirrwarr vielleicht eher von hinten die Schwingungen erst mal mit Oszi zurück verfolgen. Werden sie schwächer, wann sind sie weg. (Zum späteren Überprüfen wird eine Rechteckspannung, max. 40Vss, 5ns-Flankensteilheit, erst mal eine niedrige Frequenz von 1kHz an die Y-Buchse gelegt werden.) Zum Fehlersuchen Y auf Gnd schalten/legen. Vorsicht beim Messen an den hohen Spannungen, abgeglichenen Meßkopf-Teiler nehmen. Ich melde mich wieder. Mitmischer gesucht, die jeden Tag Oszis reparieren!
Habe V4 durch BC548C (Analog) ausgewechselt, der Strich ist schmaler geworden. V7 und V10 wurde ebenfalls durch BC548C ersetzt, das hat allerdings nichts gebracht. Dann habe ich im Netzteil vier Dioden ausgewechselt, welche die +-10V gerichtet haben. Ohne Erfolg. Jeweils ein 2200uF Elko an +-10V haben auch nicht geholfen. Wenn die +-10V-Schiene weder an die x-Platte noch an die y-Platte angeschlossen ist, ist die Spannung relaitv stabil. Sobald die y-Platte dranhängt, schwingt die Versorgungsspannung (+10 und -10) mit ca. 100mV und sehr hochfrequent. Mir gehen so langsam die Ideen aus.
Maxim S. wrote:
> Sind also 25 Hz, die Hälfte der Stromnetz-Frequenz.
Sind die jetzt weg? 25 Hz können z.b durch Einweggleichrichtung
entstehen
-> Dioden im Gleichrichter prüfen.
Gruß
Roland
Hau doch mal die Elkos C4 und C6 raus. Vielleicht sind die "taub". MfG Paul
Eher bekommen Bauteile in gestresster Umgebung einen Defekt, das sind hier die hohen Spannungen. Über die Betrachtung was von wem abhängig ist, ist eine Eingrenzung schon gut möglich. Z.B. KT3 hat eine höhere Spannung, weil es die Verkettung über V19 und V18 gibt und der Kollektor dort liegt schon viele zu hoch. L1 und L2 gehen beide an 140V und haben ein symmetrisches Schaltungs-Umfeld, so kann man leicht Gegenmessen, im linken Zweig und dann im rechten. Es wurde schon auf ausgetrocknete Elkos hingewiesen. Transistoren auf vollständige Funktion zu messen ist aufwändig und bedarf eines Meßaufbaus, oft hilft die einfache gut/schlecht Sperrschicht-Messung. Wenn Meßwerte gleichermaßen abweichen, so wie bei V4/V10, statt -4V schon -3V haben kann das erst einmal toleriert werden, nicht jedoch, wenn Meßwerte wie in diesen symmetrischen Verstärker untereinander abweichen.
> Wenn die +-10V-Schiene weder an die x-Platte noch an die y-Platte > angeschlossen ist, ist die Spannung relaitv stabil. Sobald die y-Platte > dranhängt, schwingt die Versorgungsspannung (+10 und -10) mit ca. 100mV > und sehr hochfrequent. Schaltbild? Was machen die +-10V an der Röhre?
Im Anhang ist der Schaltplan vom Netzteil und die Beschaltung unter zwischen einzelnen Platinen. Auf der y-Platte habe ich nun folgende Bauteile ersetzt: V30, V31, V14, V27, V18, V24 V3, V4, V10 C6 C4 scheint in Ordnung zu sein, aber ich werde den morgen auch ersetzen. Die Transistoren wurden alle durch analoge ersetzt. Am Netzteil wurden V12, V13, V14, V15, V10 ersetzt. V18 hatte eine kalte Lötstelle. Nach der Korrektur schwankt die 240V-Spannung nicht mehr so stark, es sind aber immernoch +-5V (davor waren es +-10V!). Welche Kapazitäten stabilisieren die hohen Spannungen? C6 und C7? Nur die?
> Welche Kapazitäten stabilisieren die hohen Spannungen? C6 und C7?
Ja, nur die beiden glätten das. Es ist meist so, daß bei älteren Geräten
zuerst die Elkos anfangen zum Teufel zu gehen. Dicht gefolgt von
Kondensatoren mit Papierdielektrikum. Aktive Bauelemente sind meist die
"geduldigsten", wenn durch äußere Umstände nicht der Arbeitspunkt
nach jenseits von Eden verschoben wird. ;-)
MfG Paul
Habe alle Dioden im 240V-Kreis und C6/C7 durch 470uF-Elkos ersetzt. Kann es vielleicht an V5/V6 in der y-Ablenkung liegen? Die 2N4045/2N4042 sollen kompatibel zu den Transistoren sein, bei Reichelt gibt es nur 2N4037/36/33. Ob die auch gehen?
Laut Datenblatt müßten die auch gehen. Zumal ja jeweils der untere und der obere Transistor dieser beiden Gebilde nur als Diode fungiert. Dort haben die Burschen nämlich jeweils Basis und Kollektor verbunden. Auf der anderen Seite: Wenn einer davon zum Teufel wäre, würde es Dir eine Hälfte des Sinus "absägen". Hast Du C4 im Vertikalteil gewechselt? MfG Paul
Ok, der Fehler ist beseitigt. Habe V19/V25 und V15/V28 ersetzt und es läuft. Die Original-Transistoren scheinen nach der Überprüfung mit einem Voltmeter zu funktionieren. So gesehen wäre die einfache Suche nach defekten Transistoren ohne Erfolg. Jetzt muss noch alles kalibriert werden. DANKE AN ALLE, DIE HIER MITGEMACHT HABEN!
Na, das war ja eine schwere Geburt! Glückwunsch! MfG Paul
Welches Bauteil ist es jetzt genau? Du hast ja alles Mögliche getan. Die KT-Transistoren sind doch normale Transistoren, oder warum schreibst Du, daß Du analoge genommen hast. Digitaltransistoren gibt es noch nicht so lange. Die Soll-Spannungen müssen jetzt wieder stimmen.
Mit "analoge" meine ich ähnliche. Welches Bauteil genau kann ich nicht sagen. Nachdem ich V19, V25, V15, V28 durch neue ersetzt habe, sind die Störungen weg. Es war also (mindestens) eins von den vier. Die pn-Übergänge bei allen vier sind aber OK. Ob die Soll-Spannungen noch stimmen, weiß ich nicht. Ich musste für die Kalibrierung einige Widerstände ersetzen, weil der Einstellbereich der Potis nicht mehr gereicht hat. Auf der y-Platte wurden ja mehr als die Hälfte der Transistoren ersetzt. Das ist ja wie mit dem gesuchten Schlüssel in einem Schlüsselbund, es ist meistens der letzte. ;)
Danke.
> Mit "analoge" meine ich ähnliche.
Ich stand auf der Leitung. Siehst mal was im Kopf vorgehen kann.
Hallo, Es gibt bestimmte Transistoren die sehr schnell defekt werden ,wenn man die Schaltung falsch behandelt.Messen kann man den defekt sehr schwer hier hilft nur die Erfahrung.Das heißt die richtigen Transitoren tauschen.
Bitte melde dich an um einen Beitrag zu schreiben. Anmeldung ist kostenlos und dauert nur eine Minute.
Bestehender Account
Schon ein Account bei Google/GoogleMail? Keine Anmeldung erforderlich!
Mit Google-Account einloggen
Mit Google-Account einloggen
Noch kein Account? Hier anmelden.




