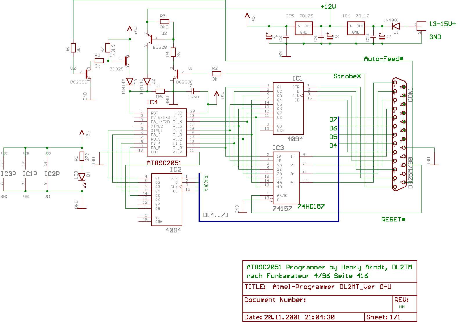
Hallo Forum Freunde ich habe ein Problem mit einem Transistor. Entweder der Transistor ist defekt oder ich habe etwas übersehen. Problembeschreibung: 1) An meiner Schaltung liegen 12V also auch am Transitor Q3 2) An der Basis von Q3 liegen auch 12V 3) An der Basis vom Transitor Q1 liegen 0 Volt Jetzt das Problem: Wie so mess ich am Ausgang von Q3 3.5V das muss doch eigentlich 0V sein. Kann mir vieleicht jemand helfen. Ich habe mal als Anhang einen Auszug aus meiner Schaltung beigefügt wo ich die einzelnen Spannngen eingezeichnet habe. Dann versteht man mein Problem bestimmt besser. Mit freundlichen Grüßen Christian Hölscher
Hallo, wenn nach Deinen Angaben die Diode D2 mit der Kathode an 2,9V hängt, kann die Anode nur gleich oder 0,6...0,7V positiver sein. 2,9V+0,7V = 3,6V. Die Messung kommt also hin, vorausgesetzt, daß durch Q3 wenigstens minimal Strom fließt. Da Q3 sperrt, dürften es eigentlich nur 2,9V sein. Aber trotz Sperren kann da ein geringer Sperrstrom fließen. Null Volt kann man da am Kollektor von Q3 unmöglich messen. Gruß
Hallo, bist du sicher, das die Diode richtig gepolt ist und du an der richtigen Seite die 3,5 V misst? Gruß, Arno
Hallo Ich bin mir eigentlich sehr sicher. Wie bekomme ich das hin das ich hinter der Diode wo ich jetzt 2.9V Messe 0 Volt hin bekomme. Die Schaltung ist ein Programmiergerät siehe Anhang. An PIN1 des Controllers muss mal 12V un mal 0V liegen bei mir liegt aber 12V und 2.9V das ist nicht gut. Mit freundlichen Grüßen Christian
Hallo das eigentliche Problem was ich habe besteht darin, ich habe das Programmmeirgerät nachgebaut. Wenn ich das IC programmieren will bricht der Vorgang mal bei 30% mal bei 80% ab nach 10 Versuchen erreiche ich 100%. Erst dachte ich mein Kabel ist zu lang aber 1.5m müste gehen. Danach habe ich eine Testsoftware für dieses Programmiergerät gefunden. Da sollte ich an bin 1 mal 0V und mal 12V messen. Ich habe aber 2.9 und 12 gemessen. Jetzt hoffe ich das das vieleicht mein Fehler ist. Mit freundlichen Grüßen Christian
Hallo, einfach mal Q3 auslöten und dann nochmal messen, dabei darf über der Diode dann keine Spannung abfallen. Gruß, Arno
dann muß eben zusätzlich noch Q4 sperren. Der war auf dem ersten Bild nicht abgebildet. R1 zieht den Reset dann auf GND, wenn rings herum alles sperrt. Evtl R1 verkleinern schrittweise. Die Dioden sind da schon richtig. Nicht umpolen oder sonstwas. Das war doch die Geschichte mit dem TTL oder CMOS am Parallelport oder? Gruß
Hallo Conlost ich habe Q3 Ausgebaut und messe keine Spannung über die Diode. Ich habe das gefühl das der Transistor nicht richtig sperrt. Kann das sein? Mit freundlichen Grüßen Christian
Hallo Chris genau das war der Beitrag. Ich bin immer noch auf der Suche nach der perfekten Lösung. Ich probiere das aus. Mit freundlichen Grüßen Christian
Miß mal die Pegel von Strobe und Autofeed. Wenn beide low sind, dann müßte R1 RST eigentlich auf GND ziehen.
Hallo ich habe noch mal ein Ausschnitt der Spannungen als Anhang beigefügt. Vieleicht hilft das weiter. An MatkoB: ich habe noch kein verbindung zum PC aus diesem Grund sind die Pegel 0V. Wie so zieht denn R1 nicht auf 0V mmmmhh. Mit freundlichen Grüßen Christian
Hallo ich habe noch mal ein Ausschnitt der Spannungen als Anhang beigefügt. Vieleicht hilft das weiter. An MatkoB: ich habe noch kein verbindung zum PC aus diesem Grund sind die Pegel 0V. Wie so zieht denn R1 nicht auf 0V mmmmhh. Mit freundlichen Grüßen Christian
zieht R1 bei augelötetem Q3 auch nicht nach Masse? Wenn doch dann ist Q3 defekt.
Also wenn die Basis von Q4 wirklich auf 0V ist, dann ist Q4 durchgeschaltet ... hast du die Basen von Q1 und Q2 auf GND gelegt?
Hallo Conlost Wenn Q3 draußen ist dann habe ich meine 0V an PIN1 (zieht auf Masse) Ich habe mal was anderes ausprobiert. Wenn an dem Transitor 12V an liegen messe ich ja 3,5V nicht gut! lege ich da aber 5V an dann messe ich 0V genau so wie bei Q4. Wie so nicht bei 12V. Mit freundlichen Grüßen
Hallo MarkoB Es tut mir sehr leid an der Basis liegen 5V sorry. Schaltung Anhang. Kommt nicht wieder vor. MFG Christian
So ein Mist ich habe einen anderen BC328 Transitor eingebaut und ich messe immer noch 3.5V Das mach mich noch ganz wild... Mit freundlichen Grüßen Christian
Hallo habe es hin bekommen es war ein ganz dummer Fehler. Ich habe Emitter und Collektor vertauscht. Jetzt funktioniert es nur das Programmiergerät will immer noch nicht. Schade.... Ich bedanke mich noch mal recht herzlich bei allen die mir so gut geholfen haben. Mit freundlichen Grüßen Christian
Bitte melde dich an um einen Beitrag zu schreiben. Anmeldung ist kostenlos und dauert nur eine Minute.
Bestehender Account
Schon ein Account bei Google/GoogleMail? Keine Anmeldung erforderlich!
Mit Google-Account einloggen
Mit Google-Account einloggen
Noch kein Account? Hier anmelden.



