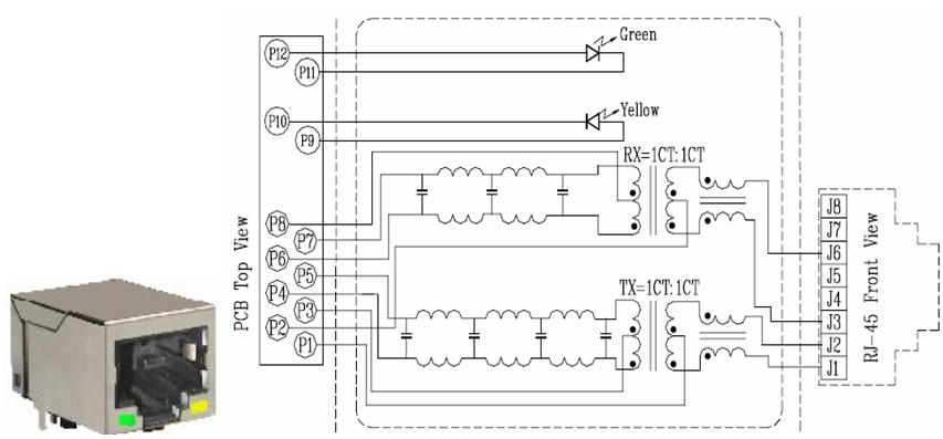
Hallo zusammen, ich suche dringend einen RJ45- Anschluss (PartNo.: LF1S022-43) von Bothhand. Das Ding ist leider seit kurzem nicht mehr erhältlich. Alternativen gibt es on mass, aber ich habe vor kurzem etliche Platinen bestellt und erhalten mit der abgekündigte RJ45- Buchse. Wenn jemand weiß wo man noch welche erhalten kann, bin ich für den Hinweis oder Kontakt sehr dankbar dafür. Im Anhang habe ich die Buchse mit Schematic eingefügt. MfG Joe
Sieht irgendwie sehr aus wie die Magjack Buchse. Ist die Vielleicht Pinkompatibel? Hat der Hersteller keine Ersatzlösung anzubieten?
Leider nicht!Werde mich mal nach dem Datenblatt der Magjack umschauen. Danke für den Hinweis. Gruß
Taimag hat auch viele Typen. z.B. der hier könnte passen: http://www.taimag.com/PDF/RJ/RJLB-xxxT%20%20series/RJLB-066TC1%E5%9E%8B%E9%8C%84_2005.11.16_-A1%E7%89%88.pdf
Danke. Taimag ist fast perfekt. Dieser Typ scheint Pin kompatibel zu sein, bis auf die Anordnung der LED- Anschlüsse. Bei Bothhand sind diese diagonal und bei Taimag parallel angeordnet. Danke für den super Tipp. MfG
Bitte melde dich an um einen Beitrag zu schreiben. Anmeldung ist kostenlos und dauert nur eine Minute.
Bestehender Account
Schon ein Account bei Google/GoogleMail? Keine Anmeldung erforderlich!
Mit Google-Account einloggen
Mit Google-Account einloggen
Noch kein Account? Hier anmelden.
