Hallo Leute Ich habe einen Trafo dessen Sekundärseite 30VAC und bis 2A liefert Ich will mir ein Netzteil mit +5/-5 Volt daraus bauen. Um das ganze günstig und effizient zu realisieren, dachte ich mir eine Schaltung zur Spannungsverdopplung zu bauen, aber anstatt der Dioden Thyristoren zu verwenden mit denen ich die Spannung auf ca 8 Volt reduziere. Die symmetrische Spannung beträgt dann also ca 8 Volt die ich dann mit Festspannungsregler auf 5V runterregeln würde. Allerdings ist mir noch einiges nicht ganz klar: Ist diese Schaltung auch einseitig belastbar? Kann ich also +5V und z.B 1 A entnehmen? Ich habe auch schon einiges über Netzfilter gelesen. Hat jemand einen Link wo diese Entstörmaßnahmen erklärt werden z.B. LC-Filter oder was ich halt brauch? Auf was sollte ich achten?
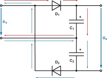
achja die spannungsverdopplungsschaltung die ich meinte
Wenn man die positive und die negative Seite getrennt baut und regelt, wird das schon gehen.
Wenn du 30V hast, und 5V brauchst, wozu willst du dann eine Spannungsverdopplerschaltung aufbauen?
Das Prinzip der Spannungsverdopplerschaltung brauche ich um eine negative Spannung zu bekommen Ich will ja nicht die Spannung verdoppeln also aus 30V 60V machen, sondern damit ich ca +8/-8 Volt bekomme die ich mit einem 7805 und 7905 dann runterregel. Also anstatt der Dioden im Anhang einfach Thyristoren nehmen. Allerdings weis ich noch nicht wie ich beide genau gleichzeitig ansteuern kann, was warscheinlich notwendig ist.
Wenn der 7505 zufällig ohne Last 70V Eingangsspannung bekommt, hätte ich ein ganz schlechtes Gewissen. Es ist wahrscheinlich einfacher einen passenden Trafo/Netzteil zu kaufen als 1000 Klimmzüge zu machen.
warum sollte er so viel spannung bekommen? Ist die Phasenanschnittsteuerung nicht zuverlässig? Klärt mich bitte auf.
Hallo hab ich irgendwas verpasst oder ist das Thema in Vergessenheit geraten. Ich will nicht drängeln oder unhöflich erscheinen. Ich dachte eben das das eine effektive Möglichkeit wäre, die Spannung runterzuregeln, anstatt die Spannung erst Gleichzurichten, zu glätten und dann z.B. mit Step-down-ICs zu arbeiten. @Oszi40 Klar wären 70V ungünstig. Deswegen frage ich ja ob jemand eine billige Lösung kennt die funktioniert. Wir haben doch alle kein Geld und Geiz ist (bzw. macht) ja bekanntlich geil. Nein mal ernsthaft Trafo ist ungünstig, weil ich schon einen habe der auch andere Sachen versorgen soll und ich bei einem Neuen ja schon mit 10-20€ rechnen sollte. Diac, Triac, Thyristor, 7805 und co. hauen mich aber mit 0.20-1.50€ nicht gerade um, auch wenn der 7805 mal "verdampft".
Bitte melde dich an um einen Beitrag zu schreiben. Anmeldung ist kostenlos und dauert nur eine Minute.
Bestehender Account
Schon ein Account bei Google/GoogleMail? Keine Anmeldung erforderlich!
Mit Google-Account einloggen
Mit Google-Account einloggen
Noch kein Account? Hier anmelden.
