Kann mir jemand sagen was ich mit unbenutzten Pins am FT232RL mache? Garnichts? Auf +5V oder GND? Direkt oder über Widerstand? RTS#, CTS#, DTR#, DSR#, DCD# und RI# würden mich interessieren. OSCI und OSCO kann man laut Datenblatt ja offen lassen. TEST und AGND kommen auf Masse. Was bedeutet das # am Ende eigentlich? Low aktiv? Falls ich welche der Pins aufs falsche Potential lege, verhinder ich dann dass das Teil funktioniert? Würde gern nur RXD und TXD an den µC anschließen.
Lass die unbenutzen Pins einfach frei. Die "#" bedeutet, dass es Low-Aktive Kanäle sind.
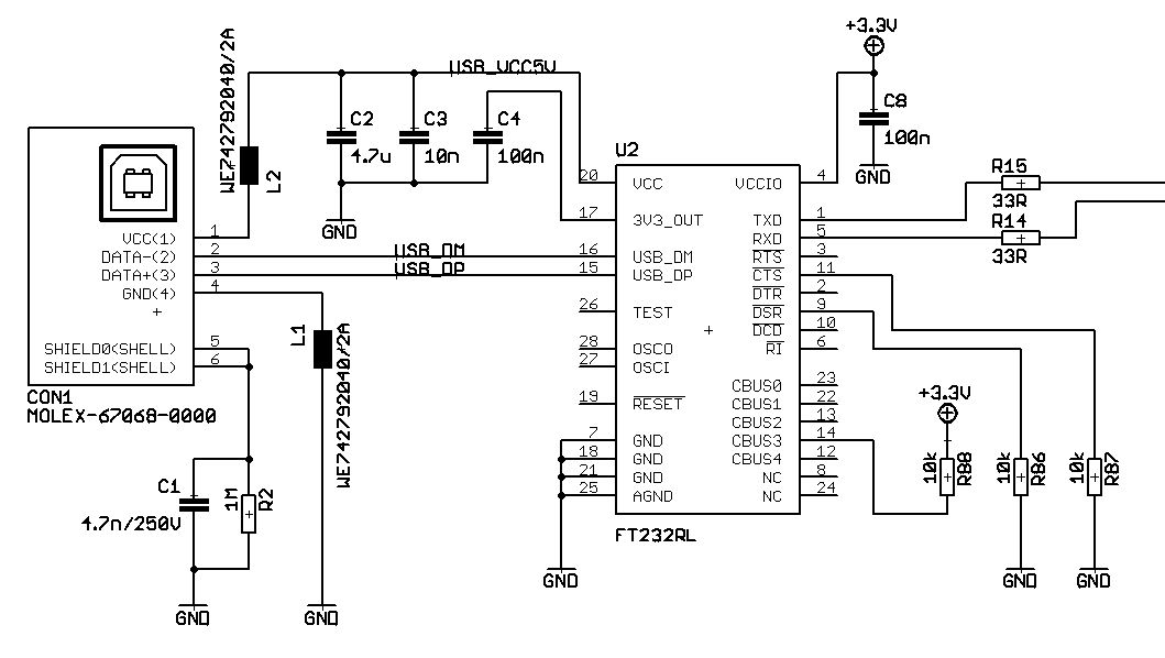
Sorry, aber einfach alle unbenutzten Pins offen lassen ist FALSCH. So dachte ich auch zuerst, dann funktionierte die Kommunikation aber nicht (Flowcontrol). Wie es funktioniert siehst du im Schaltplan anbei. VCCIO kannst du natürlich auch auf 5V legen, wenn dein uC 5V IO Pegel erwartet.
holger wrote: > @ Tim > > Du hast den Test Pin nicht auf Masse gelegt. Muss er auch nicht.
Doch, muss er. "26 TEST Input Puts the device into I.C. test mode. Must be tied to GND for normal operation." Meistens gehts, wenn er offen ist, aber ab und zu macht der Chip dann seltsame Sachen.... Flusskontroll-Pins kann man offen lassen, schließlich kann man ja im Betriebssystem einstellen, ob man mit oder ohne Hardware-Handshake arbeiten will. Funktioniert definitiv mit offenen Pins.
>> Du hast den Test Pin nicht auf Masse gelegt. > Muss er auch nicht. Doch, muss er, Auszug aus Datenblatt: Puts the device into IC test mode. Must be tied to GND for normal operation, otherwise the device will appear to fail. Ralf
Einfach so anschließen wie im Datenblatt/Appliction note beschrieben.
Oha, stimmt. TEST muss auf GND. Bei mir funktionierte es zwar trotzdem, das heisst aber natürlich nicht, dass es immer so sein muss. @gast: Leider ist der Anschluss an einen uC lediglich über Rx und Tx nicht als Beispiel im Datenblatt zu finden. Am ehesten kommt Fig. 7.2 in Frage. Dann funktioniert es aber nicht, da DTR und DSR offenbar dem FT232 signalisieren müssen (=low), dass der uC empfangsbereit ist.
Ich habe mehrere davon im Einsatz, nur RXD/TXD angeklemmt, funktioniert einwandfrei. Natürlich muss man HW-Handshake abschalten.
Ralf wrote: >>> Du hast den Test Pin nicht auf Masse gelegt. >> Muss er auch nicht. > Doch, muss er, Auszug aus Datenblatt: > > Puts the device into IC test mode. Must be tied to GND for normal > operation, otherwise the device will appear to fail. > > Ralf Habe ich da was verwechselt oder haben die das im aktuellen Datenblatt geaendert... hm. Hab mal grad das Datenblatt gezogen, ueberarbeitet wurde das definitiv. Interessant... EDIT: OK ich hab TEST in meinen Layouts auch auf GND (puh...) ;)
Bitte melde dich an um einen Beitrag zu schreiben. Anmeldung ist kostenlos und dauert nur eine Minute.
  
  Bestehender Account
  
  
  
  Schon ein Account bei Google/GoogleMail? Keine Anmeldung erforderlich!
Mit Google-Account einloggen
Mit Google-Account einloggen
  Noch kein Account? Hier anmelden.


 Thread beobachten
 Thread beobachten Seitenaufteilung abschalten
 Seitenaufteilung abschalten