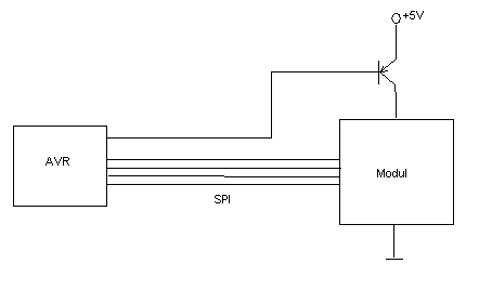
Hallo zusammen, ich hab nen Aufbau wie im Bild im Anhang. Ein AVR soll ein Modul steuern welches über SPI angebunden ist. Weiterhin kann er die Stromversorgung des Moduls über ein Pin steuern (für den Fall dass das Modul eine Weile nicht gebraucht wird und somit der Stromverbraucht des Ganzen verringert werden kann.) nun ist das Problem, wenn ich den Strom abschalte, dass das Modul über die MOSI-Leitung des SPI weiterhin Strom bekommt. Klemm ich MOSI ab is Strom definitiv komplett weg. (MOSI im inaktiven Modus ist normalerweise HIGH?) SPI abschalten bzw MOSI Pin in Tristat schicken geht leider nicht da ich noch andere Dinge per SPI steuern will. Was kann ich dagegen machen? Optokoppler für MOSI? Transistor als Schalter für MOSI? für konstruktive Vorschläge wär ich dankbar! Schönen Abend Hans
Ist das "Modul" vorgefertigt oder baust Du das selber?
Wenn keine hohen Taktraten gefahren werden müssen, dann mach ne Diode in MOSI (Kathode MOSI, Anode Modul) rein. Und zwischen die Diode und das Modul einen Pullup an die geschaltete Versorgungsspannung.
Das Modul ist selbst gemacht, sind n paar Sachen drauf die bissl Strom ziehen. Da das Modul nur ab und an gebraucht werden sollte es halt abgeschalten werden.
probier mal 1-10k Widerstände in Reihe in den Datenleitungen.. AVR -> R -> Modul Das sollter verhindern das das Modul genügend Strom/Spannung bekommt...
Bitte melde dich an um einen Beitrag zu schreiben. Anmeldung ist kostenlos und dauert nur eine Minute.
Bestehender Account
Schon ein Account bei Google/GoogleMail? Keine Anmeldung erforderlich!
Mit Google-Account einloggen
Mit Google-Account einloggen
Noch kein Account? Hier anmelden.
