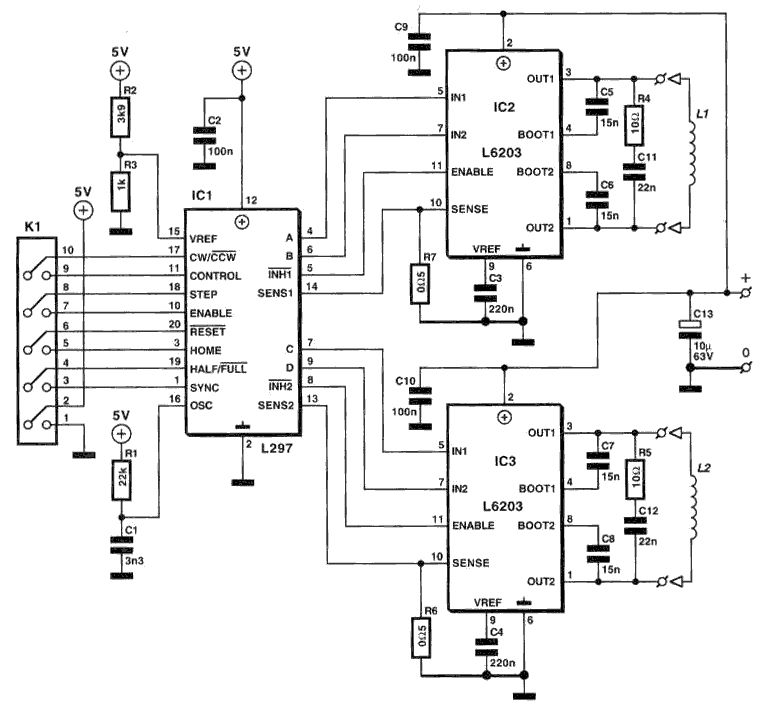
Hallo, ich habe die Schaltung fast ident. nach dem Schema im Anhang aufgebaut. (R7/R6 0,22 Ohm und R4/R5 8,2 Ohm 2 Watt) Nun zu meiner Frage: 1. Wenn ich eine Spannung von 12 V mit 3 Ampere an die Brücke gebe ist alles okay. 2. Wenn ich eine Spannung von 30 V mit 15 Ampere an die Brücke gebe rauchen meine R4/R5 ab und der L6203 wird enorm heiss. Der Stepper Motor hat eine 1,2 Ohm Wiederstand und eine max zulässige Spannung von 75 Volt. Eingestellter VRef ist 2 Ampere. Was ich nicht verstehe ist folgendes: Aufgrund der Strom Begrenzung sollte es doch eigentlich egal sein wieviel das Netzteil an Strom abgibt oder hab ich hier einen Denkfehler. Die Spannung ist geglättet auf 30 V also eigentlich auch kein Problem. Was ich ebenfalls nicht verstehe ist wie sich R4/R5 errechnet. Im Internet gibt es dazu unterschiedliche aussagen. Kann eventuell jemand seine Erfahrungen mit dem L6203 und Spannungen höher 12 V hier wiedergeben. Lieben Dank
> Aufgrund der Strom Begrenzung sollte es doch eigentlich egal sein
wieviel das Netzteil an Strom abgibt oder hab ich hier einen Denkfehler.
Denkfehler sehr wahrscheinlich.....
Wessen Strombegrenzung und wohinm geht die Verlustleistunmg?
@ Gerry L. (gerrylenz) >2. Wenn ich eine Spannung von 30 V mit 15 Ampere an die Brücke gebe >rauchen meine R4/R5 ab und der L6203 wird enorm heiss. Kann ich mir nicht vorstellen. Das sind nur Snubber. Die verbraten wenig Leistung. Das klingt nach einem verdrahtungsfehler. >Eingestellter VRef ist 2 Ampere. Kaum. Vref und Amprere ist ein Widerspruch. >Aufgrund der Strom Begrenzung sollte es doch eigentlich egal sein >wieviel das Netzteil an Strom abgibt oder hab ich hier einen Denkfehler. Denkfehler. >Die Spannung ist geglättet auf 30 V also eigentlich auch kein Problem. Wie schnell lässt du den Stepper laufen? Wie hoch ist die Chopperfrequenz? MfG Falk
Falk Brunner wrote: >>2. Wenn ich eine Spannung von 30 V mit 15 Ampere an die Brücke gebe >>rauchen meine R4/R5 ab und der L6203 wird enorm heiss. > > Kann ich mir nicht vorstellen. Das sind nur Snubber. Die verbraten wenig > Leistung. Naja, wenn da mit einigen 10-100kHz geschaltet wird und der C in Reihe relativ niederimpedant wird, dann liegen an den 10 Ohm fast 30V an. Das kann schon gut warm werden.
@ Benedikt K. (benedikt) >Naja, wenn da mit einigen 10-100kHz geschaltet wird und der C in Reihe >relativ niederimpedant wird, dann liegen an den 10 Ohm fast 30V an. Das >kann schon gut warm werden. Rechnen statt philosophieren. Energie im Kondensator
Diese Energie wird bei einem kompletten Ladezyklus im Widerstand verbraten, und nochmal beim Entladen, also 19,8uWs. Bei 10kHz Taktfrequenz sind das gerade mal 198mW, bei 100kHz aber schon 1,9W. Sollte aber ein 2Watt Widerstand aushalten. MFG Falk
>>Eingestellter VRef ist 2 Ampere. >Kaum. Vref und Amprere ist ein Widerspruch. Oh ich mein VRef auf 0,25V am L297 also ca. 2A begrenzung. >>Aufgrund der Strom Begrenzung sollte es doch eigentlich egal sein >>wieviel das Netzteil an Strom abgibt oder hab ich hier einen Denkfehler. >Denkfehler. Hmm dann sollen also die 15 A des Netzteils zuviel sein? Nur wenn ich eine Stepperkarte mit L297/L298 nutze hab ich keine Problem. >Wie schnell lässt du den Stepper laufen? Wie hoch ist die <Chopperfrequenz? Soweit komme ich nicht da sofort R4/R5 rauchen (Tatsache Rauchen!) Ansonsten hab ich bis 20Khz keinerlei Problem mit 12 V und 3 Ampere. Ich vermute einfach mal das Tatsache die 15 Ampere zuviel sind für einen L6203. Aber warum hab ich bei den L298 keine Probleme? Verdrahtungsfehler schliesse ich aus da die aufgebaute LP mit 12 Volt und 3 Ampere zu meiner vollsten Zufriedenheit funktioniert.
Falk Brunner wrote:
> Rechnen statt philosophieren.
Sorry, hatte mich vertan, es sind sogar 60V (+/-30V, da eine
Vollbrücke). Wenn man Enable taktet dann schaltet der 6203 immer ein und
aus, die -30V werden dann von der Spule geliefert.
Macht also 79,2µWs.
Bei 10kHz also 0,892W, bei 100kHz 8,92W...
@Gerry
Kannst du die 20kHz irgendwie nachmessen? Eine zu hohe Frequenz würde
erklären wieso die Widerstände und das IC heiß werden.
@ Gerry L. (gerrylenz) >Hmm dann sollen also die 15 A des Netzteils zuviel sein? Die fliessen nur, wenn die Last das zulässt. Grundlagen E-Technik. >Soweit komme ich nicht da sofort R4/R5 rauchen (Tatsache Rauchen!) Dann hast du einen Kurzschluss irgendwo. >Ich vermute einfach mal das Tatsache die 15 Ampere zuviel sind für einen >L6203. In der Tat. Ein Blick in Datenbaltt würde dir nämlich sagen, dass der IC auf 2A ausgelegt ist. Und bei Volllast einen Kühlkörper braucht. > Aber warum hab ich bei den L298 keine Probleme? Mit dem gleichen Motor? Warscheinlich hast du was falsch angeschlossen. Die beiden Ics sind NICHT pinkompatibel. hast du ALLES wie im Datenblatt beschaltet? >Verdrahtungsfehler schliesse ich aus da die aufgebaute LP mit 12 Volt >und 3 Ampere zu meiner vollsten Zufriedenheit funktioniert. Klar, weil das Netzteil bei Vollast einbricht ;-) @ Benedikt K. (benedikt) >Sorry, hatte mich vertan, es sind sogar 60V (+/-30V, da eine >Vollbrücke). Wenn man Enable taktet dann schaltet der 6203 immer ein und >aus, die -30V werden dann von der Spule geliefert. Ein Chopper schaltet aber nicht die vollen 30V um, sondern choppt mit kleiner Strom- und Spannungswelligkeit. UNd 20 kHz Schrittfreqeunz sind woh ein wenig viel ;-) MfG Falk
Nochmal zum verständnis: Die LP ist fertig aufgebaut mit L297/L6203 1. 12V 3 Ampere alles Okay 2. 30V 15 Ampere HOT aber Hot hot und die Wiederstände lösen sich in Rauch auf.... Die Angaben beziehen sich auf die Stromversorgung/Trafo nicht auf die Einstellungen für den Motor. Es ist ein und die selbe LP. Die andere LP ist eine normale Kombination L297/L298 1. 12 V 3 A alles okay 2. 30V 15 Ampere alles okay So nun steht die Frage WARUM die Widerstände sich in Rauch auflösen bei der Kombination L297/L6203. Ich habe keinerlei Probleme wenn ich mit 12 V und 3 Ampere 20 Khz fahre. Diese sind mit dem Logicport auch bestätigt. Bei 30V 15 Ampere werden die Brücken nicht getoogelt.Also es wird kein Taktsignal an die Brücke vom L297 übermittelt da ich lieber vorher den Netzstecker ziehe. Es kann doch net sein das die moderne Variante L6203 hier versagt. Und verdrahtungsfehler kann net sein da bei 12V und 3A alles okay ist. Bevor ich den Motor anschliesse wird auch alles kalibriert also die Ref eingestellt ebenso wird die Brücke und die Wiederstände nicht mal warm. Naja wie auch. Der Wiederstand der Wicklungen des Motors sind 1.2 Ohm also eigentlich okay. Ich muss einfach was übersehen. ???
>>Ich vermute einfach mal das Tatsache die 15 Ampere zuviel sind für einen >>L6203. >In der Tat. Ein Blick in Datenbaltt würde dir nämlich sagen, dass der IC >auf 2A ausgelegt ist. Und bei Volllast einen Kühlkörper braucht. Nun, mit Hilfe der VRef sollte das doch aber begrenzt werden oder irre ich mich da? >Mit dem gleichen Motor? Warscheinlich hast du was falsch angeschlossen. >Die beiden Ics sind NICHT pinkompatibel. hast du ALLES wie im Datenblatt >beschaltet? Hab mich da falsch ausgedrückt. Selber Motor 2 LPs eine L297/L6203 und eine L297/L298 Kombi. >Klar, weil das Netzteil bei Vollast einbricht ;-) Eher nicht da keine Vollast der Motor verträgt ja auch nur 2 A.
@ Gerry L. (gerrylenz) >1. 12V 3 Ampere alles Okay Miss mal die Spannung am Netzteil unter Last. Dort sind garantiert keine 12V mehr. >Die andere LP ist eine normale Kombination L297/L298 >1. 12 V 3 A alles okay >2. 30V 15 Ampere alles okay Der L298 kann auch keine 15A, und eine Wicklung mit 1,2Ohm treibt der auch nicht. Da spricht der Chopper an. Wahrscheinlich ist dein Chopper mit dem L6203 nicht richitg verdrahtet. Kann man schnell nachmessen. >So nun steht die Frage WARUM die Widerstände sich in Rauch auflösen bei >der Kombination L297/L6203. Weil der Strom nicht begrenzt wird. >Es kann doch net sein das die moderne Variante L6203 hier versagt. >Und verdrahtungsfehler kann net sein da bei 12V und 3A alles okay ist. Das bedeutet noch lange nix. MFG Falk
Falk Brunner wrote: > Ein Chopper schaltet aber nicht die vollen 30V um, sondern choppt mit > kleiner Strom- und Spannungswelligkeit. UNd 20 kHz Schrittfreqeunz sind > woh ein wenig viel ;-) Wenn ich das richtig sehe, dann schaltet das Choppersignal den Enable Eingang, der alle Mosfets sperrt. Am Anfang liegen z.B. 30V an einer Windung. Schalten alle Mosfets ab, treibt die Spule den Strom weiter, solange bis der Strom wieder fließt, und das ist erreicht wenn die Spannung umgepolt ist und die 4 Freilaufdioden (der Mosfets) leiten. Der Stromripple ist zwar klein, die Spannungswelligkeit aber groß, genauso wie bei einem Schaltnetzteil. Bei 20kHz dürften die 10 Ohm Rs zwar noch nicht abbrennen, wenn die Cs nur 22nF groß sind, aber heiß werden die ganz sicher. Die einzigen möglichen Ursache die ich für abbrennende 10 Ohm Widerstände sehe, sind daher eigentlich nur eine zu hohe Frequenz (was Gerry nachgemessen und daher ausgeschlossen hat), oder zu große oder kurzgeschlossene 22nF Kondensatoren in Reihe.
Welcher Choper soll den nicht richtig verdrahtet sein? Cntr vom L297 ist High. Mehr ist da nicht zu verdrahten. Die Verbindungen sind so wie im Schemata oben. L297 ist auf Half Step damit kann ich durchaus ein Taktsignal von 20Khz fahren. Und wie gesagt es wird auch nicht getaktet es raucht ja vorher schon. Ein anderer Motor hat 3,5 Ohm Wiederstand ändert aber nichts an den Rauchzeichen. Meine Vermutung war das die 15 A zu stark sind. Nur warum ,der L297 sollte doch den Strom begrenzen. Sollange kein Motor angeschlossen ist kann ich die VRef am L297 auch schön einstellen und ablesen ohne Rauch.
Sieht gut aus. Wenn die beiden Kondensatoren in Reihe zu den Widerständen jetzt auch noch 22nF und nicht mehr haben, und auch nicht kurzgeschlossen sind, dann habe ich auch keine Ideen mehr, wieso die Widerstände heiß werden.
So gehts mir auch ... keine Ideen mehr. Daher hatte ich gehofft es kennt sich jemand mit den Biestern aus. Dank Dir trotzdem Bene
Baue noch ein paar schnelle Schutzdioden ein (die internen sind nicht so toll). An R4/R5 können je nach Induktivität deines Motors und Schaltflanken extreme Spannungsspitzen entstehen (200V). Je nach Taktfrequenz kann dies zu viel für deine Widerstände sein.
L6203 wrote: > Baue noch ein paar schnelle Schutzdioden ein (die internen sind nicht so > toll). An R4/R5 können je nach Induktivität deines Motors und > Schaltflanken extreme Spannungsspitzen entstehen (200V). Genau das sollen die Widerstände ja vermeiden: Durch die Spulen fließen maximal z.B. 3A. An 10 Ohm können daher maximal 30V abfallen.
Spannungsspitzen treten auf wenn ich den Motor drehen lasse. Soweit kommt es aber nicht. Das Problem tritt schon auf wenn nur der Haltestrom fliest.
> Genau das sollen die Widerstände ja vermeiden: Durch die Spulen fließen > maximal z.B. 3A. An 10 Ohm können daher maximal 30V abfallen. Schon mal was von Induktionsspannung gehört? Das hat mit den 3A-Spulenstrom gar nichts zu tun. Bei steilen Flanken bildet der Kondensator einen quasi Kurzschluss. Die volle Induktionsspannung liegt kurzzeitig an den Widerständen an. > Spannungsspitzen treten auf wenn ich den Motor drehen lasse. > Soweit kommt es aber nicht. > Das Problem tritt schon auf wenn nur der Haltestrom fliest. Auch der Haltestrom wird ständig ein- und ausgeschaltet, oder wie soll sonst der Strom begrenzt werden (30V/1,2R=25A), d.h., steile Flanken, ggf. hohe Gegenspannung, ggf. hoher Strom (100V, 10R --> kurzzeitig 1000W, je nach Takt (20KHz) --> 10W?
L6203 wrote: >> Genau das sollen die Widerstände ja vermeiden: Durch die Spulen fließen >> maximal z.B. 3A. An 10 Ohm können daher maximal 30V abfallen. > > Schon mal was von Induktionsspannung gehört? Kleiner Tip: lern mal die Grundlagen, was eine Spule ist, und wie sie sich verhält...
@ Gerry L. (gerrylenz) >So gehts mir auch ... keine Ideen mehr. Du bist schlicht ignorant. Prüfe deine Verdrahtung, dort liegt mit hoher Wahrscheinlichkeit der Fehler. Der IC an sicht funktioniert genauso wie im Datenblatt. >Daher hatte ich gehofft es kennt sich jemand mit den Biestern aus. Du solltest dich mal mit ein paar Grundlagen beschäftigen und mal die "Hände schmutzig machen", sprich MESSEN. Und nicht darüber philosophieren dass deine Schaltung keinen Fehler haben kann. Miss mal mit deinem 12V /3A Netzteil, ob und wie der Chopper läuft. MfG Falk
Hallo Falk, nein, ich bin nicht ignorant! Bevor ich mit mein Problem an die Öffentlichkeit gehe schau ich schon ob das Problem an mir liegt. Mit den Grundlagen hast Du recht, die fehlen mir schlicht und einfach. Ich habe kein Elektronik Studium hinter mir. Zum Messen: Logicspannungungen am L297 VCC Pin 12 4,95V Sense Pin 13/14 0,04 V CNTL Pin 11 4,95 V Reset Pin 20 4,95 V OSC/Sync Pin 1 20500 Hz Clock Pin 18 1000 Hz INH1 Pin 5 260 Hz INH2 Pin 8 260 Hz A Pin 4 3900 Hz B Pin 6 3900 Hz C Pin 7 3800 Hz schwankt etwas kann aber an meiner unruhigen Hand liegen D Pin 9 3900 Hz Vref am L297 0,25 V VRef am L6203 Pin 9 10,8 V Motorspannung 13,94 V Gemessen bei laufendem Motor. Ampere kann ich nicht messen da mein Messgerät nur mA bzw. uA Bereich hat. Die Brücken werden zwar warm aber nicht heiss. An den Wiederständen ist garnichts zu merken, geschweige denn machen Sie einen auf Apache (Rauchzeichen). Kannst Du mir nun sagen wo der Verdrahtungsfehler sein könnte. Kiste Bier (11er wegen Transport)wäre Dir sicher. Gruß Gerry
Hast du überprüft, ob C11 und C12 wirklich in Reihe zu R4 und R5 liegen und wirklich nur 22nF haben?
Ja hab ich. Hab auch gestern die 22n nochmal ausgetauscht. Aufgefallen ist mir gerade das R4 C11 andersrum als im Schaltplan angeschlossen sind. Also Out2 - R4 - C11 - Out1 im Schaltplan ist es Out2 - C11 - R4 - Out1 Bitte lass es das nicht sein. ...
Nein, hab 0,22 genommen um die Verluste kleiner zu halten. Muss daher auch die VRef am L297 anders berechnen. R4/R5 sind mit 8,2 Ohm dimensioniert.
Bene ich häng mal 3 Formeln an nach denen ich mich für den Snubber gerichtet habe.
@ Gerry L. (gerrylenz) >Mit den Grundlagen hast Du recht, die fehlen mir schlicht und einfach. >Ich habe kein Elektronik Studium hinter mir. Brauht man dazu nicht. >INH1 Pin 5 260 Hz >INH2 Pin 8 260 Hz Wie hast du das gemessen? Mit dem Oszi? 260 Hz ist für einen Chopper bissel wenig. Dort sollten ein paar khz rauskommen. >Gemessen bei laufendem Motor. Miss bei stehendem Motor und 12v. >Kannst Du mir nun sagen wo der Verdrahtungsfehler sein könnte. Hab ich bereits, ich vermute einen nichtfunktionierenden Chopper. Dort musst du messen. Mit dem Scope miss die Spannung über R6/R7 sowie den EN Eingängen des L6203. MFG Falk
Falk Brunner wrote: >>INH1 Pin 5 260 Hz >>INH2 Pin 8 260 Hz > > Wie hast du das gemessen? Mit dem Oszi? > 260 Hz ist für einen Chopper bissel wenig. Dort sollten ein paar khz > rauskommen. Nein, das passt schon. Ich habe mich anfangs auch erst gewundert, aber der L297 kann entweder über INH choppen, oder über die normalen Eingänge (je nachdem wie CNTL eingestellt ist). Dadurch hat man quasi ein Synchrongleichrichter, was den Wirkungsgrad verbessert. Die 260Hz sind 1/4 Schrittfrequenz. Daher haber die ABCD Signale auch eine so hohe Frequenz. Der Chopper scheint also zu funktionieren. Daher bin ich auch langsam ratlos, was falsch sein könnte: Der Snubber scheint zu passen, der Chopper scheint zu laufen, und mehr gibt es eigentlich nicht, was den Snubber überhitzen könnte.
@ Benedikt K. (benedikt)
>Frequenz. Der Chopper scheint also zu funktionieren.
Der Schein trügt des öfteren. NACHMESSEN!
MFG
Falk
Motor steht also ohne Takt am Clock Pin. Messen: Logicspannungungen am L297 VCC Pin 12 4,95V Sense Pin 13 0,01 V R6 Sense Pin 14 0 V R7 CNTL Pin 11 4,95 V Reset Pin 20 4,95 V OSC/Sync Pin 1 19900 Hz Clock Pin 18 0 Hz INH1 Pin 5 0 Hz INH2 Pin 8 0 Hz A Pin 4 0 Hz B Pin 6 0 Hz C Pin 7 19900 D Pin 9 0 Hz VRef am L6203/1 Pin 9 11,16 V VRef am L6203/1 Pin 9 10,8 V Enable L6203/1 0,01 V Enable L6203/2 4,36 V Ein Scope besitze ich nicht nur den Logicport. Motorspannung 14,3 V
Allen Berechnungen zum Trotze würde ich anders an das Problem rangehen. Erstmal die Fakten: a) Widerstände qualmen weg. b) Nur bei höherer Spannung. Hier 30V. Warum brennt ein Widerstand? Die Leistung wird zu hoch. Zwei Möglichkeiten: 1) Die Kondensatoren im Snubber sind vieleicht schon durchgeschlagen weil zu hohe Spannung anliegt. 2) Eure Berechnungen stimmen nicht. Die Widerstände müssen wesentlich größer (Leistung) ausgelegt werden.
Zu 1. Habe gestern die Kondensatoren gewechselt 2. Die Leistung sollte ja durch den L297 geregelt werden. Und nun nocheinmal die Frage ob eventuell nicht die 30V der Hammer sind sondern die 15 A die der Ringkern abgibt zuviel sind? Falk vermutet das der Choper nicht anspringt bzw. garnichts tut. Meine Messungen sagen mir aber das alles gut ist bei 12V/3A. Die 30V/15A möchte ich eigentlich nicht mehr ranhängen. Mir steht auch kein Labornetzteil zur Verfügung sonst wäre ich schon anders an das Problem rangegangen. Deswegen auch die Frage ob jemand schon mit dieser Leistung größer 12V/3A gearbeitet hat. Ich gebe Falk schon recht wenn er sagt das laut Datenblatt diese Leistung kein Problem sein sollte. Bei mir hat er ein ziemlich heisses Problem. :)
Gerry L. wrote: > Falk vermutet das der Choper nicht anspringt bzw. garnichts tut. Wenn der Chopper nichts machen würde, dann wäre die Frequenz niedrig, und daher würde kaum Strom durch die Widerstände fließen (wegen den Cs). Dann würde der L6203 und die Shunts (und der Motor) rauchen, aber nicht die Snubberwiderstände. Ich sehe auf deiner L6203 Platine keinen einzigen Elko. Häng mal etwa 100µF an die Betriebsspannung, direkt an der Platine.
Ick werd verrückt Bene.......... Das wars... Nur warum wars das? Kannst Du mir das erklären?
Naja, du hast ein Schaltnetzteil, das mit 20kHz und ein paar Ampere Stromimpulse erzeugt. Und die bewirken ziemliche Spannungsspitzen die alles durcheinander bringen können. Die 10µF im Schaltplan kommen mir etwas klein vor. So 100µF sollten es schon sein, mehrere parallel (wegen ESR, so 2-3) noch besser. Low ESR Elkos wären perfekt, sind vermutlich aber nicht notwendig.
Nun dasversteh ich schon. Nur das Netzteil von dem die Motorspannung kommt hat doch die Elkos schon on Board, daher bin ich völlig überrascht das es Tatsache notwendig ist nochmal 100 uF an die Platine selber zu bringen. Vielen lieben Dank Benedikt ich wär nie auf die Idee gekommen. Wohin soll die Kiste gehen :) Schreib mir an web . work at gmx. net Danke auch an alle anderen.
Das liegt daran, dass die Leitungen zum Netzteil eine Spule darstellen (ein paar nH pro cm). In dem Momement wo der L6203 abschaltet, möchte der Strom in der Spule weiterfließen; und das tut er auch: Die Spannung schießt dann kurz in die Höhe. Beim Abschalten passiert das Gegenteil: Der Stromanstieg wird ausgebremst, und die Spannung bricht kurz zusammen. C9 und C10 hast du aber eingebaut? Die sind nämlich auch notwendig, denn Elkos sind für richtig hohe Frequenzen ungeeignet. Diese Lücke wird durch die Folienkondensatoren gefüllt. Ein Oszilloskop ist für sowas sehr nützlich, dann sieht man nämlich sofort, wenn die Spannung Spitzen hat.
Ja sind die die direkt neben den L6203 sitzen. Ein Oszi sprengt meine Haushaltskasse für mich war der Logicport schon ne riesen Anschaffung aber eine die sich gelohnt hat da ich vornehmlich nur mit MCs rumhantele. Die L6203 ist nur ein notwendiges kurzes übel.
Bitte melde dich an um einen Beitrag zu schreiben. Anmeldung ist kostenlos und dauert nur eine Minute.
Bestehender Account
Schon ein Account bei Google/GoogleMail? Keine Anmeldung erforderlich!
Mit Google-Account einloggen
Mit Google-Account einloggen
Noch kein Account? Hier anmelden.





