Hallo erstmal ich will mir ein Festspannungsnetzgerät bauen und zwar dacht ich eher an die Übung und die Berechnungen nicht als gebrauchgegenstand.... ich hab mich mal umgeschaut wie ich stabilisieren soll und hab dass gefunden http://home.arcor.de/elektronik-db/website/projekte/kl_netzteil/netzgeraet_gross.jpg für was brauche ich d1, c2,c3,c4,c5,c6 und r1? Gibts das nicht irgendwo erklärt und wie ich das Berechne? Ich will nämlich zwei spannungen und zwar 9V UND 5v da der Trafo nur 100ma liefert... achja und was bringt der Poti der hängt ja nur zwischen gnd und gnd???? mfg lenovo
Hallo Lenovo, bei der von Dir gefundenen Schaltung handelt es sich um einen einstellbaren Spannungsregler. Am Anfang der Schaltung hast Du C1, einen grossen Kondensator welcher der zuvor gleichgerichteten Spannung die Welligkeit nimmt. C2 ist ein kleiner Kondensator am Eingang des Spannungsreglers, ebenso wie C4 das am Ausgang darstellt. Diese Kondensatoren (C2 und C4) sollen das Schwingen des Reglers verhindern. C5 ist ein Stützkondensator für die geregelte Ausgangsspannung. Typische Dimensionierungen sind: C1 = 1000µF pro A Ausgangsstrom C2 = C4 = 100nF C5 = 10 bis 100µF R1 und P1 bilden einen Spannungsteiler dessen Abgrisspanunng von C3 stabilisiert wird. Diese Spannung dient dem Regler als Rückkopplung um die Ausgangsspannung jederzeit korrekt nachregeln zu können. An P1 stellst Du auch die gewünschte Ausgangsspannung ein. D2 schützt den Spannungsregler für den Fall, dass die Ausgangsspannung grösser wird als die Eingangsspannung. Wenn Du nur 9V und 5V benötigst gibt es diese Längsregler (so wie er hier in einer Adj.-Version verwendet wird) auch als Festspannungsregler. Da baust Du den vorderen Teil ganz genauso (also Gleichrichter, C1, C2) dann nimmst Du einen Festspannungsregler. Den Spannungsteiler mit D1, R1, P1 und C3 lässt man da weg. Der Ausgang wird wieder identisch beschaltet also C4 und C5. Ebenso bleibt D2. Habe ich etwas vergessen? Grüsse Michael
vielleicht hilft es? http://home.arcor.de/elektronik-db/website/projekte/kl_netzteil/klnt_index.htm http://home.arcor.de/elektronik-db/website/projekte/kl_netzteil/knt_index.htm
die Schaltung die du da siehst ist eine veränderliche Konstantspannungsquelle. Der Poti dient dazu in Zusammenarbeit mit R1 über einen Spannungsteiler die Ausgangsspannung festzulegen. Die Kondensatoren Stabilisieren die Ein bzw. ausgangsspannung, C3 stabilisiert die reglung. D2 dient dazu den Spannungsregler zu schützen wenn die ausgangsspannung beim abschalten geößer wird als die eingangsspannung. Ich glaube das ist nicht ganz die richtige grundschaltung für dich. ich mal die mal ebend was auf ;)
> vielleicht hilft es?
Super, da kann ich mir ja ruhig die Finger wund tippen ;-)
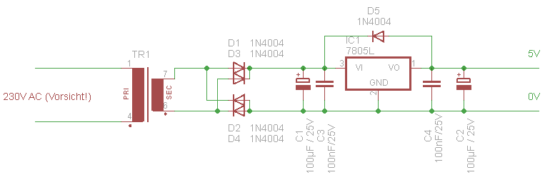
im Anhang mal die Schaltung die, denke ich, deiner gewünschten am ehesten entspricht!
Ja okay jetz ist einiges klar das mit dem Glättkondensator verstehe ich. Ich nehme einen 4700 uF weil ich die noch liegen haben somit müsste die Brummspannung weniger werden. Jedoch bedenken habe ich ob das mit dem KA7805 funktioniert bei alldatasheets steht es ist ein Positiver Regulator... denn sonst müsste ich genau 1 Bauteil bestellen :) aber Danke trotzdem für die vielen antworten. Ich werde mich jetzt mal daran machen den Schaltplan zu Zeichnen. Vielen Dank nochmals besonders Michael! Lenovo
>Super, da kann ich mir ja ruhig die Finger wund tippen ;-)
wieso?
hast du keine maus, um auf den link zu klicken? :-P
Bei kleinem Strom würde ich keine 4,7 mF als Ladekondensator nehmen, eher z.B. 470 µF. Dann bleibt der Trafo etwas kühler ( 1 mF/A ist auch ein guter Vorschlag ). Gruss
Lenovo wrote:
> einmal 5V und einmal 9V am Ausgang...
Die Schaltung mußt du mir erklären... ;)
Vielleicht sollte man ihm den LM317 empfehlen (auch das Datenblatt dazu). Dann wäre seine Schaltung aus dem Ursprungspost grundsätzlich brauchbar und er könnte die Spannungen auch einstellen. @Lenovo Welche sekundäre Wechselspannung hat denn dein Trafo?
Hi Lenovo Ka7805 ist eine Feste Spannungsregler, der am Ausgang eine Fest Spannung von 5V gibt.Damit kann man die Spannung nur 5V am Ausgang bekommen.Falls du aus 5V eine 9V Spannung haben willst, dann musst du ein step up Schaltung bauen.
>Vielleicht sollte man ihm den LM317 empfehlen (auch das Datenblatt >dazu). >Dann wäre seine Schaltung aus dem Ursprungspost grundsätzlich brauchbar >und er könnte die Spannungen auch einstellen. Das gilt nicht nur für den LM317 sondern für jeden Festspannungsregler, also auch dem Ka7805
Kann ich auch einen 4700uF Kondensator zur Glättung nehmen hab nämlich keinen anderen mit der Spannungsfestigkeit..
Sodale alles Fertisch aufgebaut... aaaber beim Einschalten fliegt immer die eingebaute Sicherung naja komisch
Was für eine Sicherung(Wert), und zeig nochmal die Schaltung wie du es jetzt aufgebaut hast.
Okay ich muss noch lernen aber am späteren abend mach ich mal das layout und schaltplan rein! eine 320mA Sicherung
Okidonki funktiononiert alles ich hab nur eine flinke Sicherung genommen dass war der Fehler. Lukas
Bitte melde dich an um einen Beitrag zu schreiben. Anmeldung ist kostenlos und dauert nur eine Minute.
Bestehender Account
Schon ein Account bei Google/GoogleMail? Keine Anmeldung erforderlich!
Mit Google-Account einloggen
Mit Google-Account einloggen
Noch kein Account? Hier anmelden.

