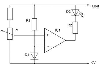
Hallo zusammen, ich versuche gerade eine Schaltung nachzubauen. Aber es klappt nix. Es soll beim unterschreiten einer einstellbaren Spannung eine LED leuchten. Also bei Betrieb mit einer 9V Batterie bei "voller" Batterie aus sein und bei sagen wir mal 8,5 Volt leuchten. Nun ist es so das ich einstellen kann das die LED leuchtet oder aus ist. Nur hat eine Änderung der Spannung keinerlei Einfluss darauf. Als Bauteile nehme ich: IC1 Operationsverstärker LM358N P1 Potentiometer 10 kOhm R1 Widerstand 10 kOhm R2 Widerstand 560 Ohm D1 Diode 1N4148 Habt Ihr eine Idee warum da nix geht??? Den Schaltplan habe ich angehängt...
> Den Schaltplan habe ich angehängt... Das ist ein Word-Dokument, kein Schaltplan ;-) Besser wäre hier eine Grafik z.B. als gif. Prinzipiell sollte die Schaltung schon gehen. Polarität passt (auch wenn andere was anderes behaupten ;-). Hast du den OP auch versorgt? > und bei sagen wir mal 8,5 Volt leuchten. Mit dem P1 wird das ganz hübsch empfindlich einzustellen sein. Ein klitzekleines Stück nach oben oder unten ändert sehr viel an der Schaltschwelle. Du wirst maximal 1/50 des gesamten Schleiferweges zur Einstellung verwenden können. Schalte da doch mal als Workaround zwischen +Ubat und den oberen Anschluss einen 82k widerstand mit rein und begrenze so den Stellbereich auf einen vernünftigen Wert. Unabhängig von der Funktion der Schaltung noch diese Hinweise: > Batterie der Strom durch die LED beträgt bei leer-werdender Batterie (8,5V) dann ca 12mA. Damit wird die Batterie noch wesentlich schneller leer. Abhilfe: Nimm eine Low-Current LED und einen Vorwiderstand von 4k7. Das selbe gilt für R1 und P1. Hier kannst du zu Gunsten des Stromverbrauchs ruhig eine Zehnerpotenz höher gehen. Die Spannung über der Diode D1 ist temperaturabhängig. Bei kaltem Gerät hast du eine andere Schaltschwelle als bei einem warmen Gerät.
Gerhard wrote: > Hi > > wenn du die Eingänge + und - vertauscht, sollte es gehen. > > > Gerhard Stimmt!!! :-)
Wolf wrote: > wojo, > na, dann erkläre bitte mal, warum das so geht. hmmm... so ganz genau weiss ich das nicht. Aber ich habe es einfach ausprobiert. Und nun geht die LED an wenn ich die Spannung runterregle. ????
>> wenn du die Eingänge + und - vertauscht, sollte es gehen. > Stimmt!!! :-) Echt? Na gut, um allen Eventualitäten vorzubeugen, habe ich das mal simuliert. Grün: Versorgung Rot: Uf der Diode Magenta: +Eingang Blau: Ausgang Und siehe da: Ich hatte recht. Wenn die Spannung kleiner als 8,5V wird, geht der Ausgang auf Low. Such mal den Fehler und sag was da los ist ;-)
Lothar Miller wrote: >>> wenn du die Eingänge + und - vertauscht, sollte es gehen. >> Stimmt!!! :-) > Echt? > Na gut, um allen Eventualitäten vorzubeugen, habe ich das mal simuliert. > Grün: Versorgung > Rot: Uf der Diode > Magenta: +Eingang > Blau: Ausgang > Und siehe da: Ich hatte recht. > Wenn die Spannung kleiner als 8,5V wird, geht der Ausgang auf Low. > > Such mal den Fehler und sag was da los ist ;-) Ja aber wenn der Ausgang auf LOW geht. Dann würde ja die LED nicht leuchten??? Oder? Weil ich möchte ja gerne bei 8,5 V das die LED leuchtet. Oder verstehe ich das mit dem LOW falsch?????
Lothar Miller wrote: >>> wenn du die Eingänge + und - vertauscht, sollte es gehen. >> Stimmt!!! :-) > Echt? > Na gut, um allen Eventualitäten vorzubeugen, habe ich das mal simuliert. > Grün: Versorgung > Rot: Uf der Diode > Magenta: +Eingang > Blau: Ausgang > Und siehe da: Ich hatte recht. > Wenn die Spannung kleiner als 8,5V wird, geht der Ausgang auf Low. > > Such mal den Fehler und sag was da los ist ;-) Aber da ist doch ein andere IC verbaut.... LT1797 ????????
> Aber da ist doch ein andere IC verbaut.... LT1797 ???????? Das ist einfach ein R2R-Opamp, der hat auch nur + und - Eingänge und einen Ausgang (wie der LM358). Ich habe auch andere Widerstände verbaut, das ändert nichts am grundsätzlichen Verhalten. > Ja aber wenn der Ausgang auf LOW geht. > Dann würde ja die LED nicht leuchten? Sieh dir deine eigene Schaltung an. Was passiert, wenn der Opamp 0V ausgibt (=Low). Richtig: dann leuchtet sie. EDIT: Oder hast du die LED ganz anders angeschlossen? Etwa gegen GND?
Hi, die LED habe ich nicht gegen GND angeschlossen. Ich glaube je nachdem wie ich die Eingänge am LM358 lege geht die LED am Schaltpunkt entweder an oder aus... oder??? Das Poti funktioniert doch wie ein Spannungsteiler. Kann ich doch eigentlich auch mit Festwiderständen bauen. Wenn ich einen Schaltpunkt so um die 8V einstelle und dann am Poti mal messe habe ich 8,90kOhm und 0,87kOhm. Kann ich das ganze auch ausrechen? Also den Schaltpunkt rechnerisch bestimmen? Viele Grüße
> Ich glaube je nachdem wie ich die Eingänge am LM358 lege geht > die LED am Schaltpunkt entweder an oder aus... oder??? Ja, wieso sollte denn sonst der eine + und der andere - heißen? Wenn du das beliebig tauschen könntest, wäre ja z.B. E und E der bessere Name für die beiden Eingänge. Lies dir mal Grundlagen zum Thema Operationsverstärker-Grundschaltungen genauer durch. > Wenn ich einen Schaltpunkt so um die 8V einstelle und dann am Poti > mal messe habe ich 8,90kOhm und 0,87kOhm. > Kann ich das ganze auch ausrechen? Ja. Aber mein Tipp lade die Simulationssoftware herunter und spiel damit ein wenig herum. Mich hat das Beispiel oben gerade mal 10 min. gekostet. > Also den Schaltpunkt rechnerisch bestimmen? Spannungsteilerformel: 8V*0,87/(8,9+0,87) = 0,712 V Das ist dann übrigens auch gleich der Dioden-Durchlasspannung Uf. > Kann ich doch eigentlich auch mit Festwiderständen bauen. Theoretisch ja, aber: Mach die Diode mal warm und mal kalt --> :-( weil Temperaturabhängig. Probier mal eine andere Diode --> :-( wegen Exemplarstreuungen.
Bitte melde dich an um einen Beitrag zu schreiben. Anmeldung ist kostenlos und dauert nur eine Minute.
Bestehender Account
Schon ein Account bei Google/GoogleMail? Keine Anmeldung erforderlich!
Mit Google-Account einloggen
Mit Google-Account einloggen
Noch kein Account? Hier anmelden.

