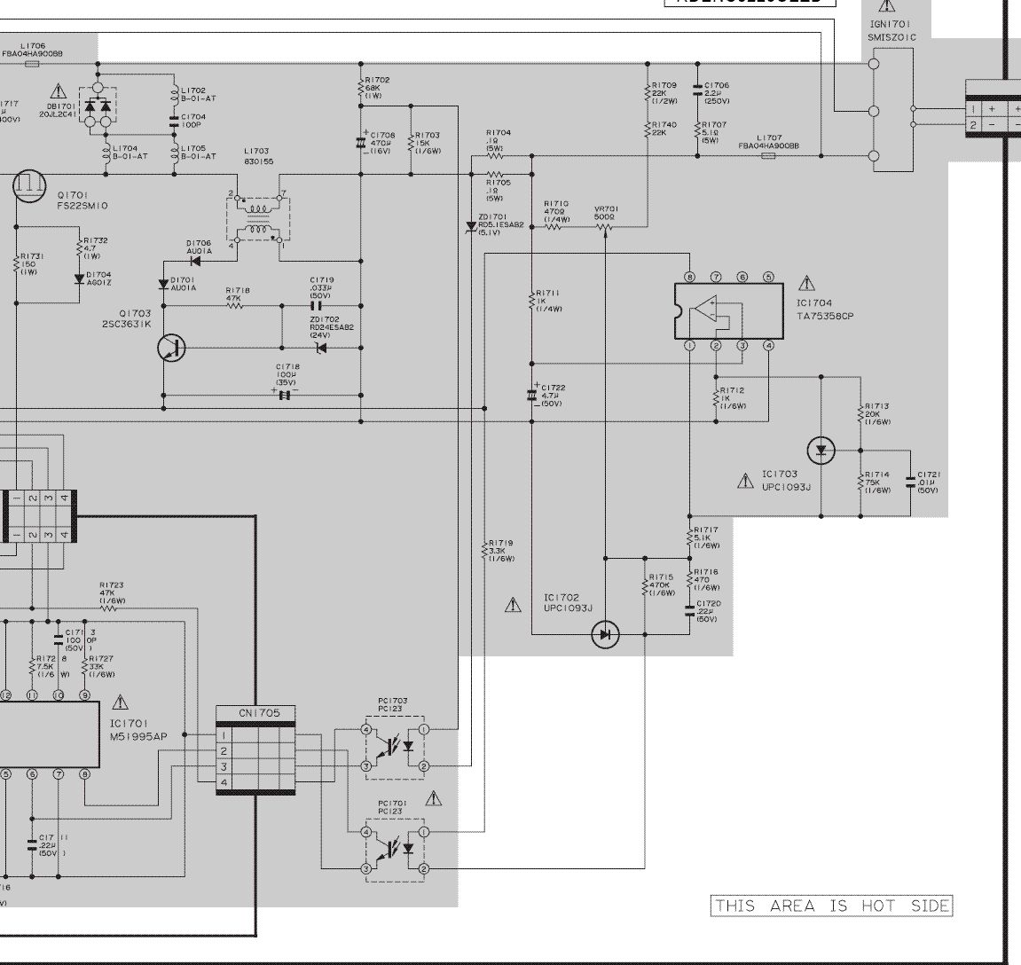
Hallo, ich bekam vor wenigen Tagen von einem Bekannten einen recht betagten LCD Beamer geschenkt. Und wie kann es anders sein: Defekt. Um genau zu sein ist die Lampe explodiert. Der Beamer selbst funktioniert noch, lediglich die Lampe ist weg. Eine neue Lampe kaufen ist mir definitiv zu teuer. Allerdings bekomme ich mit einer 250W Halogenlampe ein brauchbares Bild. Die Lampe kann ich problemlos einbauen, und über ein externes Netzteil mit Spannung versorgen. Soweit ist alles bestens! Aber der Beamer geht davon aus, dass die Lampe nicht leuchtet, und schaltet nach wenigen Minuten ab! Natürlich könnte ich mit einem Widerstand eine Lampe vortäuschen, aber das will ich nicht. Meine Idee ist es die interne Schaltung, die den Lampenstrom misst lahm zu legen und vorzutäuschen es würden x A fließen. Einen Schaltplan habe ich im Anhang beigefügt. Wenn ich mich nicht täusche bilden R1705 und R1704 zusammen einen Shunt zur Strommessung. Was ich jetzt nicht genau verstehe... Die beiden Optokoppler im unteren Bereich, übertragen was? Sind die dafür zuständig? Muss ich da ansetzen? Oder soll ich einfach den Shunt um einiges vergößern und den Ausgang über einen Widerstand kurzschließen? Vielen Dank...
Das sieht so aus als ob da ein Strom gemessen wird. Das ganze ist allerdings recht trickige Schaltung. Mach doch mal folgendes: Du simulierst die Lampe mit einem Widerstand und misst mal nach welcher der beiden Optokoppler da unten jetzt umschaltet. Damit solltes du den Koppler rausfinden koennen der fuer die ueberwachung zustaendig ist und ihn dann so zu beschalten das er signalisiert Lampe Ok. Gruss Helmi
Das wäre ein gute Idee! Nur ich muss erstmal an den Koppler dran kommen, das Gerät ist sehr verbaut. Es ist übrigens ein Sharp XV-Z1E.
Was mir noch auffaellt an der Schaltung ist der kleine Trafo in Bildmitte. Da fliesst der Lampenstrom auch drueber. Der mach so noch die Versorgungsspannung fuer den OP im Bild rechts. C1718 ist das Lade C dafuer. Es kann sein das du da eine kleine Gleichspannung einspeissen muestest. Ich weiss ja nicht wo die Leitung weiter nach links im Bild noch hingehen. Zu den beiden Optokoppler: PC1703 scheint die Lampen Spannung zu ueberwachen und PC1701 in verbindung mit dem OP den Strom zu ueberwachen.
Die Leitungen vom Trafo gehen links auch noch an einen Optokoppler an die IR Diode. Also steuert das auch was... IC1701 ist ein Schaltwandler für die Lampenspannung... Das ganze Manual gibt es im Internet, aber in mehreren Parts und die Datei ist zu groß um sie ganz hier anzuhängen. Ich versuche mal im Gerät die entsprechende platine zu finden.
Also vielen Dank für die Hilfe! Ich habe das Manual weiter studiert... weil ich das Gerät nicht zerlegt bekam. Also Optokoppler PC1704 (nicht im obigen Auszug zu sehen) muss überbrückt werden. Dies geht ganz einfach, man muss das Gerät nur öffnen, nicht weiter zerlegen. Man findet links im Gerät einen Stecker, der mit BL beschriftet ist. Da muss nur der mittlere Pin mit GND (ganz rechts) verbunden werden und fertig ist das ganze. Trotzdem vielen Dank!
Bitte melde dich an um einen Beitrag zu schreiben. Anmeldung ist kostenlos und dauert nur eine Minute.
Bestehender Account
Schon ein Account bei Google/GoogleMail? Keine Anmeldung erforderlich!
Mit Google-Account einloggen
Mit Google-Account einloggen
Noch kein Account? Hier anmelden.
