Hallo kann jemand veraten, warum Hallsensoren noch einen Widerstand über die Versorgungsspannung, wie hier dargestellt benötigen http://www.st.com/stonline/products/families/automotive/images/pm_l9952.gif http://www.mikrocontroller.net/attachment/4229/Bild7.gif http://www.allegromicro.com/en/Products/Design/hall_high_voltage/images/fig2.gif Die Sensoren erzeugen doch schon High oder Low pegel. wozu dann der widerstand? bin etwas verwirrt
Vermutlich haben die Sensoren intern nur einen Pull-down Transistor, und keine Push-Pull-Endstufe.
sorry für die frage, aber wieso hat ein hall sensor einen internen transistor (Verstärkung der hallspannung)? und was ist pusch pull`? :(
Naja die Verstärkung ist doch praktisch. Brauchste dir nicht noch einen ChopAmp dazu kaufen. Die Spannung liegt ja normalerweiße im mV Bereich, weiß ja nicht ob du die gerne weiter verarbeitest UND du brauchst nicht negative Spannungen messen. Spannung liegt dann durchgehend im positiven Bereich. MFG
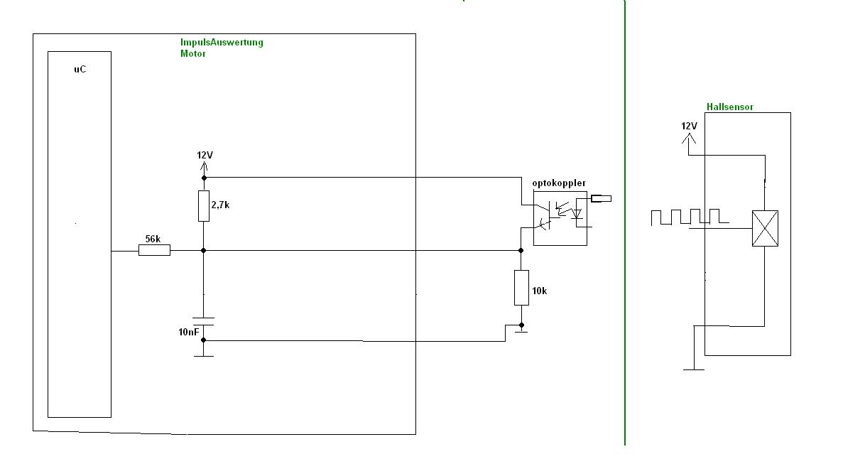
Achso...das ist natürlich logisch. ich habe vor einen hallsensor nachzusimulieren und erzeuge die hallimpulse über einen atmel. über einen optokoppler werden die impulse dem gerät, dass sie auswertet, zugeführt. man bedenke dass normalerweise ein realer hallsensor von einem motor an diesen pin hängt. siehe dazu anhang. meine frage ist, ob meine schaltung mit dem widerstand so in ordnung ist. ich vermute dass der 10k Widerstand unnötig ist bzw zur fälschung der impulse sorgt oder?
Was soll dass? Warum postest du nochmals den selben Schwachsinn im Analogforum? Meckern nach 45 Minuten? Du bist dir bewusst das dir die Leute hier freiwillig Antworten?
Finde ich auch nicht so gut hier das gelöste Thema einen Neuaufguss zu verpassen. Damit verärgerst du hier nur die hilfsbereiten Rechtschaffenden.
Bitte melde dich an um einen Beitrag zu schreiben. Anmeldung ist kostenlos und dauert nur eine Minute.
Bestehender Account
Schon ein Account bei Google/GoogleMail? Keine Anmeldung erforderlich!
Mit Google-Account einloggen
Mit Google-Account einloggen
Noch kein Account? Hier anmelden.
