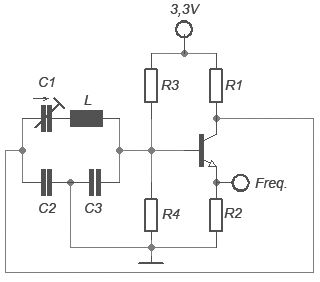
Hallo allerseits, ich möchte über einen Clapp-Oszillator (siehe Anhang) die Kapazität eines Sensors bestimmen. Durch die Veränderung der Kapazität des Sensors (C1) soll sich die Frequenz ändern, welche anschließend mit einem Vorteiler durch 256 geteilt und mit einem Timer eines Atmega32 gezählt wird. Die Kapazität des Sensors bewegt sich im Bereich von ca. 65-360 pF. Mit der Thomsonschen Schwingungsgleichung habe ich, durch die Dimensionierung der Bauteile im Schwingkreis (L = 68 nH, C2 = C3 = 1 µF), den Frequenzbereich auf 33-76 MHz errechnet. Wie finde ich heraus ob der Oszillator mit dieser Bauteildimensionierung schwingt? Noch größere Probleme habe ich jedoch mit der Verstärkerschaltung. Sehe ich es richtig das es sich um eine Emitterschaltung zur Stromgegenkopplung handelt? Sollte ich damit richtig liegen könnte ich doch gemäß dieser Seite: http://www.didactronic.de/TS2EProjekt/trans40.htm#Schaltungsbeschreibung: bei der Dimensionierung vorgehen oder? Ich würde mir die Widerstandswerte gern selber errechnen bin jedoch ein bischen erschlagen von der Aufgabe und würde mich über eine Hilfestellung freuen. Vielen Dank für eure Hilfe! Bolix
Ein Mikrofarad bei 33-76 MHz ???? Schau auch mal ins Quarzkochbuch auf axtal.com.
Und dann ist der Sensor noch an 2m Kabel ?
Hallo, 65pF-360pF schreit förmlich nach Mittelwelle, also Schwingfrequenz um 1MHz. Sonst kommst Du nie auf eine sinnvolle Güte, wo überhaupt was schwingt. Nimm den nächstbesten Mittelwellenoszillator mit 330pF Drehko und häng den Sensor statt des Drehkos ran... Gruß aus Berlin Michael
Hallo, vielen Dank für eure Antworten. Meine Bauteilwerte waren eher aus den Fingern gesogen, da ich leider keine Informationen gefunden habe, wie man die sinnvoll auslegt. Leider beschränken sich die meisten Beschreibungen des Clapp-Oszillators auf den Verweis zur Thomsonschen Schwingungsgleichung mit einer kurzen Herleitung. Ich finde jedoch leider keine Informationen darüber, in welchem Wertebereich sich die Bauteile bei bestimmten Frequenzen befinden dürfen? Der Sensor soll über ein geschirmtes 2,5m Kabel an das Messgerät angeschlossen werden, die Frequenz soll jedoch schon am Sensor heruntergeteilt werden. Treten da trotzdem Störeffekte auf und wie kann man die beheben/vermindern? Ich bin noch auf der Suche nach so einem Mittelwellenoszillator, bisher noch ohne Erfolg. Weswegen schreit den dieser Kapazitätsbereich nach diesem Frequenzbereich? Ich stehe bei der Aufgabe leider wie der Ochse vor dem Berg. Könnt ihr mir vielleicht eine gute Einstiegsliteratur oder Internetseite empfehlen, die mir weiterhilft und mit sehr geringem Vorwissen verständlich ist? Viele Grüße! Bolix
Hallo, naja, eigentlich alle üblichen Mittelwellenempfänger benutzten als Abstimmkondensator 30-500pF für eine Variation von rund 500kHz bis 1,6MHz. Die zugehörige induktivität war mit ausreichender Güte billig herstellbar. Später nahm man dann meist 20-330pF mit passender Spule, da war die Güte und damit der Resonanzwiderstand dann etwas höher. Aus Deiner Kapazitätsangabe lag das für mich deshalb nahe. Was sich aus Deinen konreten Anforderungen ergibt, wirst Du wohl ergründen müssen. Prinzipiell sollte auch ein TTL- oder CMOS-Oszillator mit 2 Gattern gehen, statt eines Quarzes Deinen Sensor und eine passende Spule. Müßte man mal testen, hätte den Vorteil, daß man einfach zu einem Logikpegel käme. Allerding sind solche Schaltungen nicht sonderlich Frequenzstabil bei Spannungs- und Temperaturänderungen. Gruß aus Berlin Michael
Noch größere Probleme habe ich jedoch mit der Verstärkerschaltung. Sehe ich es richtig das es sich um eine Emitterschaltung zur Stromgegenkopplung handelt? Gleichspannungsmäßig betrachtet ja. Wechselspannungsmäsig liegt die basis auf Masse als Basischachaltung. Trotzdem sind C2 und C3 um mindestens den Faktor 1000 zu groß da so auch der Rückopplungzweig gegen Masse kurzgeschlossen wird.
Bitte melde dich an um einen Beitrag zu schreiben. Anmeldung ist kostenlos und dauert nur eine Minute.
Bestehender Account
Schon ein Account bei Google/GoogleMail? Keine Anmeldung erforderlich!
Mit Google-Account einloggen
Mit Google-Account einloggen
Noch kein Account? Hier anmelden.
