Hallo, angehängtes Bild habe ich von http://www.trifolium.de/netzteil/kap13.html leider kann ich jedoch nicht erkennen, wie diese Schaltung funktioniren soll. Natürlich ist mir der Grundsatz klar: Die Transistoren sollen wahrscheinlich gegenseitig so zusammengeschlossen sein daß einer leitet, bei Zusammenbruch der Leitung eines Transistors wird - durch die Induktivität - sekundärseitig Spannung induziert. Nun betrachte ich das Schaltbild im Einschaltzeitpunkt: der "obere Schenkel" der Primärseite leitet, ebenso der PNP. Ergo wird auch der NPN leitend. Doch was passiert nun? Wie wechseln sich die Transistoren ab? Sind die Kondensatoren notwendig? Die Z-Diode erscheint mir vollkommen sinnlos. Kann ich sie weglassen? Vielen Dank, Kath.Ode
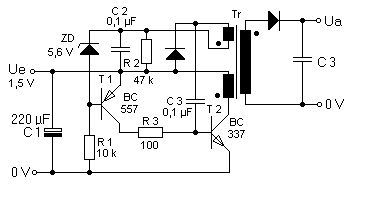
Anscheinend soll die Schaltung sich selbst eine Betriebsspannung von
>5,6V erzeugen, die Spannung aus der Rückkopplungswicklung oben links
wird mit der Diode gleichgerichtet. Die Schwingung erzeugt nur der
rechte Transistor, der linke regelt nur den Basisstrom, schaltet ab,
wenn die Spannung an C2 oben etwa +6V überschreitet.
>Die Z-Diode erscheint mir vollkommen sinnlos. >Kann ich sie weglassen? Mir erscheint sie nicht sinnlos. Sie ist Teil der Spannungsstabilisierung der Schaltung. Wenn die Ausgangsspannung ansteigt wird sie leitend und sperrt den Transistor T1 . Der wiederum verschiebt den Arbeitspunkt von T2. Was wiederum zur folge hat das die Ausgangsspannung sinkt. Die eigentliche Schwingungserzeugung entsteht durch die mitkopplung der linken oberen Hilfswicklung und dem Kondensator C3. Da bei einem Sperrwandler alle Ausgangsspannung gekoppelt sind wird der einen Diode und R2,C2 ein der Ausgangsspannung proportionale Hilfspannung fuer die Regelung mit T1 erzeugt. Gruss Helmi
Bitte melde dich an um einen Beitrag zu schreiben. Anmeldung ist kostenlos und dauert nur eine Minute.
Bestehender Account
Schon ein Account bei Google/GoogleMail? Keine Anmeldung erforderlich!
Mit Google-Account einloggen
Mit Google-Account einloggen
Noch kein Account? Hier anmelden.
