Welche Schaltung nimmt man dafür am besten? Ich hatte mal eine mit MC34063 gesehen, der soll aber nicht so vernünftig laufen.
Anbei eine funktionsfaehige Schaltung. Die Spule gibt's hier http://ww2.pulseeng.com/products/datasheets/SPM2007_42.pdf
Und noch eine Schaltung gefunden Spulen von http://www.cooperbussmann.com/ProductInfo.aspx?productID=30992 bzw. http://www.coilcraft.com/mss5131.cfm
Nimm einen LM2574-12, das ist ein kleines süßes DIL-8-IC. Eine Spule, eine Diode und 2 Kondensatoren und fertig. Kann bis 500mA Liefern. Wenn du die Spannung verstellen willst nimm den LM2574-ADJ. Als Einstellmöglichkeit für die Ausgangsspannung brauchst du dann noch entweder 2 Widerstände, oder 1 Widerstand und ein Trimmpoti. Im Datasheet sind Schaltungsbeispiele zu finden. Das Ding ist wirklich sehr einfach und das Layout ist recht unkritisch für einen Schaltregler. Das Ding war damals mein "Einstieg" in die Schaltregler-Technik neben dem MC34063. :) @Josef, zwar gut gemeint aber ein wenig viel Aufwand für die 100mA... :) Enrico
Josef wrote: > Und wie schafft der IC die 7V auf 12V??? Mosfet mit Gate an den Ausgang des LM2574 (Mosfet mit 30V GS Spannung verwenden, oder irgendwas basteln um die Spannung auf <20V zu begrenzen), Source an Masse, Drain an das Ende der Spule das normalerweise am Elko hängt, davon dann noch eine Diode zu dem Ausgangselko. Fertig ist ein Buck-Boost Wandler.
Ok, IC, externer MOSFET und Spule hab ich auch beim SEPIC converter. Dann versteh ich aber nicht warum dies mehr Aufwand sein soll? Bauteilanzahl ist vergleichbar.
Hi Benedikt, Sorry das ich den Thread ausgrabe, aber könntest du deine Schaltung (die mit dem Mosfet am Ausgang LM2574) eventuell mal skizzieren oder die Funktion erklären? Irgendwie will mir das ganze gerade nicht in den Kopf, dass der Wandler dann Rauf und Runterwandeln kann. Ich bastle gerade ein Schaltung da könnte ich das Brauchen. :-) Wenn ich deinen Text richtig verstanden habe, wird das Gate des FETs zusammen mit dem einen Ende der spule an den Ausgang des PWM-Chips angeschlossen. Wie bekommt man dann aber den FET gesperrt? Killt die Rückschlagspannung nicht das Gate des FETs oder muss da auch noch die Besagte Diode wie beim Step-Down hin? Vielleicht kannst du mir etwas auf die Sprünge helfen mit dieser Schaltung Andy :-)
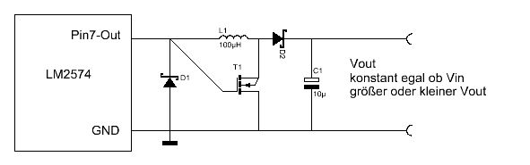
Hi, ich habe das mal so wie ich den Text verstanden habe schnell in SPlan gezeichnet und als GIF exportiert. Ist das Korrekt so? Irgendwie bin ich der Meinung das man dem Gate des FETs noch nen Schutz verpassen sollte. Ist das richtig oder passt das schon so? Ich gehe davon aus das die Versorgungsspannung niemals höher wie die Zulässige Gatespannung von 20 Volt wird. Falls dies doch der Fall wäre, müsste man sich halt was mit Z-Dioden Basteln um das Gate zu schützen. Andy :-)
Grml, irgendwie mag mich die Vorschaufunktion heute aber wieder mal gar nicht... Könnte bitte ein Moderator eines der Bilder kicken? Danke :-)
Bitte melde dich an um einen Beitrag zu schreiben. Anmeldung ist kostenlos und dauert nur eine Minute.
Bestehender Account
Schon ein Account bei Google/GoogleMail? Keine Anmeldung erforderlich!
Mit Google-Account einloggen
Mit Google-Account einloggen
Noch kein Account? Hier anmelden.


