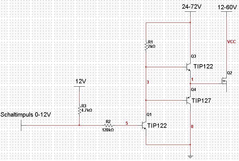
HI, also ich hab folgendes Problem. Ich würde gerne eine H-Brücke aus 4 Mosfets diskret ansteuern. Habe jedoch noch nie mit einem Mosfet gearbeitet. Mein Vorhaben ist es einen Class-D Verstärker zu bauen. Also der Weg ist das Ziel^^ Nicht das sowas kommt wie kauf dir einen Fertigen etc. Meine erste Überlegung war es eine integrierte Lösung zu benutzen also HIP4081A. Jedoch scheint der nicht für meine Zwecke zu genügen. Also der maximale Strom ist zu gering. Erstmal Kenndaten. Frequenz beträgt 250kHz. Ansteuerzeit < 50ns Q= 250nC Mosfet: Größe eines IRFB3077 daher komme ich auf die 250nC. Spannungen Highside: Betriebsspannung 12 bis 60V Ansteuerspannung 24 bis 72V Lowside: Ansteuerspannung 12V Kann Bitte mal wer über meinen Schaltplan schauen? Also ob die Auswahl der Transistoren in Ordnung ist, ob die Widerstande passend dimensioniert sind etc. Hab zum Beispiel Angst das der Strom entweder nicht groß genug ist und die Ansteuerung zu lange dauert oder das der Strom zu hoch ist und meine Transitoren brät. Der Schaltplan ist für Highside für Lowside wollte R1 durch einen 1kohm Widerstand ersetzen.
>Kann Bitte mal wer über meinen Schaltplan schauen? Den kannst du so wie er ist in die Tonne schmeißen. Ich sehe keine H-Brücke. >Mein Vorhaben ist es einen Class-D Verstärker zu bauen. >Also der Weg ist das Ziel^^ >Nicht das sowas kommt wie kauf dir einen Fertigen etc. Genau das kann man dir nur empfehlen ;)
@holger. Das ist nur die Ansteuerung der Highside nach der ich gefragt habe. @ Achim Wenn am Drain eine Spannung anliegt von 12-60V muss doch am Gate ein Spannung anliegen die in meinem Fall 12 Volt höher ist oder liege ich da falsch also 24-72V oder?
Redegle wrote: > Wenn am Drain eine Spannung anliegt von 12-60V muss doch am Gate ein > Spannung anliegen die in meinem Fall 12 Volt höher ist oder liege ich da > falsch Wenn der Mosfet leiten soll, aber nicht wenn er sperrt: Lege an Source +60V und an Gate 0V. Der Mosfet sperrt, das Gate ist hinüber, da GS -60V sieht. Wenn die Deadtime zu groß ist, dann kann irgendeine Induktivität durchaus Source bis auf Drainniveau treiben. Eine ausreichend dimensionierte Diode Source->Drain die sowas verhindert ist also durchaus sinnvoll.
Ok das ist natürlich einleuchtend. Wie verhält sich das mit der Drain-Gate Spannung? Da kann nichts kaputt gehen? Du möchtest jetst eine Diode von Source->Drain. Kannst du das bitte etwas genauer erklären, wie dass das Sourcepotental niedrig hält, damit kein Durchbruch entsteht? Könnte ich vielleicht eine Diode von Source nach Gate schalten, die würde die Sourcspannung über die Ansteuerung ableiten, damit die Spannungdifferenz nicht zu groß wird.
Sorry, hab mich verschrieben. Ich wollte Source-Gate schreiben. Dann muss allerdings ein Widerstand in die Gateleitung, damit die Gateansteuerschaltung nicht den ganzen Strom durch die Diode abbekommt.
Wenn sich dort nun eine Diode befindet welche von Source nach Gate leitet, wenn Source 0,7V höher ist als Gate dürfte normal selbst ohne Widerstand nicht passieren weil nur induktive Störungen abgeleitet werden. Im Schaltbetrieb trifft unter normalen Bedingungen nie der Fall ein, dass Sourcpotential über Gate ist. Außer es würde am Leitunswiderstand mehr als 0,7V abfallen was ich mal nicht hoffe. U=R*I = 0,02*60 = 1,2V Wobei vielleicht doch. Könnte ich ggf. 2 Schottydioden in Reihe schalten? Kennst du irgendwelche die ich dafür benutzen könnte?
Hallo Redegle, interessant find ich deinen Satz: >Habe jedoch noch nie mit einem Mosfet gearbeitet. >Mein Vorhaben ist es einen Class-D Verstärker zu bauen. Sagen wirs mal so, ein vernünftiger Class-D Amp läßt sich nicht so aus dem Stegreif zaubern. V.a. nicht ohne Kenntnisse über die Funktionsweise von FETs! Also mein Vorschlag wäre, lass uns den Amp zusammen entwerfen, genau das will ich auch gerade machen. Ich bin in dem Bereich auch kein Profi, aber der Weg ist das Ziel. Praktischerweise würde ich ja vorschlagen die Ansteuerung der MOSFETs durch einen geeigneten Treiberbaustein vornehmen zu lassen. Diesen selbst diskret aufzubauen ist meiner Meinung nach zu zeitaufwendig und teuer (=Zeitverschwendung). Bevor wir über Spannung und Ströme reden würde ich mal sagen, sollten wir uns doch über die Leistung des Amps unterhalten. 100W, 200W, 2kW? Ich würd sagen so 200W pro Kanal ist für einen Class-D Amp mit H-Brücke schon Pflicht. Also was sagst Du? Grüße Georg
Hi Starkstromingenieur Bis ich soweit bin ans Praktische zu kommen das dauert, muss erstmal auf nen Oszi sparen und mir nen "Bastelraum" anschaffen. Sind gerade am umbauen. Ein guter Treiberbaustein währe zum Beispiel ein HIP4081A ist auch eine Top Sache. Einziges Problem ist das er bei großen Kapazitäten der Mosfets nicht mehr zu gebrauchen ist. Mein Ziel war es eine "universelle" Ansteuerung zu bauen, die auch größere Mosfets Treiben kann. Also hohe Spannungen und hohe Kapazitaten. Zum Thema Leistung Guck dir mal das Datenblatt eines IRFB3077 an. Der schafft locker 60A bei 60V. Eher noch viel mehr Strom aber das ist schwachsinn so laut werde ich niemals Musik höhren und so nen Netzteil werde ich mir auch nicht zusammenbauen. Etwas in seiner Größe wollte ich maximal Ansteuern können. Achso und einfach aus dem Hut zaubern ist natürlich nicht drin aber irgendwie muss man langsam sein Know How bekommen.
(Fast) alles was ich bisher an MOSFET-Ansteuerungen aus Transistoren und Widerständen gesehen habe - ist für die Tonne. Man konstruiert Heizungen um die Gateströme (1A) zu realisieren. Ein paar Kondensatoren über den Widerständen könnten die Flanken noch erhöhen etc. pp. Letztendlich landet man den üblichen High-Side-Treibern von IRF, TI und Konsorten und hat einen Treiber, der die High-Side isoliert per Boot-Strap-Kondensator mit bis zu 1,5A "fluten" kann. Vielleicht ist es gerade bei den Audio-Sachen auch noch von Interesse definierte Schaltungen zu haben, um den Sound nicht zu verbiegen. Oder kommt da gar kein gegenläufiges Monster-Cable ran ? ;-)
gegenläufiges Monster-Cable? Was soll das sein? Nein ich bin nicht einer dieser sogenannten Audiophilen wenn du das andeuten möchtest. Ok Wenn das alles Heizungen sind wie soll ichs sonst machen? Nenn mir einen Treiber der 250nC in unter 50ns treiben kann und ich nehme den. Wollte zuerst einen HIP nehmen hab aber dann hier im Forum erzählt bekommen das sei Unsinn der würde viel zu Heiß bei 250nC.
Sry wegen doppeltpost. Also es geht mir um den Weg wie ich dahinkomme. Hab gehofft das mir ein paar Leute sagen können wie man so Sachen am besten Dimensioniert etc. Bringt mir nichts wenn man immer irgendwo etwas kopiert oder wenn ich fertige Treiber ICs verwende und dann alles genau aus dem Datenblatt ablesen wie ichs bauen muss. Und weil du geschrieben hast FAST alle. Kannst du mir die Ausnahmen zeigen?
Ich würde den UCC27424 verwenden (4A Lowide) und mittels übertrager an das Highside- und Lowside Gate.
Hallo >Wollte zuerst einen HIP nehmen hab aber dann hier im Forum erzählt >bekommen das sei Unsinn der würde viel zu Heiß bei 250nC. 250nC? Was ist das für ein MonsterFET? Der IRFB3077 verträgt einen Konstantstrom von 120A!!! Damit kannst du eine Endstufe realsieren die in den KW Bereich geht. Guck dir mal diesen an: http://www.irf.com/product-info/datasheets/data/irfi4020h-117p.pdf Kommt laut Datenblatt mit Qgmax=30nC aus, desweiteren steht da drin: "Can delivery up to 300W per channel into 8Ω load in half-bridge configuration amplifier" des is schon ne ganze menge Holz und sollte locker ausreichen, meiner Meinung nach. gruß Georg
Danke erstmal Hab mir mal den Link zum Forum angeguckt sieht ganz vielversprechend aus. Aber nochmal zurück zu meinem Schaltplan. Auch wenn er ich sage mal "schlecht ist" könnte das so Funktionieren ohne das irgendwelche Bauteile zerstört werden?
Deine Schaltung funktioniert überhaupt nicht. Hab sie gerade mal analysiert / simluliert. Bis auf ein paar peaks wird sich nichts andeinem gatepotenzial ändern... hab die spannung über deinen TIPS auf 72V gelegt...
achja, als "schaltimpuls" hab ichn rechteck mit f=1Khz und Ton/Toff= 0.5 angelegt. Amplitude is 12V
Wo hast du genau gemessen? Am Gate? Hast du einen Widerstand unter den Mosfet geschaltet gegen 0V? Das kommt mir sehr komisch vor, dass das Rechtecksignal zwischen 70,94V und 70,97V schwankt. Kannst du bitte mal ein Bild des Schaltplans posten? Kann mir nur sehr schwer vorstellen wie du auf die Spannung kommst.
Mit den TIPs wirst du keine vernünftige Ansteuerung hinbekommen. OnSemi hat sich getraut, im Datenblatt die Schaltzeiten zu veröffentlichen. Ausserdem ziehst du über die 2 Dioden am Drain das Mittenpotential nach unten. Mit einem fertigen Treiber bist du echt besser bedient. Arno
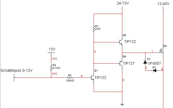
>Ausserdem ziehst du über die 2 Dioden am Drain das Mittenpotential nach >unten. Genauso siehts aus, hatte da gestern was vergessen, aber das Ergebnis is auch net besser
hier nochmal die schaltung.... mit dem MEsspunkt ganz rechts
Zum Thema Schaltzeiten des TIP122: TON=1.2µs, TOff= 8.5µs muss ich nochmehr sagen? Jetz mal einen andere Sache: Wie kommst du eigentlich auf die Idee, dass du es schaffen wirst eine On-Chip-Lösung eines namhaften Herstellers hinsichtlich seiner Parameter wie Schaltzeit und "QG"-Fähigkeit zu schlagen? Solche Gate-Driver sind jahrelang gefplegte Entwicklungen. Mit solchen "russischen" Komponenten wie dem TIP wirst du da gar nix reißen können. Eine Schaltung zu bauen die eine MOSFET-Brücke treibt ist sag ich mal drin, aber das besser zu machen als z.B. IRF ist mit deinem Ansatz nicht möglich. Du müsstest genauso vorgehen wie beim Design der eigentlich Endstufe: D.h. Streukapazitäten, Leitungswiderstände und v.A. auch Leitungsinduktivitäten auf ein Minimum reduzieren. Genau diese Parameter fallen die nämlich auf die Füße wenn die Frequenz steigt. Dann nochmal eine Frage, warum baust du den Treiber nicht mit MOSFETs auf? Wie willst Du Vgs für den Highside erzeugen? Normalerweise geschieht das über einen Bootstrap-Kondensator... Gruß Georg
Die Treiber wollte ich nicht mit Mosfets aufbauen weil fast überall steht das man dafür Bipolartranistoren benutzt. Vgs wollte ich durch eine Ladungspumpe erzeugen, welche immer die Steuerspannung (12V) auf die Betriebsspannung (12-60V) addiert. Ich komme/kam auf die Idee, da integrierte Lösungen meistens auf bestimmste Sachen entwickelt werden. Also einen bestimmten maximalen Ausgangsstrom, kleine Baugröße, wenig Eigenverbrauch. Meine Schlussfolgerung war, dass wenn ich eine höhe Verlustleistung und eine höhere Baugröße in kauf nehme ich auch höhere Ströme treiben kann. Zum Thema: TON=1.2µs, TOff= 8.5µs muss ich nochmehr sagen? - Ja z.B. welche Transistoren währen besser geeignet - Wie kommst du genau auf die Zeiten? Ja Datenblatt lesen ist klar aber wo in meinerm hab ich das net gefunden. Aber naja wenn eh alles nur niedergemacht wird hilft mir das eh net weiter.
Zum DB, wenn ein Bauteil noch gefertigt wird, lade ich mir schon mal die aktuellen Datenblätter der verschiedenen Hersteller direkt von dort runter. Bei dem vorherrschenden Trend zum 2-Seiten-Datenblatt mit einer Seite Grenzdaten und einer Seite Gehäusezeichnung bleibt oft gar nichts anderes übrig. Die Essenz eines Datenblatts liegt aber dazwischen. Ausserdem weißt du als Bastler nicht immer, welcher Hersteller schlussendlich geliefert wird. Gewerblich kann man umgekehrt schon mal sagen: den nicht. Zurück zum Thema: du hättest gerne eine funktionierende Schaltung. Verschiedene Hersteller bieten fertige Bausteine an, aus denen du den für dich besten aussuchen kannst. Stattdessen versuchst du mit ungeeigneten Bauelementen eine Lösung zu finden, die dich nur entmutigen wird. Ein Class-D Verstärker hält sicher noch eine Reihe anderer Fallen für dich bereit, deshalb sollte dein erster Versuch von den Bauteilen her schon mal funktionsfähig sein. Basteln soll schliesslich keine Depressionen erzeugen. Ansonsten fliegt das Teil irgendwann in die Ecke und vermodert dort. Du hast oben einen hoffentlich guten Link bekommen und es gibt bestimmt auch Seiten mit Grundsatzinformationen, TI könnte eine Anlaufstelle sein. Alle Hersteller dieser Bausteine veröffentlichen AppNotes und verschleudern Demoboards. Du musst noch nicht mal Chinesisch können, Englisch reicht. Arno
>Meine Schlussfolgerung war, dass wenn ich eine höhe Verlustleistung und >eine höhere Baugröße in kauf nehme ich auch höhere Ströme treiben kann. Das ist ja erstmal ein gutes Ziel... nur mit welchem Zweck? So eine große Endstufe möchtest du doch gar nicht bauen, dass du so große Ströme am Gate treiben musst. >Aber naja wenn eh alles nur niedergemacht wird hilft mir das eh net >weiter. Ich nenn das gerne konstruktive Kritik, bitte nicht falsch verstehen. Für die Schaltzeiten habe ich diese DB zu Rate gezogen: http://www.datasheetcatalog.org/datasheet/PowerInnovations/mXryrwu.pdf
Das von PI kannte ich noch gar nicht, danke. Meine Grundlage war das etwas optimistischere von ONS, daraus Fig.3: http://www.onsemi.com/pub/Collateral/TIP120-D.PDF Da in der Schaltung von Redegle zumindestens beim ersten Transistor auch kein negativer Basisstrom erzeugt wird, dürfte die Realität noch trüber aussehen. In der letzten Simulation sind beim TIP127 übrigens C und E vertauscht. Arno
hallo arno das stimmt wenn man C und E richtig platziert sieht das ergebnis so aus das die spannung am messpunkt zw. 72 u 69V schwankt...
Bitte melde dich an um einen Beitrag zu schreiben. Anmeldung ist kostenlos und dauert nur eine Minute.
Bestehender Account
Schon ein Account bei Google/GoogleMail? Keine Anmeldung erforderlich!
Mit Google-Account einloggen
Mit Google-Account einloggen
Noch kein Account? Hier anmelden.




