Hallo, ich habe eine Stromquelle nach: http://www.elektronik-kompendium.de/public/schaerer/currop.htm Bild 1.3 rechts gebaut. R2 ist meine Last. Das Problem ist, wenn R2 nicht beim Einschalten des ganzen bereits verbunden ist, regelt der Transistor voll auf. Steckt man dann R2 rein, liegt erstmal volle Spannung an und es gibt einen kurzen Stromspike. Sobald der OPA nachregelt legt sich der Spike und der Nennstrom fließt. Hat jemand eine Idee, wie ich den Spike unterdrücken könnte?
Hi, das hängt ein wenig davon ab welche sonstigen (vor allem dynamische) Eigenschaften die Stromquelle haben soll. Eine Möglichkeit ist es eine Induktivität in Serie zur Last zu schalten. Die begrenzt dI/dt. Wenn das lange genug dauert (sprich groß genuge Induktivität) hat der OPV auch kein Problem das ohne Überschwinger auszuregeln. Irgendeine Schutzbeschaltung die hohe Selbstinduktionsspannungen im Falle einer Unterbrechung verhindert würde ich auch noch vorsehen, z.B. eine Freilaufdiode. Gruß Reinhard
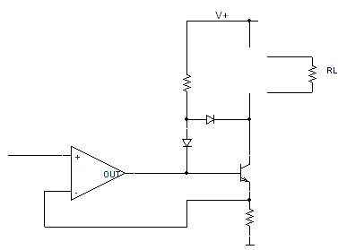
Hallo, Du könntest dafür sorgen, daß der Transistor auch ohne Last seinen Sollstrom zieht und dadurch im linearen Bereich bleibt. Z.B. eine relativ große Z-Diode oder eine künstliche Spannungsquelle mit Sperrdiode zwischen Kollektor und V+ legen. MFG Peter
So müsste es gehen (Anhang). Damit bleibt fast der gesamte Aussteuerbereich erhalten. MFG Peter
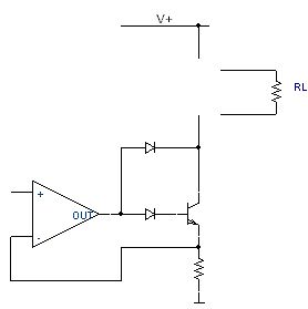
Ähm, wie soll diese Schaltung funktionieren? Die beiden Rs steuern den Transistor durch und gut. Was soll dann der Rest machen?
Wenn der Kollektor des Transistors keine Last hat, dann versucht der vorgeschaltete OPV ihn über die Basis maximal anzusteuern. Er geht also an den "Anschlag" am Ausgang (latch up). das kann man mit einem zweiten OPV erkennen, und entsprechend auswerten (z.B. den Basisstrom abschalten). Es muss nur so geschickt gemacht werden, dass das ganze Gebilde sich nicht selbst verriegelt - oder eine Rücksetztaste vorsehen.
Hey Moinzel, Weist du wie groß der Spike ca. ist? Überlege mir das als KSQ für eine LED zu verwenden. Grüße
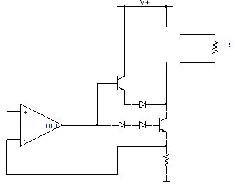
Gast wrote: > Ähm, wie soll diese Schaltung funktionieren? Die beiden Rs steuern den > Transistor durch und gut. Was soll dann der Rest machen? Das ist nur ein Ausschnitt aus dem oben genannten Link. Hier noch mal vollständig. Der zusätzliche Widerstand und die Dioden sorgen dafür, dass der Konstantstrom auch bei entfernter Last weiterfließt. Der Kollektor liegt hier bei entfernter Last ungefähr auf Basispotential, damit arbeitet der Transistor aber immer noch linear. Sobald eine Last zugefügt wird, steigt das Kollektorpotential, und das Hilfsnetzwerk wird funktionslos. MFG Peter
Das bedeutet dann aber, dass die volle Nennleistung verheizt wird, oder? Das ist in kleinen Gehäusen uU ein Problem!
Naja, das hängt ja von der Größe des Lastromes ab, die kenne ich ja nicht. Wenn es nur um wenige mA geht, wäre das hier noch einfacher.
Bei großen Srömen z.B. eher so. Das Ziel besteht lediglich darin, den linearen Bereich nicht zu verlassen, und die eigentliche Schaltungsfunktion möglichst nicht zu behindern. Edit: Falsches Bild
O.K, das klingt schon ziemlich heftig. Wie hoch ist denn die Spannung? Wie groß die Stellspannung? Ohmsche Last? Man könnte ja versuchen, den Strom bei fehlender Last runter zu regeln. Beim Anschließen der Last gibt es dann aber eine kurze Verzögerung, bis der Sollstrom erreicht wird.
Jawohl, ohmsche Last, 4 V Spannungsabfall, 6 V Gesamtspannung. Spannung vom OPA maximal 5,5 V bis max. 10 mA. Wie könnte man das machen mit dem Runterregeln?
So könnte es gehen. Ich habs aber nicht getestet. Der Dummywiderstand Rdummy soll dafür sorgen, dass der Transistor noch etwas Strom bekommt. Kann man u.U. weglassen, weil ja etwas Strom über den Bypasstransistor fließt. Wenn der Emitterwiderstand RE sehr klein ist, müßte der Reststrom ungefähr (6V-2*UD)/Rdummy betragen.
Oder so? Bei beiden Versionen darf der RL nicht zu groß werden, weil sonst die Bypassregelung einsetzt.
Peter Hoppe wrote:
> So könnte es gehen.
Ne, geht nicht:( Der Kollektor vom Bypasstransistor liegt niedriger als
seine Basis.
Peter Hoppe wrote: > Peter Hoppe wrote: >> So könnte es gehen. > > Ne, geht nicht:( Der Kollektor vom Bypasstransistor liegt niedriger als > seine Basis. Mach es Dir nicht so schwer Peter, und versuche mal folgenden Weg: Sorge dafür das Re so groß ist das bei Nennstrom +10% ca. 0.6 V abfallen. Dann nimm einen npn Kleinleistungstranssitor, Emitter an GND. Collektor an die Basis des Leistungstransistors der Stromquelle. Basis an den Emitter des Leistungstransistors der Stromquelle. Der zusätzliche Transsitor ist wesentlich schneller als der OP und sorgt dafür das der Leistungstranssitor zügig aberegelt wird. D.h. der Strompeak geht bei passender Dimensinierung von Re so ca. 5 bis 15 % über den Nominalstrom. Das ist wesentlich weniger als die Originalschaltung des TE hat. Der TE kann hoffentlich damit leben. Wenn Du das Design noch etwas profesioneller machen willst, spendierst Du dem npn Kleinleistungstransistor noch einen Basisiwiderstand (einige zig Ohm). Du ahnst sicher, warum. hth, Andrew
Hallo Andrew, wenn es für die Anwendung ausreicht ist das o.k. Ansonsten bin ich kein großer Freund von dieser Lösung (Exemplarabhängig, Übersteuerungsgefahr des OP im Normalbetrieb, Temperaturabhängigkeit,...). Hinter den OP-Ausgang sollte man auch noch einen Widerstand setzen.
Bitte melde dich an um einen Beitrag zu schreiben. Anmeldung ist kostenlos und dauert nur eine Minute.
Bestehender Account
Schon ein Account bei Google/GoogleMail? Keine Anmeldung erforderlich!
Mit Google-Account einloggen
Mit Google-Account einloggen
Noch kein Account? Hier anmelden.






