Hallo, Ich würde gerne wissen welches Handy am besten geeignet ist um es über µC mit AT-Befehlen anzusteuern. Und welches ist am billigsten! Bekomm ich die bei ebay? MfG, Niglo.
Nach meiner Meinung ist am, besten ein gutes altes Nokia 6610 geeignet. Ich hoffe Dir ist es klar, dass das ganze nicht ohne eine C-Control-Unit klappt, oder ? Zumindest ein Grundwissen im Fachbereich Basic M Unit sollte vorrausgesetzt sein. Ich hoffe ich konnte dir weiterhelfen mfg Franky....
Ich hab geglaubt, dass die AT-Befehle bei den meisten Nokias nicht funktioniert. Und wozu braucht man eine C-Control-Unit? MfG, Niglo.
Um den variablen Ausgangscode des frequenzabhängigen Senders auszuschließen um so an den Quellcode zu gelangen. Eigendlich ziemlich simpel, wenn man einmal durchgeblickt hat, aber auch ein wenig kniffelig. Ich wünsche Dir auf jeden fall viel Glück. Franky
@Franky: Häh? @niglok: Aktuelle Nokias mit Schnittstelle gehen auf jeden Fall. Ist nur eine Frage der Hardware. Meiner Meinung nach am einfachsten sind die Siemens-Handys, da kannst Du jedes nehmen. In Deinem Fall also die Billig-Serien, Axxx oder wie die auch heissen.
Am besten geeignet sind IMHO Handys von Siemens, da man diese direkt über die serielle Schnittstelle mit AT - Befehlen steuern kann (Pegelwandlung nicht vergessen).
Hallo Niglo, ich hätte noch ein Siemens C35 rumliegen (funktionsfähig, mit Akku, Ladegerät usw.), bei Interesse bitte Mail mit Preisvorschlag an mich. Thorsten
Also das Verhalten der Telefone ist standardisiert in mehreren Specs und die meisten Hersteller halten sich in den aktuellen Telefonen auch daran. Aus diesem Grund ist sicherlich Siemens nicht am besten geeignet. Selbstverständlich gehen auch die aktuellen Nokia, SE, Mitsubishi, etc. Zu den Siemens-Geräten dürften sich aber wohl die meisten Infos im Internet finden, da die Telefone hierzulande sehr verbreitet sind. Man muss nur auf eine per Stecker zugängliche Schnittstelle achten. Und @Semme: Pegelwandlung ist nicht nötig, wenn man den MC mit der heute üblichen Spannung von 3V betreibt (schon aus Stromspargründen zu empfehlen, die Telefon.Akkus halten ja auch so schon nicht lange).
@ Dieter: Sicher geht es mit anderen Mobiltelefonen auch allerdings ist meiner bescheidenen Meinung nach (deswegen "IMHO" in meinem vorherigen Posting) Siemens am besten geeignet. 3 Gründe dafür (zwei hast du bereits genannt): - viele Infos im Netz - weite Verbreitung der Telefone - einfache Ansteuerung Bei Nokia benötigt man beispielsweise das DLR-3P - Datenkabel um das Handy mit AT - Befehlen ansteuern zu können oder man simuliert den F-/M-Bus per µC was die Ansteuerung softwareseitig wieder etwas aufwendiger macht. Bei den Siemenstelefonen kann man - entsprechende Pegel vorausgesetzt - direkt den UART/RS232 verwenden. Wie es allerdings bei der aktuellsten Generation von Nokia/Siemens und bei anderen Herstellern aussieht, weiß ich leider nicht, da ich bisher nur etwas ältere Nokia- und Siemens - Modelle angesteuert habe. Die Pegelwandlung habe ich deswegen erwähnt, weil niglok nicht genau spezifiziert hat, mit was er ein Handy ansteueren will.
Bin ganz der Meinung von Semme!!! Endlich ma einer der sein Handwerk versteht!!! PS: Soll keine Beleidigung sein! mfg Franky
>Also das Verhalten der Telefone ist standardisiert in mehreren Specs so solltes es sein, richtig. > die meisten Hersteller halten sich in den aktuellen Telefonen auch > daran. eben nicht. > Selbstverständlich gehen auch die aktuellen Nokia, SE, Mitsubishi gerade bei den Nokia Handy habe ich die Erfahrung gemacht das der Basis GSM Standard nicht korrekt umgesetzt wurde und nicht alle AT&T Modies unterstützt werden, obwohl die laut GSM Pflicht sind. Siemens ist in diesem Falle wesentlich exakter und, Siemens hat viele gute zusätzliche Funktionen über den Herstellerspezifischen erweiteren GSM Befehlssatz realisiert. Auch dies ist bei Nokia mieserabel unterstützt. Aber, erst diese erweiteren Befehle sine es die wirklich nützlich sind um zb. Telefonbuch, Kalender, SMS Datenbank, Bilder, Klingeltöne, Bilder oder den Zugriff auf's interene Dateisystem zu bekommen. Nokia, Samsung oder Motorola ?! ha, bei vielen dieser Handys unterstützt das noch nichtmal die eigene Software zum Handy, eben weil es nicht durch deren GSM Protokoll unterstützt wird. Ich habe diese Erfahungen zwar nicht im Zusammenhang mit einem AVR gesammelt, sondern durch ein kommerzielles Projekt in dem über Seriell und Bluetooth ein Palm Handheld das Handy steuern sollte, aber in diesem Falle ist das unwichtig. Mit den neueren Siemens Handys gabs die geringsten Probleme, das ist meine Erfahrung. Gruß Hagen
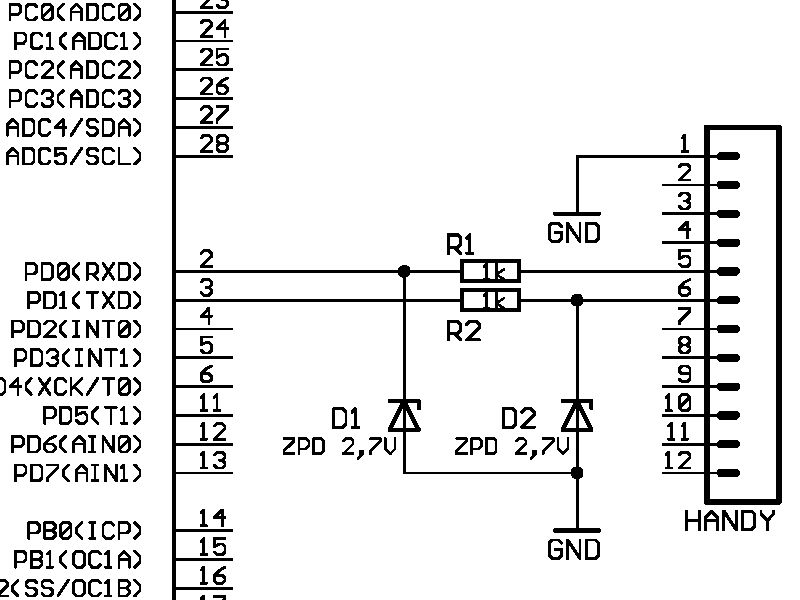
Hallo, Danke für eure Hilfe. Ich will das Handy direkt über einen AT89C2051 ansteuern. Könnte ich den dann so anschliesen? Wie muss die UART eingestellt sein (Baudrate, Parity, Stopbit)? MfG, Niglo.
Ach ja hab ich vergessen. Kann ich ein C35 verwenden oder muss das ein C35i sein.
Hi Leute! hätte da auch gleich mal eine frage; weiss wer vielleicht wie viel Strom z.B. Siemens S45 hergibt wenn man einen MC bzw. eine weitere beschaltung damit versorgen möchte?? (mir is klar, dass dadurch der akku drunter leidet, aba vielleicht weiss jemand wie viel das handy ca. hergibt!?) thx, gruss semo
@ niglok: Ja diese Schaltung kannst du verwenden. Sie läuft bei mir ohne Probleme. Der UART kann mit 19.000 Baud laufen (8 Datenbits, keine Parität, 1 Stoppbit). Für den Einstieg kannst du die Beispielprogramme hier im Tutorial verwenden ( siehe: http://www.mikrocontroller.net/tutorial/uart.htm ).
Hallo, Danke für deine Hilfe. Wenn ich ein Handy hab werd ich es gleich mal ausprobieren. MfG, Niglo.
Hi, was genau benöige ich denn nun alles, um z.B. mit Hilfe eines Atmel ATMEGA 103 und eines Nokias 5130 eine SMS zu verschicken? Wollte eine Alarmanlage in mein Auto bauen und bei ansprechen der Alarmanlage sollte mir das Handy eine SMS schicken.... Auch ein Anruf wäre nicht schlecht... Gibt es schon fertige C Programe für nen Atmel, mit dem man etwas in der Art zu realisieren? Vielen Dank für die Infos. Gruß Lars
@semo max 75mA, 150 gehen geradenochso. Wobei beim C35 die Akkuspannung direkt(na fast) durchgereicht wird, beim 45'er sind es stabile 2.75Volt. @all ich denke, ich kann sagen, das ich weiß, wie's geht und ob's geht... http://www.spynet.nu/kindersicherheit/walker.html http://www.phonetracker.de ich weiss nicht, wie aktuell die Seiten sind, den Phonetracker gab's auch als Nokia-Variante für's 6110,6210,6310,und 7110 OHNE Dlr3-P datenkabel. es sage also keiner das es nicht geht... Gut, es ging ja um AT-Befehle. Die Kommunikation lief auch auf dieser Ebene. Dem Nokia zu sagen, das der Controller stabile 2.8Volt braucht, ist, denke ich, beim Nokia das hauptproblem. hat man die erst mal, geht auch der rest. fazit: nimm ein altes Siemens-C35 und lege einen 1,5KOhm in die TX-Leitung vom AVR. den AVR kannst Du dann direkt von Handy versorgen und die Pegel stimmen einigermaßen.(Handy-Intern 2.7Volt) Gruß axelR.
TRÖT die besten handys sind c45 siemens. nokia lutscht - c35 auf jeden fall auch warum? da könnte ich seiten drüber schreiben... vergesst die ganze pegelwandlung - nehmt den saft aus dem handy [punkt] und schon habt ihr eine keine probleme und eine nette usv [ausrufezeichen] schaltplan auf meiner seite mitpommes und de greetX, [cmp] PS: phonetracker ist pleite, eurosafe sucks
Der Kollege sollte dann aber auch noch genannt werden, ist immerhin simpel und free: http://www.riccibitti.com/tinyplanet/tiny_intro.htm cu joern
Hallo Joern, <Zitat> Der Kollege sollte dann aber auch noch genannt werden, </Zitat> Es setz(t)en sich viele Leute mit dieser Thematik auseinander. Die einen versuchen damit Kohle zu machen, die anderen nur so aus Spaß. Dann müsstest Du die alle mit aufzählen... Lass mich mal noch anmerken, das der Phonetracker nischt mit obigem AVR-Projekt zu tun hat. Den Euro-Safe stellen zwei nette Leute aus D her, wo die Ihre Quellen beziehen, weiss ich nicht. wird aber alles seine Richtigkeit haben. www.eurosafe-electronic.de Da wird tatsächlich ein Atmel als Controller verwendet. Der Phonetracker hat einen Hitachi H8S-Controller mit eigenem, selbstgeschriebenen Assembler und ebenso hausgeschriebenen Compiler+ Bootloader. Diesen Kollegen zu erwähnen, wäre allerdings mal 'ne Maßnahme. Ich weiß aber auch, dass der das garnicht will... Da der Phonetracking-Dienst von Passo-Vodafone aber in seiner ürsprünglichen Form nicht mehr existiert, war der Phonetracker über die Zeit zum Schalt- und Überwachungsgerät "mutiert". Ursprünglich wurden ganz andere Aufgaben mit diesem Teil(chen) gelöst. Mal reinschauen in so ein Ding? bitte schön http://www.kh-gps.de/ptracker.htm Ich habe damals (2001) ja auch immer gesagt, das man da keinen teuren Hitachi nehmen muss, sondern das das auch mit einem AVR realisierbar sein müsste, jedoch war der Funktionsumfang des Gerätes durch Passo-Vodafone vorgegeben - somit wirklich nicht mit einem Tiny zu lösen! Zum Schalten und Walten, da hast Du sicher Recht, reicht der Tiny oder ein 1200'er o.ä. allemale.(siehe Eurosafe ect.) Das Design war aber schon fertig, da hatten wir nichts mehr drann geändert, und den Hitachi eben drinngelassen. Viele Grüße aus Potsdam Axel @CMP: einekleinspitzeschmeisss Zieh mal den Eurosafe ab und steck ihn wieder drann, vergisst er immernoch seine Parameter?
Bitte melde dich an um einen Beitrag zu schreiben. Anmeldung ist kostenlos und dauert nur eine Minute.
Bestehender Account
Schon ein Account bei Google/GoogleMail? Keine Anmeldung erforderlich!
Mit Google-Account einloggen
Mit Google-Account einloggen
Noch kein Account? Hier anmelden.
