Hallo zusammen! Ich habe bei einem Projekt zwischen 2 Pins eines Moduls ein Spannungssignal. Entweder kommen 4V DC oder eine Rechteckspannung (2Hz, 0V auf 4V, duty cycle 50%) raus. Ich möchte nun nur die Gleichspannung nutzen und bei der Rechteckspannung soll die nachgeschaltete Schaltung nichts machen. Wie bekomme ich es hin, das die Rechteckspannung weggefiltert wird bzw. wie kann ich zwischen der Gleichspannung und der Rechteckspannung unterscheiden (ohne ein Oszi dranzuhängen ;))? Gruß Thomas
Bei low-Pegel ein Monoflop triggern, das die folgende high-Zeit überbrückt.
Moin, moin! Danke für die Antworten. Hab auch eher an einen Tiefpass gedacht, aber das mit dem Monoflop klingt auch interessant. Ich werde mal beides basteln und schauen, was in der Performance nachher besser ist. Gruß, Thomas
Ein Tiefpass mit 1Hz bzw. 0,5Hz!? :D Viel Spaß beim basteln! Das wären bei 1000µF ca. 40Henry!
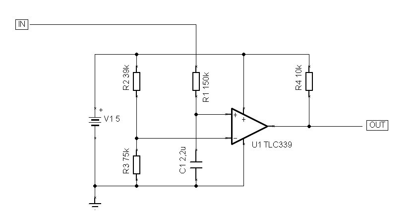
Im Prinzip ein UND-Schmitt mit 2 Eingängen. Den einen Eingang direkt auf den 4V bzw. 2Hz-Pin legen, den anderen Eingang lade-verzögern und entlade-beschleunigen (2 Dioden/2 Widerstände/Kondensator, so daß die Ladezeit bei Impulsen nie die Schaltschwelle erreicht, bei Dauersignal auf beiden Eingängen jedoch leicht verzögert schaltet. Dafür braucht man keine 1000µF und keine ca. 40Henry!
@ frogger: Wieder einmal einer der Leute, die in ihrer Mittagspause das Forum hier mit Müll versorgen. Danke. Das ein TP im unteren Hertz-Bereich schwierig zu realisieren ist, ist den meisten hier denke ich auch klar. Die Schaltung von ROFL ist allerdings schon recht brauchbar. @Knausriger: Das ist sowas, was mir die ganze Zeit im Kopf rumgeschwirrt ist. Rechteckignal soweit verzögern, das es nicht ankommt und das Gleichsignal kommt dann eben etwas später an. Guter Ansatz. Danke.
@frogger: yo. @andere: Oh ja, das mit der Diode zum Beschleunigen der Entladephase ist eine super Idee. Bringt deutlich weniger Signal am positiven Komparatoreingang bei AC.
Bitte melde dich an um einen Beitrag zu schreiben. Anmeldung ist kostenlos und dauert nur eine Minute.
Bestehender Account
Schon ein Account bei Google/GoogleMail? Keine Anmeldung erforderlich!
Mit Google-Account einloggen
Mit Google-Account einloggen
Noch kein Account? Hier anmelden.

