Hallo, wie wird bei einem Blitzgerät mit TTL-Steuerung die Leistung geregelt? Kann jemand vielleicht einen Schaltplan empfehlen bzw. weiß jemand, woher man das P-TTL Protokoll von Pentax bekommt, also eine Funktionsbeschreibung? Dankeschön!
Bei Canon wird die Leistung, soweit ich weiß, über die Dauer des Lichtpulses geregelt. Je Länger der Blitz "blitzt" desto stärker wird der Film belichtet. Die Start-Intensität ist jedoch bei jeder eingestellten Leistung die gleiche. Schöne Grüße, Alex
Alex22 wrote: > Die Start-Intensität ist jedoch bei jeder eingestellten Leistung die > gleiche. Yupp. Nach erreichen der eingestellten Blitzzeit wird der Bögen einfach gelöscht. Bei iTTL und Konsorten misst sogar die Kamera mit und löscht den Blitz dann Remote.
Wie wird der denn gelöscht? Nimmt man zum Zünden nicht einen Thyristor?
Ja, meistens wird der Blitz über einen Thyristor und Zündspule gezündet. In Serie zur Röhre liegen 2 weitere Thyristoren. Der eine wird beim Blitz mit gezündet. Der andere liegt in Reihe mit einem Kondensator parallel zum ersten. Wenn der Blitz jetzt abgeschaltet werden soll, wird der zweite Thyristor gezündet, und erzeugt durch den C einen Kurzschluss über dem ersten Thyristor. Dadurch löscht dieser, und der Lichtbogen schaltet ab. Das hat den Vorteil, dass die restliche Energie im Blitzkondensator verbleibt und der somit schneller Blitzbereit wird. Außerdem ändern Blitzröhren ihr Farbspektrum wenn die Blitzenergie unterschiedlich wäre. Ich habe einen Schaltplan zu meinem Studioblitz der so funktioniert. An die Protokolldaten zwischen Kamera und Blitz wird wohl sehr schwer ranzukommen sein. Evl. müsste man mal einen SCA Adapter von Metz zerlegen und protokollieren. Torsten
meinst Du den schaltplan könntest Du mal posten?
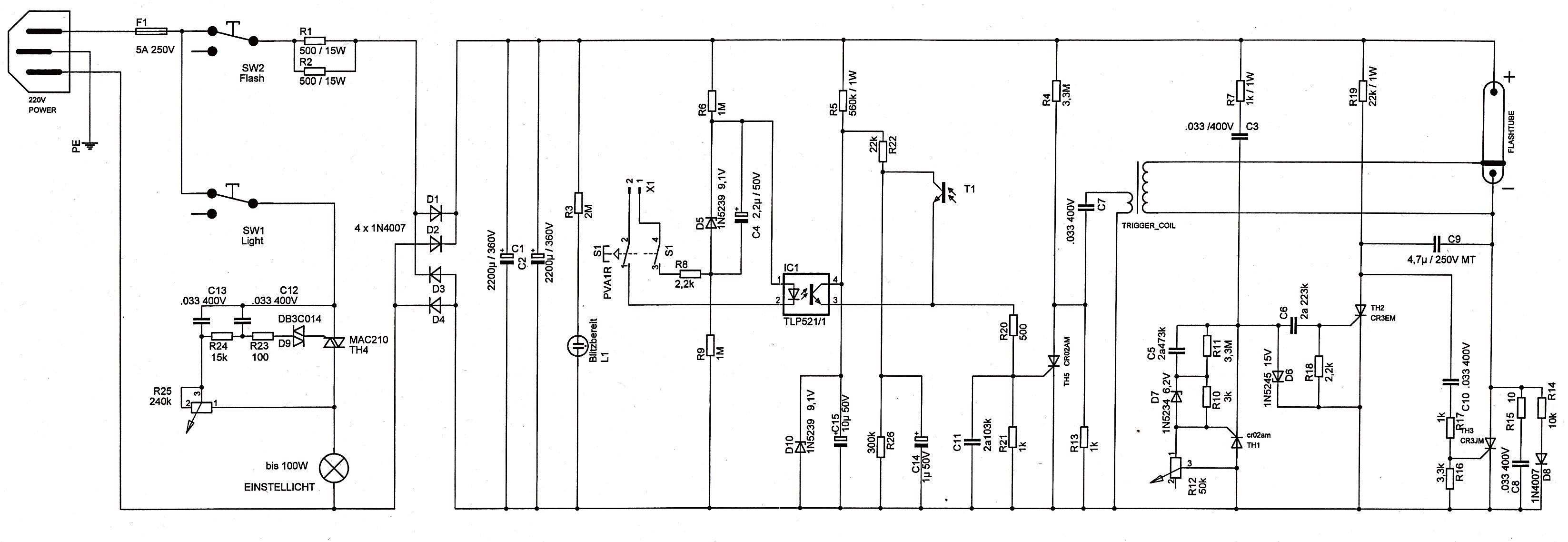
Anbei der Schaltplan des Studioblitzes. Ich musste ihn erst mal wieder einscannen. Marke des Blitzes sage ich nicht dazu, da ich den Schaltplan wegen einer Reparatur selber abgenommen habe. Torsten
Bei einfacheren Geräten wird der Blitz durch Kurzschließen des Cs mit einem Thyristor abgekürzt. Nachteil: der C muss für den nächsten Blitz wieder von 0V aufgeladen werden. "Marke des Blitzes sage ich nicht dazu, da ich den Schaltplan wegen einer Reparatur selber abgenommen habe." Verstehe ich nicht, sieht nicht wie selbstgezeichnet aus. Oder was meinst Du mit "selber abgenommen"? Bitte poste den Typ, damit auch später mit der Suche dieser Schaltplan gefunden werden kann.
Recht herzlichen Dank! Der Typ tut nichts zur Sache, vielen Dank!
@ Torsten ! Habe ebenfalls gerade ein Studio-Blitzgerät zur Reparatur ( Hensel Super Miniflash 500 ). Leider ist die komplette Elektronik verkohlt. Wäre deine Schaltung für ein Blitzgerät mit einer 500Ws Blitzröhre geeignet? Mfg, Stefan
Also es ist ein Blitz vom Brenner Fotoversand welche jetzt unter der Marke Elektra verkauft werden. Die hiesen früher mal anders, komme aber gerade nicht auf den Namen. Es ist ein 250Ws Blitzkopf. Den Schaltplan habe ich selber mit Eagle gezeichnet. Das ganze sollte auch für 500Ws funktionieren, allerdings müssten die Blitzelkos sicherlich anders dimmensioniert werden. Die zu bekommen ist sowieso das schwierigste. Torsten PS: Die Schaltung funktioniert super mit der Blitzröhre von Conrad (581577-62).
Mir ist der alte Name wieder eingefallen. Die Blitze hiesen früher "Interfit". Torsten
@Torsten: Hallo, ich habe ein paar Verständnisfragen zum Schaltplan: Der Kondensator C7 vor der Zündspule wird nur auf 1kohm/3,3Mohm*320V=0,1V aufgeladen. Warum so wenig? Der erste Thyristor ist "falsch" herum eingebaut. So ein Beschaltung habe ich noch nie gesehen. Wie funktioniert das hier? Am Schalter für den externen Blitz sind R6 und R9, je 1Mohm, um die Netzspannung abzuhalten. Soweit ich weiß ist ein einzelner Widerstand gegen L nicht mehr zulässig. Es müssen mindestens zwei oder gar drei sein, um den Ausfalle eines einzelnen Abzufangen.
Der Trend geht bei Blitzgeräten zu IGBTs, weil die Löschung dadurch deutlich vereinfacht wird.
IGBT? Warum nimmt man da nicht einfach Mosfets?
Weil Mosfets bei hohen Spannungen schlechter sind als IGBTs: Bei IGBTs ist der Spannungsabfall ziemlich konstant um die 2V, relativ unabhängig vom Strom. Bei Mosfets ist der Spannungsabfall dagegen proportional zum Strom. Bei einer Blirzröhre fließen locker mal 100A. Bei grob geschätzen 0,5Ohm und 100A sind das schnell mal 50V Spannungsabfall. Mal ganz davon abgesehen, dass Mosfet die 100A Spitzenstrom bei 400V können nicht ganz billig sind.
Hmm, stimmt. Kennst Du einen IGBT von Reichelt der die Daten kann? Die Suche bei Reichelt geht ja mal gar nicht!
Vergiss die IGBTs von Reichelt. Was die an IGBTs haben sind entwwder uralte Bauteile oder kleiner Typen. Digikey hat gute, neuere Typen. Ab und zu bekommt man auch mal auf ebay gute für wenig Geld.
Hmm, bei Ebay gibts nix über 50A in vernünftigen Gehäusen...
Ab und zu gibts mal welche in TO220 oder TOP247. Der SSM25G45EM wird oft für Blitze verwendet, da er klein ist, aber einen hohen Spitzenstrom verkraftet. Frag mich aber nicht wo man den bekommt.
Schau mal bei Pollin in den Schnäppchenmarkt, da gibts HGTG20N60B3D: Mit 160A Spitzenstrom sollten die für einen kleineren bis mittleren Blitz ausreichen. Notfalls ein paar parallel.
Vorsicht mit diesen Kondensatoren. In allen Blitzen die ich schon mal offen hatte stand explizit "Flash-Type" drauf. Auch in den kleinen Aufsteckblitzen steht das auf den C's. Siehe meinem gepostetem Schaltplan wird gar nicht so viel getue um die Halbleiter gemacht. Einfache Thyristoren. In keinem Studioblitz wird die Lichtleistung mit einer Photodiode oder sowas gemessen. So extrem ändert sich die Leistung nach einigen Blitzen auch nicht. Da bist du schon an der nächsten Location und misst das Licht eh neu. Schon bei verschiedenen Vorsätzen ändert sich das Licht. Ich würde sowieso die einzelnen Röhren getrennt steuern, wann braucht man schon mal das gleiche Licht bei allen Röhren? Torsten
Bitte melde dich an um einen Beitrag zu schreiben. Anmeldung ist kostenlos und dauert nur eine Minute.
Bestehender Account
Schon ein Account bei Google/GoogleMail? Keine Anmeldung erforderlich!
Mit Google-Account einloggen
Mit Google-Account einloggen
Noch kein Account? Hier anmelden.
