http://cgi.ebay.de/ws/eBayISAPI.dll?ViewItem&item=260344547524 Für die Preisklasse sehr gute Verarbeitung, rel. gute Spannungskonstanz (5.35V bei 1-130mA) sowie ein Leerlaufverbrauch von ca. 135mW (ohne die Status-LEDs nochmal weniger ;) PS: Hab mit dem Angebot nichts zu tun, fand die nur gut zum dauerhaften, Stromsparenden Betrieb von Controllern an 230V
Ich arbeite mit einem Schaltnetzteil von Pollin. Das ist das Schaltnetzteil ERICSSON 4020036-BVB 7,6V mit 600mA. Da kann man auch gut noch ein 5V LDO dran betreiben. Kostet 0,95€ und hat die Bestellnummer 350 377.
xeox wrote: > Für die Preisklasse sehr gute Verarbeitung, Ich gehe mal davon aus, dass du das Netzteil geöffnet hast wenn du die Verarbeitung kennst. Könntest du mal ein Foto von der Platine machen? > sowie ein Leerlaufverbrauch von ca. 135mW Das ist ein verdammt guter Wert, das sind rund 0,6mA bei 230V. Zum Vergleich: Das Ericsson Netzteil von Pollin verbraucht rund 0,8-0,9W im Leerlauf und ist damit irgendwo im Mittelfeld.
> Ich gehe mal davon aus, dass du das Netzteil geöffnet hast wenn du die > Verarbeitung kennst. Könntest du mal ein Foto von der Platine machen? klar. auf der linken seite befinden sich normalerweise noch eine usb-buchse sowie zwei status-leds, die ich zwecks festem einbau in ein gerät ausgelötet habe. dabei verringert sich die leerlaufleistung nochmals auf <110mW.
na ja, besser als das von meiner Lampe aus dem Baumarkt..... aber das CE/TÜV/GS/oder was auch immer Zeichen pappt sich halt eh jede chinesische Hinterhoffirma drauf.... was ich sagen will, häng lieber noch eine Sicherung in den Primärkreis! Viele Grüße, egberto
Könntest du auch noch ein Foto von der Unterseite machen? So wirklich hochwertig sieht das ja nicht aus, es existiert ja nichtmal ein Netzfilter. Im Vergleich dazu ist das Ericsson Netzteil HighEnd...
anscheinend wurde das ding in deutschland entworfen. steht jedenfalls "design in germany, made in p. r. c." drauf. > Könntest du auch noch ein Foto von der Unterseite machen? auf der rückseite sind keine bauteile mehr vorhanden. leiterbahnen und lötstellen sind sauber. kalte lötstellen gibts keine^^ wenns dich interessiert kann ich noch n bild einstellen, hab aber scho alles verräumt. > So wirklich hochwertig sieht das ja nicht aus so wirklich hochwertig kann das auch nicht sein bei 1.19€ verkaufspreis. aber im gegensatz zu manch anderem billigen handynetzteil ist das ding verdammt gut verarbeitet ;)
xeox wrote: >> Könntest du auch noch ein Foto von der Unterseite machen? > auf der rückseite sind keine bauteile mehr vorhanden. OK, wenn das so ist, dann ist das uninteressant. Allerdings vermisse ich irgendwie D2-D4 vom Brückengleichrichter am Eingang (den Bestückungsdruck sehe ich, aber wo sind die Dioden?) Daher dachte ich, die sind vielleicht SMD auf der Unterseite. Wenn das wirklich nur eine Einweggleichrichtung ist, und da nichtmal ein Vorwiderstand drauf ist, oder sonst etwas zum Entstören, dann dürften alle TÜV, CE, design in Germany usw. Aufrucke mit wahrscheinlich gefälscht sein. Sowas würde den EMV Test nämlich eher nicht bestehen.
> Allerdings vermisse ich irgendwie D2-D4 vom Brückengleichrichter
Ist wohl ein ein-Dioden-Gleichrichter
jetzt noch nen 7805 dran und schon hat man ein gutes und günstiges Netzteil für Mikrocontrollerschaltungen (mal abgesehen von dem Einweggleichrichter^^). Wäre mal eine Überlegung wert sich einpaar von den Dingern zu kaufen, so güntig bekommt man kein Netzteil hin. Danke für die Idee (hört sich blöd an, aber ich wäre da so nicht drauf gekommen^^) Gruß Daniel
noch was: Sollte doch kein problem sein, in der schaltung die fehlenden Dioden einzubauen, bzw einen fertigen Brückengleichrichter einzulöten. Bitte korrigiert mich wenn ich mich irre. @xeox: könntest du vielleicht doch nochmal die Unterseite fotografieren. Danke Gruß Daniel
> Sollte doch kein problem sein, in der schaltung die fehlenden Dioden einzubauen
Dann aber darauf achten das der Ladeelko auch die gleichgerichtete
Netzspannung aushält.
*.* wrote: >> Sollte doch kein problem sein, in der schaltung die fehlenden Dioden einzubauen > > Dann aber darauf achten das der Ladeelko auch die gleichgerichtete > Netzspannung aushält. Die Spitzenspannung sollte sich dadurch nicht ändern. Die Strombelastung des Elkos sollte sich sogar halbieren, da der Elko dann doppelt so oft geladen wird. Wenn ein Hersteller sogar am Gleichrichter spart, dann spart er vermutlich auch an anderen Sachen wie z.B. Überlastschutz und ähnlichem. Da bleib ich lieber beim Ericsson Netzteil: Das ist Kurzschluss und Überlastfest, man kann es sogar als Stromquelle verwenden. Die Spannung von dem ist sehr gut geregelt und gefiltert und man kann es durch den Austausch eines Widerstands auf andere Spannungen anpassen. Ich betreibe damit direkt 5V µC Schaltungen ohne zusätzlichen 5V Regler.
Der Hersteller könnte auch rechnen das der Elko ja nur alle 20ms eine kurze Zeit lang von der Spannung her überlastet wird ;) Den Fall, das das Ding ohne Last an der Stecktose hängt muss man heutzutage als Hersteller nicht mehr berücksichtigen (Ist der Ruf erst ruiniert...) /Satire Wenn es ein 350V-Typ ist kann man ihn gleich prophylaktisch gegen einen mit 400V austauschen, das wird mit längerem Leben gedankt.
Daniel P. wrote: > jetzt noch nen 7805 dran und schon hat man ein gutes und günstiges > Netzteil für Mikrocontrollerschaltungen (mal abgesehen von dem > Einweggleichrichter^^). Soweit ich das mitbekommen habe, beträgt die Spannung nur 5,35V. Da wird das mit nem 7805 nichts... Daniel P. ist eingetragenes Markenzeichen von mir^^ Ic
ach mist, ja sorry habe nicht dran gedacht das bei einem normalen Festspannungsregler Ue 2V größer sein muss als Ua dann haben wir wohl fast den gleichen Namen^^
Wenn der TO92 auf der Sekundärseite ein TL431 ist braucht man zur Spannungsregelung wohl nur einen Widerstand in dem Bereich durch ein Poti zu ersetzten.
Daniel P. wrote:
> dann haben wir wohl fast den gleichen Namen^^
Dann beschmutze ihn nicht :-)
*.* wrote: > Wenn der TO92 auf der Sekundärseite ein TL431 ist braucht man zur > Spannungsregelung wohl nur einen Widerstand in dem Bereich durch ein > Poti zu ersetzten. Das wäre jetzt SEHR interessant. @xeox: Wir warten brennend auf deine Antwort ;-)
Moin Moin, man nimmt EINE Diode statt 4, weil dann die Stromflussphase am kürzesten ist, und damit auch die Übertragung von EMV zur Netzseite. Das spart dann das Netzfilter ein. Gruß Wolfgang
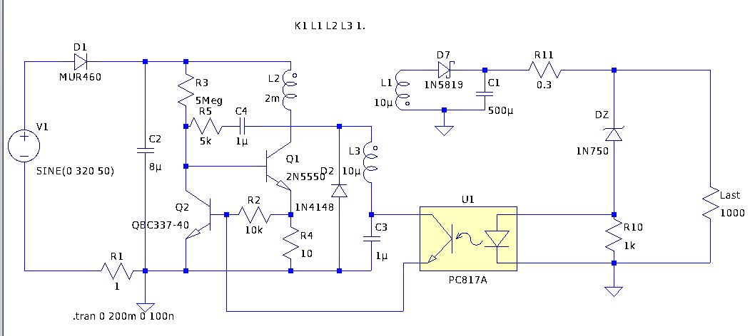
Was ist das überhaupt für eine Schaltung? Ich vermisse da die Regelung. Primärgetaktet scheint es zu sein, Q1 zerhäckselt vermutlich die gleichgerichtete Netzspannung. Was ist Q2 für ein Bauteil und wofür dient die "Rückkopplung" per Optokoppler wenn es garkein Regel-IC gibt? Worauf regelt man den Sekundärteil, wenn da scheinbar sowieso noch ein Linear-Regler sitzt? Eventuell knapp über den und den als LDO -> Minimaler Verlust, aber welcher Chinahersteller baut sowas*g*, die interessiert der Verlust doch nicht... Ich bin etwas interessiert ^^. Was mich immerwieder wundert ist, dass keine SMD Bauteile verwendet werden. Die Kondensatoren sehen optisch auf dem Foto sehr gut aus, weshalb ich auch nicht sagen würde, dass das Restbestände von vor 20 Jahren sind. Matthias Edit: Lasst mich raten, Q3 sekundär ist ein stink normaler Transistor. Diskrete Linearregelung? (Wozu sonst die Z-Diode da?)
hier erstmal das gewünschte foto. die schlechten lötstellen auf der rechten seite sind unbelegt stammen vom auslöten der usb-buchse sowie der dioden ;) den brückengleichrichter zu vervollständigen dürfte möglich sein, allerdings muss man dazu erst die nötigen löcher bohren und vermutlich den widerstand der sich momentan über den gesamten diodenbereich erstreckt anderswo unterbringen. von der spannung her dürfts keine probleme geben, da c1 auf 400V ausgelegt ist. wie die spannungsregelung funktioniert würd mich auch mal interessieren, evtl. kann man das ding ja auf höhere, resp. niedrigere spannungen umbauen.
ich habe auch mal vor kurzem ein kaputtes Netzteil von einem MP3-Player im gleichen Gehäuse auseinandergenommen. Auf der Sekundeärseite war überhaupt keine Regelung. Die Nennwerte waren 6V und 200mA. Ich schätze mal, dass die Ladeschaltung des Players auf einen Maximalstrom von ... eingestellt wurde, so dass die Spannung nicht zu arg zusammenbricht. Dieses Netzteil sieht noch einigermaßen passabel aus. Bei meinem gabs nicht mal die räumliche Trennung zwischen Sekundär- und Primärseite, die USB-Buchse saß direkt vor dem Schalttransistor.
Da ist doch ein Optokoppler drin - so regelt sich jeder primärgetaktete Schaltnetzteil. Wenn Die Ausgängsspannung größer als die Referenz wird, leuchtet der und benachrichtigt den Primär-IC. Hier ist das halt kein IC sondern ein selbstschwingendes Netzteil. In einer Elektor vor ein-zwei Jahren war da mal ein Artikel drin, wie diese funktionieren. Man muß nur den Widerstand am Optokoppler ändern - in Grenzen kann man die Spannung verändern.
Aber meinst du nicht, dass auf der Sekundärseite noch eine zusätzliche Regelung sitzt? xeox: Könnten wir die Beschriftung von Q1-Q3 noch bekommen? Außerdem die Werte der Widerstände R9, R10, R12. Der Wert der Z-Diode Sekundär wäre auch schön. R11 dient zur Strombegrenzung im Überlastfall - das Ding sollte also "kurzschlussfest" sein. Allerdings trau ich diesem Widerstand keine 5V/500 mA über längere Zeit zu, sieht so nach 1 bis maximal 2 W Typ aus. Ich male gerade den Schaltplan ab. Sehe ich das richtig, dass R9 total überflüssig ist? Das eine Beinchen von dem hängt nur an dem Lötpunkt zu der eingezeichneten Diode welche nicht bestückt ist... Das gleiche dürfte für R8 gelten. Edit: Bezeichnung/Wert von dem Widerstand neben DZ1 kann man auf dem Foto leider auch nicht erkennen... Edit2: Der Eingangswiderstand zu 230V sieht nach 100 kOhm aus, das würde aber etwas zu groß sein. Liege ich mit Braun Schwarz Gelb Gold falsch?
Hab hier mal ne Skizze angefertigt, ist nicht besonders toll, aber ich hatte keine Lust, das nochmal auf den PC zu übertragen.Q3 und Q2 sind unknown deshalb ohne Schaltsymbol. Welche Trafowicklungen durchgehen primär weiß ich auch nicht, deshalb ohne Schaltsymbol. Die Bauteile, wo man den Namen lesen kann, haben einen, der Rest nicht. Die Diode, gezeichnet über C3, ist D6. R3 lese ich 5,1 M ab, den Rest kann man nicht wirklich erkennen. Matthias Edit: Interessant ist, dass Q3 mit dem einen Pin auf R8 geht, welcher in der Luft hängt... Ist bestimmt ein Transistor, aber der würde ja mit nur 2 Pins garkeine Funktion haben?!?
Q3 ist wohl zusammen mit der Leuchtdiode als Last/Überlastanzeige gedacht. Den Widerstand zum Ausgang kann man überbrücken, der ist nur für die Lastanzeige da. Der Optokoppler wird nur von der Z-Diode gesteuert. Die könnte man durch eine mit höherem Wert ersetzen damit für einen Spannungsregler mehr "Luft" vorhanden ist. Oder durch eine Regelschaltung mit TL431 ersetzen wie in anderen Schaltnetzteilen üblich.
Aehm ja, da hab ich nicht aufgepasst... Die fehlenden "Dioden" sind ja Leuchtdioden, somit hängen die Widerstände nicht in der Luft, sondern sind LED-Vorwiderstände. Q3 zeigt also Überlast an, die andere LED einfach nur Betrieb, könnte allerdings gleichzeitig eine Art Grundlast sein, die ja ein Schaltnetzteil doch vielleicht ganz gerne hätte. Matthias
Grundlast ist hier nicht so sehr das Problem, nur eine Ausgangsspannung und der Optokoppler würgt das Netzteil bei zu hoher Spannung ab.
matze88 wrote: > Könnten wir die Beschriftung von Q1-Q3 noch bekommen? Außerdem die > Werte der Widerstände R9, R10, R12. Der Wert der Z-Diode Sekundär wäre > auch schön. Q1 13001 S 6D Q2 C945 P22C Q3 S9015 C 128 R8+R9 Vorwiderstand LED R10 3.9k R12 330 Z-Diode sek. C4V3 Eingang 1Ohm
moin moin, im Platinenfoto...L1 sollte eine stromkompensierte Drossel sein..wo ist die im Schaltplan? Q1 13001 S 6D dürfte ein MJE13001 (500V Schalttransi) sein, wird auch in Sparlampen verbaut. Q2 C945 P22C 2SC945? Q3 S9015 C 128 S9015? siehe http://www.datasheetarchive.com/search.php?q=S9015 mfg Pieter
Falsches Netzteil. Beim Schaltplan ist das andere Bild gemeint. Von dem Billigteil.
Hab grad zu dem Ericcsson Netzteil ne interessante Webseite gefunden: http://mitglied.lycos.de/bk4/ericsson.htm Gruß
Hi Ihr, hab das Ebay-netzteil mal in PSpice nachgebaut. Die Bauteile stimmen bestimmt nicht mit der Realität überein, das Verhalten lässt sich jedoch gut simulieren. (hab bisher keins gekauft :-) Der Grund für die geringe Standbyleistung lässt sich an der Simulation sehr gut sehen: Die Schaltung überträgt bei jeder Schaltperiode eine definierte Menge an Energie. Je geringer die Ausgangsleistung, desto geringer die Frequenz. Damit verringern sich bei geringer Ausgangsleistung die Verluste im Vergleich zu festfrequenten Netzteilen. Außerdem gibt es keine Minimallast. Der Startstrom ist mit 65µA (->5MegOhm -> 20mW) niedriger als der vieler ICs. Die Reglung kann man durch nen tl431 verbessern...
Bitte melde dich an um einen Beitrag zu schreiben. Anmeldung ist kostenlos und dauert nur eine Minute.
Bestehender Account
Schon ein Account bei Google/GoogleMail? Keine Anmeldung erforderlich!
Mit Google-Account einloggen
Mit Google-Account einloggen
Noch kein Account? Hier anmelden.





