Hallo, ich würde gerne eine Miniaturschaltung realisieren, welche beim Unterschreiten einer Temperatur eine LED anschaltet. Die Temperaturschwelle soll dabei etwa bei 10 °C bis 15 °C liegen. Einen echten Temperaturfühler einzusetzen und die Temperatur mit einem Mikrocontroller auszuwerten kommt nicht in Frage -- es ist viel zu teuer und aufwändig für das was ich vorhabe. Ich suche die günstigste, kleinste und einfachste Lösung! Ich möchte eine Knopfzelle (3V) für die Stromversorgung verwenden. Also habe ich an einen NTC gedacht, einen Widerstand, dessen Wert mit steigender Temperatur zunimmt. Diesen könnte man in Reihe mit einem zweiten (festen) Widerstand als Spannungsteiler zwischen GND und VCC verwenden. Somit hätte man eine von der Temperatur abhängige Spannung. Jetzt meine Frage: Kann ich diese temperaturabhängige Spannung nehmen und mit einem Operationsverstärker oder Transistor (oder irgendwas anderes -- ich habe leider keine Ahnung!) so verkuppeln, dass dieser mir an einen Pin VCC (niedrige Temperatur) bzw. GND (hohe Temperatur) legt? Der Strom, der an diesem Pin fließen muss liegt unter 100mA (eine LED). Ich freue mich auf Eure Anregungen! :-)
Hallo, wenn Du es schaffst, eine diskrete Lösung zu basteln, die funktioniert, sehr wenig Strom verbraucht und weniger als z.B. ein Tiny25, ein Widerstand und eine LED kostet, hast Du gewonnen. Tiny25, interner Temperatursensor nutzen, alle xx Sekunden aus dem Sleep holen, messen und wenn nötig die LED leuchten (besser blinken...) lassen. Sollte mit einer CR2032 länger als 1 Jahr halten. Der Ruhestrom einer diskreten Lösung ist vermutlich auch nur mit ziemlichen Aufwand klein genug zu bekommen. Ansatz wäre da für mich hochohmiger NTC-Teiler und ein 4093. Gruß aus Berlin Michael
MSP430F2002, internen Temperatursensor nutzen, alle xx Sekunden aus dem Sleep holen, messen und wenn nötig die LED kuuuuurz blinken lassen. Sollte mit einer CR2032 länger als 10 Jahre halten. Bietet einer mehr?
Hallo, also mir persönlich gefällt die Idee mit dem Schmitt-Trigger sehr gut, weil dann auch schon die Temperatur-Hysterese eingebaut wäre! Einziges Problem: Die Knopfzelle. Die bringt nämlich bloß 3V und im Datenblatt des 4093 steht leider was von 3.5V Hi-Pegel bei 5V Vcc. Jetzt ist die Frage: läuft der überhaupt bei 3V? Und wo liegt dann sein Hi-Pegel? Vielen Dank im Voraus! :)
Nimm ein HCMOS IC, die sind ab 2V spezifiziert. Sie laufen aber meist auch noch mit <1V.
Der Haken an einer µC-freien Lösung mit einem NTC ist der Stromverbrauch. Erstens der vom NTC, zweitens der vom im linearen Bereich betriebenen Gatter. Der Verbrauch eines passenden µC hingegen ist - egal ob mit internem Sensor (Schätzeisen) oder NTC (passabel) - fast schon in der Grössenordnung der Selbstentladung der Batterie.
Benedikt K. wrote: > Nimm ein HCMOS IC, die sind ab 2V spezifiziert. Sie laufen aber meist > auch noch mit <1V. Aber die LED nicht.
>Der Haken an einer µC-freien Lösung mit einem NTC ist der >Stromverbrauch. Erstens der vom NTC, zweitens der vom im linearen >Bereich betriebenen Gatter. Wieso braucht der NTC denn Strom? Ich habe an einen 330k-NTC gedacht, da fließen dann ja µA, was in Ordnung wäre. Wie viel braucht der Schmitt-Trigger und der Transistor dahiner? Bei der Leuchtdauer der LED würde ich mich zufriedengeben, wenn Sie etwa 5 Stunden leuchten könnte. Sie soll aber nicht blinken!
sandmann wrote: > Wie viel braucht der > Schmitt-Trigger und der Transistor dahiner? Beim HEF4093 sind es bei 5V Versorgung und 25°C dicht unter einem der Umschaltpunkte um die 125µA. Bei 3V weniger, aber dafür habe ich keine Daten. Der Transistor dahinter wird bei 74HC14 vielleicht überhaupt nicht benötigt (low-current LED statt Blendgranate), bei CD4093 nur wenn die LED leuchtet und dann ist es egal. > Bei der Leuchtdauer der LED würde ich mich zufriedengeben, wenn Sie etwa > 5 Stunden leuchten könnte. Sie soll aber nicht blinken! Wenn das Dings ziemlich oft leuchtet, dann ist der Stromverbrauch natürlich weit mehr von der LED abhängig als vom Rest.
A. K. wrote: >> Nimm ein HCMOS IC, die sind ab 2V spezifiziert. Sie laufen aber meist >> auch noch mit <1V. > > Aber die LED nicht. Kommt drauf an. Wenn die nur blinken soll, dann geht das wunderbar: Man verbindet den Ausgang über einen Kondensator mit der LED an der ein Pullup gegen die 1-1,5V hängen. Zunächst ist der Ausgang Low, der Kondensator läd sich dann auf. Schaltet man nun auf high, addiert sich die Kondensatorspannung zum high Pegel und die LED blitzt auf. Das beste an der Schaltung: Der Energieverbrauch ist derart gering, dass eine normale 1,5V Mignon Batterie mehrere Jahre lang hält. Genau das war nämlich die Schaltung für die ich das ausprobiert habe. Jetzt müsste man ausrechnen was länger hält: Eine Lithium Batterie mit 3V, nahezu keiner Selbstentladung aber wenig Kapazität oder eine 1,5V Batterie mit etwas höherer Selbstentladung, dafür aber mehr Kapazität.
Hallo, ich würde die LED trotzdem aufblitzen lassen, sind ja noch Gatter im HC14 dafür übrig... Gruß aus Berlin Michael
Kann mir jemand vielleicht eine solche Schaltung mit dem HC14 zeichnen? Meine Vorstellung ist im Moment: Spannungsteiler mit NTC zwischen GND und +3V. In der Mitte geht ein Leiter in ein beliebiges Gatter der HC14. Und an der anderen Seite schließe ich direkt die LED gegen GND an. Ist das so richtig? Wie muss die Schaltung zum Blitzen erweitert werden? P.S.: > 74HC14 bei 2V/25°C: 10-40µA Querstrom. Das ist natürlich schon viel...
Noch eine Kleinigkeit: Wie genau muss das sein? Schaltschwelle und Hysterese(!) vom 4093 und HC14 sind temperatur- und spannungsabhängig. Wieviel wäre nachzumessen. Die Temperaturabhängigkeit ist wichtig, wenn der eine andere und deutlich variable Temp. haben kann als der Sensor. Die Spannungsabhängigkeit kürzt sich nur raus wenn sie immer bei XX% und YY% von Vcc ist. Genau das garantiert dir da aber niemand. Müsste man ausprobieren. Genauer: Die CMOS-Versionen vom NE555/556 müssten sich als Schwellwertschalter und wohl auch als Schmitt-Trigger verschalten lassen. Beim 556 bleibt dann die andere Hälfte zum Blitzen. Stromverbrauch ist dafür etwas schlechter.
Es muss so genau sein, dass es zwischen "Kühlschrank" und "Zimmer" unterscheiden kann, die Schaltschwelle sollte also bei 10 °C bis 15 °C liegen. Zum NE55 zitiere ich aus der Wikipedia: >Aus heutiger Sicht ist der NE555 technisch veraltet: Die Versorgungsspannung muss über 4,5V liegen, der Ruhestrom ist mit bis zu 15mA sehr hoch. 4,5V sind zu viel, da ich nur eine einzelne Knopfzelle mit 3V verwenden möchte.
sandmann wrote: > Es muss so genau sein, dass es zwischen "Kühlschrank" und "Zimmer" > unterscheiden kann, die Schaltschwelle sollte also bei 10 °C bis 15 °C > liegen. Bimetallschalter. Hat den Vorteil das unter der Schaltschwelle kein Strom verbraucht wird, und überhalb nur der LED Strom. Ist Altbacken aber fast Unkapputbar und Störungsunempfindlich. Bimetallschalter gibt es auch in "Mini". Grüße Björn
Die Idee mit dem Bimetallschalter war meiste erste, bevor ich an den NTC gedacht habe. Allerdings habe ich keine so kleinen gefunden. Und auch keine, die bei diesen niedrigen Temperaturen schalten. Hat jemand eine Quelle? Ich würde gerne bei der Hardware unter einem Euro bleiben.
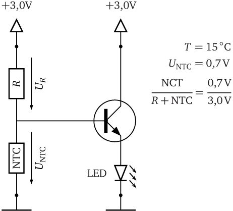
Wenn ich ohne die Hysterese eines Schmitt-Triggers auskommen könnte, wäre mein Schaltplan so in Ordnung?
sandmann wrote: > Zum NE55 zitiere ich aus der Wikipedia: Deshalb hatte ich ausdrücklich die CMOS-Version erwähnt. ICM7555/7556: ab 2V, 40/80µA Stromverbrauch. Zur Transistorschaltung: Die Basisspannung muss U(led)+U(bc) betragen damit es leuchtet. U(led)=2,0V. Bischen knapp bei 3V. Und damit der Basisstrom den Spannungsteiler nicht übermässig belastet muss der Dauerstrom durch den Spannungsteiler recht hoch sein.
Bitte melde dich an um einen Beitrag zu schreiben. Anmeldung ist kostenlos und dauert nur eine Minute.
  
  Bestehender Account
  
  
  
  Schon ein Account bei Google/GoogleMail? Keine Anmeldung erforderlich!
Mit Google-Account einloggen
Mit Google-Account einloggen
  Noch kein Account? Hier anmelden.

