Hallo, ich möchte mit meinem MEGA8 erkennen, ob ein Verbraucher Strom verbraucht oder nicht. Das ist außerdem mein Einstieg in den Analogbereich der Mikrocontroller. Dazu hab ich mir eine Schaltung aufgebaut, die man im Anhang betrachten kann. R1 ist 68kOhm Testweise nutze ich eine 60Watt Glühlampe. Ich hab mit dem Oszi den Analogeingang beobachtet und habe festgestellt, dass, wenn kein Strom fließt, eine Sägezahnspannung anliegt (Spitze 0,5Volt - Minimum 0,4Volt). Sobald ich die Lampe einschalte, seh ich eine verkorkste Halbwelle vom positiven Sinusteil. Spitze 2V geht runter bis auf 0,5V, verweilt dort solange die negative Halbwelle ansteht und dann kommt die nächste positive Halbwelle. Für die ADC-Messung verwende ich die Funktion ReadChannel() aus dem AVR-GCC-Tutorial. Wenn ich 400 Messungen oder mehr mit dem ADC mache, dann wird meine Bedingung für das Ausführen von Aktionen nicht mehr wahr, auch wenn ich als Schwellwert 0 angebe. Sprich sobald nur ein bisschen fließt, soll weiter gemacht werden. Problem ist nur, die Lampe ist an und es passiert nichts. Ich versteh nur nicht das Problem. Es liegt ja Spannung an, aber es passiert nichts. :(
Tiefer als GND kann der OPV nicht, auch mit negativer Eingangsspannung. Also dort ist der Fehler.
Kannst du das etwas deutlicher formulieren? Mein OPV geht ja nicht mal auf GND.
Eingangsspannung darf nicht niedriger als die an Vcc- Anschluß vom OPV sein.
Analogteil muß anders gemacht werden. Dauert mal kleinen Moment. Mit Controller kenne ich mich nicht aus. Wertest Du Wechselspannung am Eingang aus oder eine Gleichspannungsschwelle?
Am Eingang vom OPV kommt eine Wechselspannung rein ja. "50Hz Sinus über Wandler"
am idealsten wäre natürlich eine relativ stabile gleichspannung.
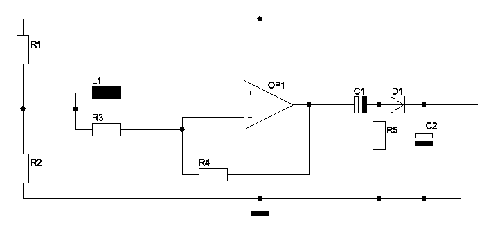
R1/R2 ist ein 50/50 spannungsteiler? Warum schick ich durch die Spule nen Strom? Der wird doch vom Wandler induziert?! Warum D1 - kommt etz da hinten eine Wechselspannung mit negativen Anteil raus?
Als D1 ev. auch eine Z-Diode um eine Schwellspannungswirkung zu erreichen. Müßtest Du mal testen.
Diode damit es eine Gleichspannung wird. Ja, 50/50
Durch die Spule fließt nur der Eingangsstrom des OPV, also sehr wenig.
Wäre es nützlich, wenn ich den OPV eine negative Vcc geben und dann am ausgang nur noch ne diode ranhäng?
Wäre nicht notwendig, so wie in obiger Schaltung ist es einfacher.
hm für was brauch ich dann c1 und r5? nur als filterglied?
C1 für Gleichspannungsabtrennung (Ub halbe am Ausgang OPV), R5 da C1 ja umgeladen werden muß.
Dann hätte ich jetzt mit einem ICL7660 -5V erzeugt und den OPV damit versorgt. Dann müsste ich nach dem OPV nur noch die Diode einfügen. Das RC-Glied wahrscheinlich auch oder?
Ja, der Ausgang muß so bleiben. Deshalb ist es einfacher R1 & R2 statt des ICL7660 mit den Kondensatoren zu nehmen. Der Eingangsstrom des OPV fließt durch die Wandelerspule in beiden Varianten, falls das Deine Bedenken sein sollten.
für r1/r2 sollten 68k doch in Ordnung sein? Wo kann man denn etwas über diese Gleichspannungsabtrennung nachlesen? Ich weiß nicht wie ich das RC-Glied dimensionieren muss.
R1/R2 10 kOhm, C1 47µF, R5 220-470 Ohm, C2 10-47µF, Parallel zu C2 eventuell noch ein paar kOhm zum entladen, wenn Last im Messkreis weg ist. (Eingangswiderstand des Kontrollers ist mir nicht bekannt) sind "aus-dem-Bauch-raus" Werte als Anhaltswerte.
was passiert eigentlich, wenn ich diese Gleichspannungstrennung nicht mache?
Dann hast Du am Ausgang einen Spannungswert von Ub/2 ohne Last im Messkreis bis Ub mit Last im Messkreis (jeweils abzüglich der Diodenflußspannung von D1)
Übrigens zu Deiner ersten Schaltung, unbenutzte OPVs so wie im Anhang beschalten.
super!! Ich hab jetzt mal alles nachgebaut und es funktioniert. Vielen Dank für deine Hilfe. Jetzt muss ich mich dahinter setzen und es anfangen zu begreifen. :) Nochmal Danke!
Bitte melde dich an um einen Beitrag zu schreiben. Anmeldung ist kostenlos und dauert nur eine Minute.
Bestehender Account
Schon ein Account bei Google/GoogleMail? Keine Anmeldung erforderlich!
Mit Google-Account einloggen
Mit Google-Account einloggen
Noch kein Account? Hier anmelden.



