Hallo, ich würde gerne die Frequenz 14,31818 vierteln damit ich auf eine Frequenz von 3,579545 komme. Dafür wollte ich ein JK-Flipflop verwenden. Ich weiß allerdings nicht wie ich die Pins belegen muss. Im Anhang hab ich mal ein Bild von der momentanen Belegung gemacht. Wird die Frequenz jetzt schon geviertelt oder muss noch etwas gemacht werden? Ist dieses Flipflop überhaupt dafür geeignet? mfg
Hallo, J und K müssen auf H-Pegel sein und R sollte auch nicht in der Luft hängen. Ansinsten geht ein 2-fach JK-FF dafür. Die obligatorischen 100n möglichst dicht am IC zwischen GND und VCC nicht vergessen. Gruß aus Berlin Michael
Hier der Frequenteiler als Erklärung: http://www.elektronik-kompendium.de/sites/dig/0212221.htm gruß hans
Danke für eure Antworten, ist jetzt vielleicht ne blöde Frage aber wie kann ich J und K auf H-Pegel setzen? 5V dran? Was soll ich mit Reset machen? Auf Ground?
> ist jetzt vielleicht ne blöde Frage aber wie kann ich J und K auf > H-Pegel setzen? 5V dran? Ja. > Was soll ich mit Reset machen? Auf Ground? Nein, die beiden Resets müssen ebenfalls an 5V, da sie low-active sind.
>ist jetzt vielleicht ne blöde Frage aber wie kann ich J und K auf >H-Pegel setzen? 5V dran? Ja. >Was soll ich mit Reset machen? Auf Ground? Nein - dann ist er aktiv und die Schaltung steht. Zu erkennen an dem Überstrich über dem R (=Low-Aktiv!) - der auch an Pin 2 da sein sollte. In meinem Datenblatt ist er es auf jeden Fall ...
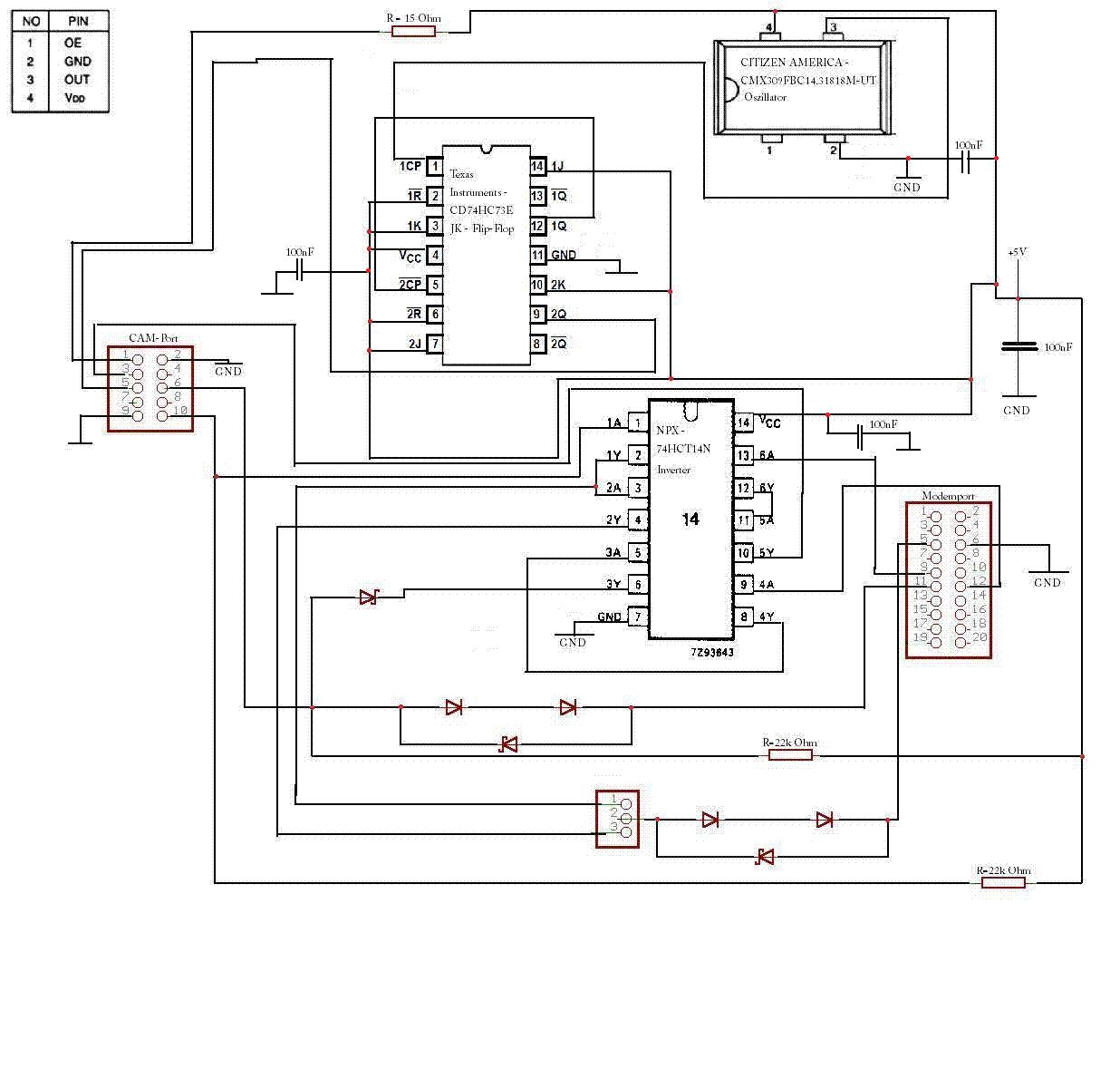
Vielen Dank für die schnellen Antworten! Hab jetzt mal mein Schaltbild vervollständigt. Geht das so in Ordnung wie ich den 100n Kondensator gesetzt habe? Ich weiß nicht wirklich ne gute Leitungsführung aber ich hatte nur Paint zur Verfügung.
> Geht das so in Ordnung wie ich den 100n Kondensator gesetzt habe? Im Schaltplan ist der Kondensator richtig eingezeichnet. Im Platinenlayout ist zusätzlich das von Michael U. Geschriebene zu beherzigen: > Die obligatorischen 100n möglichst dicht am IC zwischen GND und VCC > nicht vergessen. "Dicht" heißt, dass die Länge der Leitungen zwischen dem Kondensator und den Versorgungsspannungspins des ICs (VCC und GND) wenige cm nicht überschreiten sollte. Des Weiteren ist es üblich, jedes IC, in deiner Schaltung also auch den 74HCT14 und den Quarzoszillator, jeweils mit einem eigenen Kondensator auszustatten. Die Dinger kosten ja fast nichts.
Danke für die Antwort. Kann ich die Kondensatoren einfach am Ground Pin anhängen (siehe Anhang)? Wie genau wirken sich die Kondensatoren auf meine Schaltung aus? Warum sollte man einen Kondensator an jeden IC anschließen? mfg
@ Patrick (Gast) >Dateianhang: CAM.jpg (118,8 KB, 3 Downloads) Auch du solltest dich mal über Bildformate informieren. >Kann ich die Kondensatoren einfach am Ground Pin anhängen (siehe >Anhang)? Nein. Sie müssen PARALLEL zum IC an GND und Vcc geklemmt werden, so wie der C ganz rechts. >Wie genau wirken sich die Kondensatoren auf meine Schaltung aus? Warum >sollte man einen Kondensator an jeden IC anschließen? Sie liefern für ein paar Dutzend Nanosekunden hohe Ströme, welche die ICs im Umschaltmoment brauchen. MFG Falk
Die Kondensatoren liegen richtig, das was du hier allerdings mit deinem Bild gemacht hast ist fast noch schlimmer als nen Schaltplan als JPG zu posten: Du nimmst ein JPG mit relativ schlechter Qualität (=Komprimierung) und wandelst es nach GIF um... Du vereinst somit die Nachteile von JPG und GIF. Ein Wunder, dass das Bild trotzdem etwas kleiner geworden ist (und die Qualität dafür saumäßig gelitten hat).
>Ich weiß nicht wirklich ne gute Leitungsführung aber ich hatte nur Paint >zur Verfügung. Lad' dir EAGLE 'runter. Kostet nix und ist schnell gelernt. Bevor ich zum Schaltplanzeichnen Paint benutze, nehme ich lieber einen Bleistift. Ach ja: Das sol hier keine Werbung für EAGLE sein, es gibt noch eine ganze Reihe anderer Programme, die geeignet sind, ich kenne die aber nicht ...
Danke für eure Antworten. Von Eagle hab ich schon gehört. Ich werd mir das mal ansehen. Danke für eure Hilfe! Wenns Probleme gibt wende ich mich an euch gg mfg
Bitte melde dich an um einen Beitrag zu schreiben. Anmeldung ist kostenlos und dauert nur eine Minute.
Bestehender Account
Schon ein Account bei Google/GoogleMail? Keine Anmeldung erforderlich!
Mit Google-Account einloggen
Mit Google-Account einloggen
Noch kein Account? Hier anmelden.



