Ein letzter Hilferuf: Einige Tage habe ich nun darauf verbracht, meine zwei 4433 zum Laufen zu kriegen. Mit dem Parallelport-ISP (von rumil.de) und PonyProg2000 kann ich den µC beschreiben und auslesen, mit der Einschränkung, dass ich vor einem neuen Schreibvorgang die Schaltung einmal stromlos schalten und ein erase durchführen muss. Merkwürdig, aber dann geht es. Nur bekomme ich kein Signal aus dem AVR, egal, welchen Port ich verwende. Die Ausgänge bleiben hochohmig. Als Testprogramm dient das im Tutorial verwendete led.asm: ****************************************************************** .include "4433def.inc" ;Definitionsdatei einbinden, ggf. durch ;2333def.inc ersetzen ldi r16, 0xFF ;0xFF ins Arbeitsregister r16 laden out DDRB, r16 ;Inhalt von r16 ins IO-Register DDRB ldi r16, 0b11111100 ;0b11111100 in r16 laden out PORTB, r16 ;r16 ins IO-Register PORTB ausgeben ende: rjmp ende ;Sprung zur Marke "ende" Endlosschleife ********************************************************************** Bevor ich die 4433 nun in den Kamin schmeiße: Hat irgendeiner eine Idee, wie ich dem Käfer auf die Sprünge helfen kann? Kann man mit PonyProg irgendwas anstellen, was dem AVR die Innereien umdreht? Gruß, Gerrit
Nachtrag: Yaap erkennt den AVR, auch damit kann ich lesen & schreiben. Verify meldet ebenfalls Erfolg. Trotzdem bleiben die Pins tot... Gruß, Gerrit
Hallo... Ungünstiges Programm. Du legst damit nur die ISP-Pins auf H. Nimm doch mal einen anderen Port, z.B. PortD... (natürlich auch ddrd) Damit dürfte der Erfolg besser messbar sein. Auch mal mit AVR-Studio simulieren, da kommt man typischen Anfängerfehlern schnell auf die Schliche... Bit- & Bytebruch... ...HanneS...
Ich habe bereits alle 3 Ports ausprobiert (DDR's auch angepasst). Die Simulation bringt das gewünschte Ergebnis, der µC macht rein gar nichts. Zum Messen habe ich den ISP abgenommen. Gruß, Gerrit
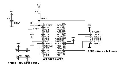
Naja, "machen" tut der bei dem Programm nix... Er setzt nur sofort beim Einschalten (also nach dem Reset) die dementsprechenden Pins auf L bzw. H. Bist du sicher, dass du die Pins richtig ausmisst (nicht beleidigt sein, aber ich habe da schon Haarsträubendes erlebt)? LEDs richtig gepolt, Widerstände korrekt? An Takt und Stromversorgung dürfte es kaum liegen, da dann ISP nicht funktionieren würde. Poste doch mal deine Schaltung, vielleicht ist ja da der Hund begraben... Bit- & Bytebruch... ...HanneS...
Hallo Hannes, die Pins messe ich jeweils gegen 5V bzw 0v ;-) Die Schaltung ist die aus dem Tutorial mit Kondensator am Reset-Pin. Das einzige, was ich jetzt noch probiert habe war, die Fuse-bits CSLK auf 010 zu setzen -> "Crystal Oscillator" laut Datenblatt, da ich einen 4Mhz Quartz verwende. Die Fuses ließen sich auch widerstandslos lesen / setzen. Die Pins hängen quasi in der Luft (keine LEDs dran), aber das dürfte wohl nix machen (werde ich jetzt wegen eines Anfängerfehlers gesteinigt??). Danke erstmal, Gerrit
Hallo Gerrit... Gegen +5V und GND messen ist ok. Mit den Fuses sollte man als Anfänger vorsichtig sein. Neue 4433 wurden so ausgeliefert, dass die mit Quarz funktionieren. Da ich nun nicht sehe, wie und was du so machst, kann ich nicht erkennen, warum das nicht geht. Gesteinigt wirst du von mir nicht. Ich habe auch so allerhand falsch gemacht und bin immer noch ein ganz kleines Licht in der (Hobby-) Branche. Ich war sogar zu blöd, mit Pony einen AVR (1200) zu programmieren, habe mir deshalb einen eigenen Programmer und die Software dazu gebaut. Mit 4433 habe ich ein (einfaches) Impulsteil für Fernsteuersender (7Kan.) realisiert, funktioniert prächtig. Dabei habe ich weder Fusebits noch Lockbits verändert. Wenn es dir hilft, und du zwei mal Porto investieren willst, dann kannst du mir die 4433 (+ Rückumschlag) mal zum Testen zuschicken, bekommst sie in jedem Fall zurück. Kannst sie vorher kennzeichnen. Wenn, dann schicke mir eine Mail wegen Adresse, wenn nicht, dann habe ich Arbeit gespart... ;-)) Bit- & Bytebruch... ...HanneS...
Danke für das Angebot! Einen der beiden habe ich einem Komilitonen mitgegeben, der mir selbiges angeboten hatte :-) Wenn der aber keinen Erfolg hat, werde ich gern auf dein Angebot zurückkommen. Kurios, was gestern (gegen Mitternacht) geschah: Ich habe mit BASCOM ein Lauflicht gebastelt, also die Pins von Port C nacheinander angeschaltet, mit je einer Sekunde Verzögerung. Port C machte jedoch gar nichts (wie immer), aber Pin 4 von Port B wechselte im Sekundentakt von 0V nach 5V!?! Also ganz tot scheint der 4433 nicht zu sein - nur gröber durcheinander. Kann man an den Dingern irgendwie ein "Masterreset" machen? Gruß, Gerrit
hast auch aref und avcc beschaltet? beim Mega8 geht der port c auch nicht unbeschaltet beiben.
Hi Gerrit... Du arbeitest nicht mit externem Quarz (wie bisher angegeben) sondern mit einem Quarzoszillator, also mit externem Takt. Daher wirst du wohl die Fuses anders einstellen müssen (Datenblatt Seite 23). Das sind die kleinen Übersetzungsfehler... Bit- & Bytebruch... ...HanneS...
Oooops - also doch external clock... Leider bin ich grad nicht zu Hause um es auszuprobieren. Wenigstens bleibt es spannend ;-) Danke!!! Gerrit
Hi... Ja sicher doch, dem AVR ist es doch egal, ob ein externer Takt von einem Quarzoszillator, von einem 555-Generator oder von einem (entprellten) Taster kommt, es bleibt externer Takt. Was das Datenblatt mit "crystal oscillator" meint, ist ein ganz normaler Quarz, der an XTAL1 und XTAL2 angeschlossen wird, mit Kondensatoren im pF-Bereich gegen GND als Anschwinghilfe. Hier hat ATMEL einfach mal eine ungünstige Bezeichnung gewählt, oder wir übersetzen sie zu blauäugig ins Deutsche... ;-)) Bit- & Bytebruch... ...HanneS...
Bitte melde dich an um einen Beitrag zu schreiben. Anmeldung ist kostenlos und dauert nur eine Minute.
Bestehender Account
Schon ein Account bei Google/GoogleMail? Keine Anmeldung erforderlich!
Mit Google-Account einloggen
Mit Google-Account einloggen
Noch kein Account? Hier anmelden.
