Ich habe mal wieder eine ungewöhnliche Frage: Gibts irgendwo Informationen, wieviel Strom ein ATMega-8 während der Programmierung des EEProm bzw. des Flash braucht? Hintergrund: Ich müßte den Atmel sehr hochohmig versorgen und fürchte, daß während der Programmierung der Saft ausgehen könnte. Auch würde mich interessieren, in welcher Form (Peak) der Atmel den Strom zum Programmieren aufnimmt. Gruß
Eine hochohmige Spannungsversorgung gibts nicht. Dieses währe eine Stromquelle, aber keine Spannungsquelle. Bei Betrieb einer MCU an einer Stromquelle ist die Spannungshöhe an der MCU abhängig von z.B. den Portbelastungen und Taktfrequenz. Probleme sind somit eingebaut. Also schön eine Spannungsquelle mit niedrigem Innenwiderstand verwenden!
Du hasts erfaßt - der Atmel wird an einer Stromquelle betrieben. Ich wollte eigentlich nicht so weit ausholen... Es geht um den Betrieb an einer 4-20mA 2-Leiter Schnittstelle. Die Betriebsspannung des Atmel wird - sehr vereinfacht ausgedrückt - von einem Linearregler auf 3,3V eingestellt. Und dort liegt der Hase begraben: Verursacht der Atmel beim Programmieren Strompeaks, könnte die ganze Linearregler - Geschichte ins schwingen geraten. Im Datenblatt habe ich keine Info diesbezüglich gefunden - da werde ich mich am Wochenende mal mit der Meßtechnik beschäftigen...
ein ausreichend grosser Elko und entsprechendes Schreibmanagment sollte das Problem lösen. Ich glaube auch, dass das Schreiben bzw. Löschen mehr Strom braucht. Wieviel? Keine Ahnung. Stellt sich die Frage, wie gross "ausreichend grosser Elko" denn nun ist.
Rund um den MAX1797 gibt es bei MAXIM eine App-Note zu genau diesem Beispiel. http://www.maxim-ic.com/appnotes.cfm/appnote_number/1158 Gruß AxelR.
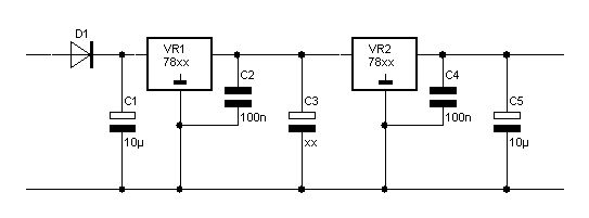
@thkais Yo,eigentlich recht Simpel zu erledigen. Im Anhang mal meine Lösung die ich hin und wieder so verwende. Is vieleicht nicht die Ideale Lösung aber sie funktioniert und ist Preiswert. Einige Anmerkungen dazu. D1 dient nur der Sicherheit und kann auch wegfallen. C1 dient der Pufferung und sollte natürlich der maximal auf der Schnittstelle auftretenden Spannung angepaßt werden. Der erste Regler ist bei mir nur als 78Lxx ausgeführt da bei 2-40mA keine nennenswerten Verluste auftreten. C3 ist der Energiespeicher für die Schaltung. Je nach zu erwartenden Stromspitzen muß er entsprechend Dimensioniert werden. Ich nehme meist 0.1-2F Cold- bzw. Ultracaps dafür. Für den Controller reicht aber auch nen 500-xx Mikrofaradelko aus. Regler Nr. 2 ist dann der übliche Standard und wird ebenfalls den Anforderungen angepasst. C2/4 brauche ich wohl kaum zu erläutern und C5 dient der kleinen Pufferung am Ausgang,kann aber auch wegfallen wenn gewünscht. Für deine Belange gehe ich mal von folgenden Werten aus.(Is natürlich nur nen Vorschlag) D1 1N4148 C1 10 uF/35V VR1 78L06 C3 1000 uF /16V VR2 LD-1117V33 (3.3V)
Bitte melde dich an um einen Beitrag zu schreiben. Anmeldung ist kostenlos und dauert nur eine Minute.
Bestehender Account
Schon ein Account bei Google/GoogleMail? Keine Anmeldung erforderlich!
Mit Google-Account einloggen
Mit Google-Account einloggen
Noch kein Account? Hier anmelden.
