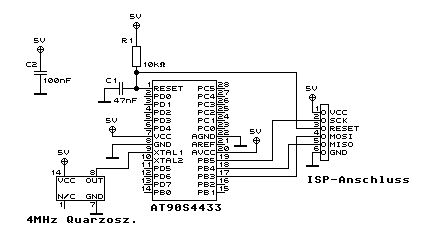
Hallo Leute, in der Schaltung sieht man 6 Anschlüße für die Programmierung von einem AVR µController. Besteht eine Möglichkeit einige dieser Leitungen wegzulassen zur Programmierung? Gruß Mike
Vcc wäre die einzige die mir einfallen würde. Alle anderen werden benötigt. Wenn du Vcc jedoch weglässt, musst du an der Schaltung beim Programmieren eine Spannungsversorgung anlegen. Grüße
Wenn ich VCC weglasse, kann mna doch auch GND weglassen? ODer? Vorausgesetzt, eine Versorgung von µC ist gegeben. Gruß
nein GND MUSS bleiben. Zitat Wikipedia.: Als Masse (engl. ground, abgekürzt GND) bezeichnet man einen leitenden Körper, der im Regelfall mit dem Potential 0 Volt definiert wird und das Bezugspotential für alle Signal- und Betriebsspannungen darstellt. wieso willst du dir eig. all diese Leitungen sparen?
Wenn du den Prozessor nur einmal programmieren musst, reicht es auch aus, dafür provisorisch ein paar Leitungen an geeignete Punkte (IC-Pins) anzulöten, oder, falls es das Layout hergibt, dafür Lötpads vorzusehen. Oliver
mike schrieb: > Weil ich keine Platz für Routing habe. µC extern programmieren Die Signale mit einer abnehmbaren Zange oder einem Clip direkt am µC anschließen. Bootloader Trotzdem ist es meistens eine gute Idee, auf einer Platine die 5 Pins für einen ISP vorzusehen. > Wenn ich VCC weglasse, kann mna doch auch GND weglassen? ODer? > Vorausgesetzt, eine Versorgung von µC ist gegeben. Wenn der µC versorgt wird, dann gibts da auch einen GND Anschluss. Ob du die GND Verbindung zum Programmer über den ISP Anschluss oder über den Versorgungsanschluss machst, ist erst mal ziemlich egal. Nur: eine GND Verbindung muss sein und wenn sie über 20 Ecken geht (nicht wörtlich nehmen)
> Weil ich keine Platz für Routing habe.
Ich habe auch meist keine Lust, einen ISP-Anschluss zu routen...
;-D
...
Bitte melde dich an um einen Beitrag zu schreiben. Anmeldung ist kostenlos und dauert nur eine Minute.
Bestehender Account
Schon ein Account bei Google/GoogleMail? Keine Anmeldung erforderlich!
Mit Google-Account einloggen
Mit Google-Account einloggen
Noch kein Account? Hier anmelden.

