Hallo, ich bin ein absoluter Anfänger auf dem Gebiet und hoffe durch das Forum eine Lösung für mein Problem zu finden. Ich besitze einen Atmega168 mit einm USB-ISP Programmer, siehe dazu untenstehenden Link. (http://www.happy-micro.de/index.php?option=com_content&view=article&id=94:usb-isp-programmer-fuer-atmel-mc&catid=46:unter-die-lupe-genommen) Ich habe den Programmer mit dem entsprechenden Treiber installiert. Er wird an COM3 als Diamex DX ISP ausgewiesen. Ich habe nun auf einer Platine IC Sockel angebracht und die entsprechenden Pins (MISO, MOSI, SCK, Reset, Vcc, GND) mit den Anschlüssen des 10pol. Steckers verbunden. Da der Controller 2 GND Pins hat, habe ich auch beide auf GND am 10pol. Stecker gelegt. Alle Leitungen haben Durchgang, Kurzschlüsse finde ich keine. Nach der Bastelarbeit Controller aufgesteckt... Aber leider schaffe ich es nicht ihn zu programmieren oder in irgendeiner Weise darauf zuzugreifen. Weder mir AVRDUDE (WinAVR), noch mit einem anderen Programm. AVR Studio sagt z.B. "Entering Programming Mode: FAIlED!" Am Programmer sehe ich zumindest wie ein Zugriff versucht wird. D.h. eine softblinkende rote LED leuchtet dauerhaft und eine grüne LED am Target springt an. Kurz darauf dann obige fehlermeldung... Langsam hat sich die Euphorie in Frust gewandelt, da ich keinen Fehler finde :-( Ich hoffe ihr könnt mir weiterhelfen... Schönen Gruß Henry
Hallo Henry, ich benutze den original ATMEL Programer AVR-ISP-MK2. Bei mir funktioniert auch alles einwandfrei. Irgendwo habe ich gelesen, daß es beim ersten programmieren eines AVRs Probleme geben kann weil dieser noch auf internem Takt läuft. Es wurde geraten in diesem Fall die Geschwindigkeit zu senken (durch Erhöhung von Wartezyclen). Falls Du diese Anweisungen nicht selber findest (in diesem Forum oder im Handbuch) melde Dich noch mal, dann werde ich meine Unterlagen durchschauen. Gruß Erik
Hi Erik, zunächst vielen Dank für Deine Antwort. So etwas habe ich auch öfter gelesen. Habe daraufhin in AVR Studio alle angebotenen Takte probiert, leider ohne Erfolg (dort steht auch ein Hinweis das der Takt zum Programmieren weniger als 1/4 des internen Taktes sein soll ?!). Es kommt stets zur gleichen Fehlermeldung: Entering Programming Mode Failure --> meintest du das, oder bin ich gerade auf dem Holzweg?
Kannst du "Read Signature" machen? (Main Tab im Mk2-Fenster vom Programmer) Die ISP-Frequenz ggf. anpassen!!!
Hi! Nein, geht nicht. Dann kommt stets die Fehlermeldung. Das ändern der Frequenz in AVR Studio (gleicher Karteireiter) hat auch nichts gebracht.
hast du denn schon geguckt, ob du einen anderen Controller erreichen kannst?
Habe leider keinen anderen da... Da müsste ich wohl noch einen Bestellen. Irgendwelche Empfehlungen dafür? Da niemand an der Beschaltung etwas auszusetzen hat, kann ich wohl davon ausgehen, dass diese korrekt ist? Oder liegt es vlt. an der Versorgung (fehlende Kapazität o.ä)...
welche Beschaltung?? Poste mal einen Schaltplan als JPG oder PNG
Henry schrieb: > > --> meintest du das, oder bin ich gerade auf dem Holzweg? genau das meinte ich, tut mir leid. Gruß Erik
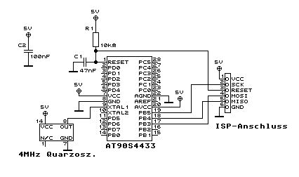
Sorry, kann selbst gerade keinen erstellen. Habe mich an den hier angehängten gehalten. Denk euch aber den Poti, die LES + Vorwid. und den Taster weg. Als keine Peripherie, lediglich die Anschlüsse wie in meinem ersten Post beschrieben.
ich benutze zwar eine 6-Pol ISP-Stecker aber da sollte der Unterschied nicht so groß sein. Meiner Ansicht nach gehört PC6 nicht auf GND sondern auf Pin 5 des Steckers. Gruß Erik
Ich habe den gleichen Programmer und er funktioniert einwandfrei.
Allerdings war in meiner Beschreibung dazu die Bezeichnung für die
Schalter vertauscht.
Vielleicht liegt es ja daran.
Hier sind die Schalterstellungen wie sie sein sollten:
Schalter 1 Schalter 2
On VTarget On 5V
Off VTarget Off 3.3V
Gruß
Daniel
Welche Schalterstellung braucht es zum programmieren? (eigentlich hatte ich auch schon alle Schalterstellungen probiert..)
Henry schrieb: > Das ist bei mir auch so. PC6 ist Reset und liegt an 5 dann versuch doch mal die Schaltung aus der Dateianlage (aus AVR-Tutorial http://www.mikrocontroller.net/articles/AVR-Tutorial:_Equipment) mit Pullup-Widerstand und Kondensator zwischen PC6 und Pin 3 (bei Dir Pin 5).
Wenn Schalter 1 an ist, dann wird der Mikrocontroller vom Programmer mit Strom versorgt, d.h. dann sollte auch Schalter 2 so gewählt werden, dass die Spannung mit der des mc übereinstimmt. Außerdem sollte dann die Spannungsversorgung des mc auch wirklich ausgeschaltet sein, da es sonst zu ungewollter Kernfusion im Programmer kommen kann :) Gruß Daniel
@Daniel: Ich hab mal eben gemessen. Schalter 1 auf ON bringt je nach Stellung des zweiten Schalters 3,3 oder 5V. Ok! Wenn ich den Schalter 1 auf Off stelle liegen (je nach Stellung von 2) immer noch 1,5 und 2V an. Kann das so richtig sein? Eine externe Spannungsquelle nutze ich nicht. Der Controller bekommt den Saft also ausschließlich über den Programmer. Die obige Schaltung hab ich bedingt getestet. Leider habe ich nicht alle Teile da. Ich kam gerade so auf 5kOhm und als Kondensator habe ich nur einen mit 10µF da. Abblockkondensator ist somit auch nicht vorhanden. Hatte das was möglich war verkabelt, keine Erfolg. WEiterhin festgestellt, dass an Reset im Leerlauf die eingestellte Spannung anliegt. Beim Versuch zu programmieren wird ordnungsgemäß auf GND gezogen (Spannung bricht weg)... dann kommt aber sofort sie Fehlermeldung und es liegen wieder 5 (3,3V). Kann nun leider nicht ausschließen ob es an den abweichenden Kennwerten/ fehlendem Abblockkondensator liegt,oder doch etwas anderes...
Schalter 1 OFF gibt bei mir 0V zwischen VCC und GND direkt am Programmer gemessen, ob es schlimm ist, dass du da noch eine Spannung hast, weiß ich auch nicht. Aber es hört sichja so an, dass der Programmer versucht zu proogrammieren, dann aber abbricht. Du kannst es ja einfach mal mit einem größeren Kondensator/Widerstand probieren... Gruß Daniel
Hmm... ist bei mir genauso, aber nur wenn der Conroller nicht steck. Stecke ich ihn auf die Leisten kann ich die beschrieben 1,5/2 V messen. Da wird wohl etwas von den Programmieranschlüssen kommen.
versuch mal den AVCC auf +5V zu legen anstatt auf GND das war bei mir auch schon mal ein Fehler. Vergiss es ich hatte die Brille nicht auf
Du meinst also alles so lassen wie es ist? Soweit ich weiß benötige ich AVCC zum gewöhnlichen flashen nicht, richtig? Ich bemühe mich zunächst um 10kOhm, Kondesnatoren etc. Zur Sicherheit noch einen weiteren Controller. Alternativ vlt. einen m8. Ich werde weiteres berichten...
Nun weiß ich aber wirklich nicht mehr weiter... Ich habe zusätzlich die beiden Kondensatoren sowie den 10k Widerstand eingesetzt. Abgesehen von einem Quarz ist alles vorhanden. Und trotzdem die gleiche Fehlermeldung. Ich kann nicht auslesen oder flashen. Reset wird wie üblich beu Zugriff auf GND gezogen ... und dann Abbruch. Um den Controller auszuschließen, hab ich in die bestehende Schaltung einen Atmega8 eingesetzt. Ergebnislos, gleiche Fehlermeldung. ...zum verzweifeln
waren die Controller denn neu oder waren die schon mal eingesetzt? Bei gebrauchten Chips könnte es sein, daß der interne Takt abgeschaltet ist. Den bekommst Du aber nur wieder eingeschaltet wenn Du eine externen Oszilator anschließt und ein Fuse-Bit änderst. Ansonsten würde ich sagen, daß Dein Programmer defekt ist. Gruß Erik
Beide chips sind neu. Das der Programmer evtl. hinüber ist habe ich auch schon überlegt. Zumindest zeigen die LED an dass er arbeitet bzw. zugreifen will. Eben hatte ich auch noch mal einen anderen Rechner ausprobiert, keine Besserung.
Ich werde versuchen den Programmer umzutauschen. Trotzdem die Frage: Was würdet ihr als günstige alternative Empfehlen (kein Testboard, nur Hardware zum flashen)?
Henry schrieb: > Was würdet ihr als günstige alternative Empfehlen (kein Testboard, nur > Hardware zum flashen)? Schau Dir mal das Tutorial an http://www.mikrocontroller.net/articles/AVR-Tutorial dort ist alles aufgelistet. Funktionieren müssten eigentlich alle. Ich Benutze den Atmel AVRISP MKII mit einer Streifenrasterplatine für den, im Tutorial beschriebenen Minimalaufbau. Gruß Erik
Ich habe neues zu berichten! Wie oben schon geschrieben, habe ich bei ausgeschaltetem VTarget trotzdem um die 1-2V messen können, allerings nur am Bretaufbau. Ziehe ich das Kabel ab und messe an den Pins des Programmers, ist alles i.O. (keine Spannung) Kurzum...Flachbandkabel vermessen. Und siehe da zwischen Vcc und MOSI ein kurzer. Hoffentlich ist das die Ursache allen Übels. Das ist so sicherlich nicht gedacht, oder? Bleibt nur die Frage, ob die Controller das nach den häufigen flashversuchen überlebt haben...
Es war der Kurzschluss im Kabel.... Jetzt läuft es super. Danke euch für die Hilfe!
Guten Tag an alle. Also ich habe mir jetzt auch so einen Programmer gekauft, und habe dazu auch ein paar fragen. Benutze ihn unter Vista. Habe dort wie in der anleitung stand im internet die inf datei gedownloaded und dann treiber installiert. Hat auch angezeigt dass install erfolgreich war. In Bascom bei der Einstellung USb serial numer, was muss man da einstellen? Habe den Programmer mal im leerlauf getestet und dann blinkt wenn ich auf auto programm drücke eine kleine dos box auf, aber ich komme nicht in des normale menü nach dem programmieren. jetzt ist die frage, ist des normal so, und wenn ich dann en µC angeschlossen hätte würde des alles funktionieren. Habe erst in 2 wochen ne platine mit µC. deshalb teste ichs im leerlauf atm :) Wäre toll wenn ihr mir dazu en bissle helfen könntet :) mfg
Mein Programmer ist auch angekommen (da wie oben im 1. Post), aber so wie es aussieht wird wohl doch umständlicher mit der Einrichtung :/ Mit der Einstellung STK500 in Bascom (so wie in der Anleitung steht) öffnet sich beim drücken des "FLASH" Buttons nur ein Windowsexplorerfenster mit dem Outputfolder von Bascom. scheinbar brauch man noch das AVR Studio, welches ich mir jetzt heruntergeladen habe, aber das ist ja total konfus...
So, der wollte nur die stk500.exe haben... Betreibt einer von euch auch soeinen USB STK500 kompatiblen ISP Programmer und event. sogar in Bascom? Das Proggen in AVR Studio funzt wunderbar, allerdings geht in Bascomn garnix. Wo er vorher noch nach der STK500.exe gefragzt hat, passiert jetzt nix nach dem "Flashbutton". Hat jemand eine Ahnung woran das liegen könnte und wie man das Problem löst? thx
Bitte melde dich an um einen Beitrag zu schreiben. Anmeldung ist kostenlos und dauert nur eine Minute.
Bestehender Account
Schon ein Account bei Google/GoogleMail? Keine Anmeldung erforderlich!
Mit Google-Account einloggen
Mit Google-Account einloggen
Noch kein Account? Hier anmelden.

