Hallo, kennt jemand von euch eine Schaltung mit diskreten Bauteilen (kein MAX3232) mit der man einen 3,3 Volt Pegel in RS232 konforme Pegel umwandeln kann? Danke schonmal.
Gegenfrage: Hast du noch andere Spannungen größer 3,3V zur Verfügung?
>@holger: ja, hätte zur Not noch 5V.
Für Tx nimmst du dann einfach einen Transistor
zum invertieren des Signals, und am Collector
einen Pullup auf 5V. Für kleine Baudraten reicht das.
@Holger: aber die Standardkonformen +-12V kriege ich doch so nicht hin. Wie müßte denn die Schaltung aussehen wenn ich sagen wir mal einen Kondensator für die -12V über die von mir nicht benutzte RX Leitung aufladen wollte?
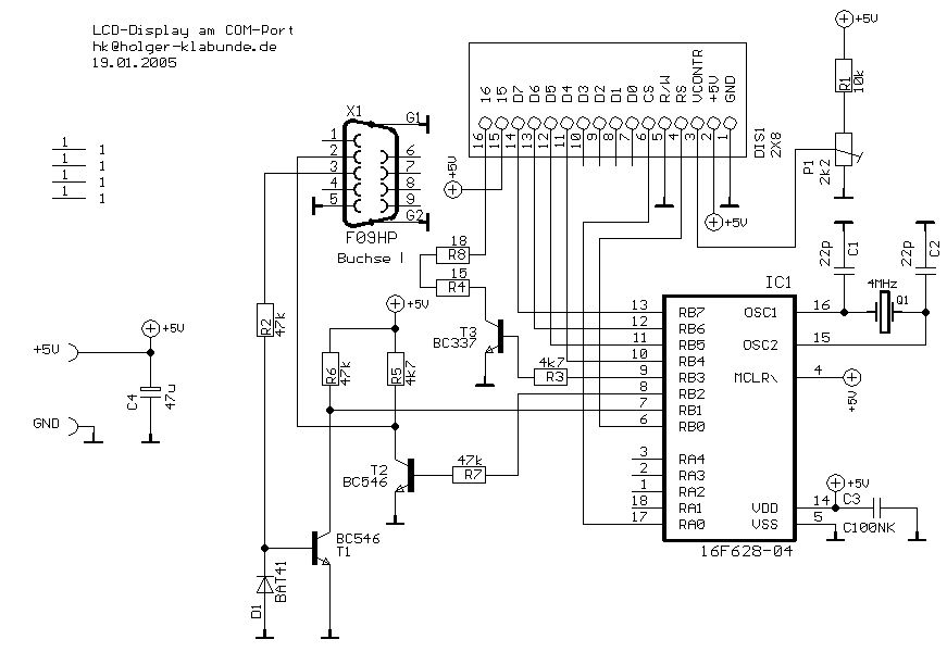
>@Holger: aber die Standardkonformen +-12V kriege ich doch so nicht hin. Musst du ja auch nicht. Im Anhang mal eine kleine Schaltung die ich mit einem PIC benutze.
> mit diskreten Bauteilen (kein MAX3232)
warum soll man sowas wollen? Der Aufwand dürfte größer sein als einen
Max232 zu verbauen.
Wenn du zu den Standardpegeln konform sein willst, dann verwende eine der TX Leitung der anderen Seite als negative Versorgung. Die ist nämlich wenn nix drauf läuft auf negativem Potential. Und 5V für's Positive reicht aus (>=3V). Realisierbar beispielsweise mit 2 Widerständen und einem Optokoppler. Das ist dann sogar galvanisch getrennt.
@holger: Danke für den Schaltplan. @A.K.: an soetwas habe ich gedacht, wie muß das aufgebaut werden?
Bitte melde dich an um einen Beitrag zu schreiben. Anmeldung ist kostenlos und dauert nur eine Minute.
Bestehender Account
Schon ein Account bei Google/GoogleMail? Keine Anmeldung erforderlich!
Mit Google-Account einloggen
Mit Google-Account einloggen
Noch kein Account? Hier anmelden.
