Hallo Elektroniker! Ich habe ein riesiges Problem mit einem Schaltregler-IC: Die im Dateianhang abgebildete Schaltung wurde bis auf wenige, unbedeutende Änderungen (rote Kreise) der Typical Application-Schaltung des Herstellers, National Semiconductor, nachempfunden. Allerdings weisen die Ausgangsspannungen (Vcc=5V, V3v3=3,3V) eine Restwelligkeit von knapp 1V auf, was nicht tragbar ist, da auf der Platine, auf der sich der Schaltregler befindet, auch ADCs verwendet werden sollen. Folgendes habe ich schon getestet: - Signalground und Powerground sowie die Ground-Anschlüsse der Spannungsteiler, die die Ausgangsspannung definieren direkt mit dem "idealen Ground-Punkt" der Schaltung verbunden, um sicherzustellen, dass kein Widerstand der Masse-Leitung die Messgröße des Reglers beeinflußt --> keine Änderung - Die Schaltung mit einem Laptop-Netzgerät, einem Akku und einer geregelten Spannungsquelle versorgt, um die Abhängigkeit der Ausgangswelligkeit von der Eingangswelligkeit zu testen --> Kein Einfluss durch die Eingangswelligkeit - Verschieden große Versorgungsspannungen gewählt --> Restwelligkeit wächst mit höhe der Versorgungsspannung Vs Jetzt bin ich am Ende und weiß nimmer weiter. Die Schaltung hat so angeblich schon einwandfrei funktioniert.. Layoutfehler kann ich leider auch nicht ausschließen, wobei keine einfachen, direkt ersichtlichen Fehler vorliegen. Das Problem tritt bei zwei versciedenen, jedoch baugleichen Platinen auf, weswegen defekte Bauteile wahrscheinlich ausgeschloßen werden können.. So, ich bin für jede Hilfe und jeden noch so kleinen Tip dankbar, Gruß, Jo!
da die Schaltung sehr übersichtlich ist, kann man einen Softwarefehler wohl ausschließen. Mehr fällt mir dazu leider nicht ein.
standardfrage: Was für Ausgangskondensatoren verwendest du? Evenentuell kannst du sogar die Herstellerseriennummer nennen? Vermutung: zu hoher ESR
Ein hoher ESR hat nicht solche Auswirkungen! Daran liegt es sicher nicht!
Hast die Schaltung mal belastet? Kann ja sein, dass die Regelung ohne Last nicht 100% sauber läuft. Vielleicht fängst du dir einfach messtechnisch was ein. Wenn ich Störungen auf dem Scope hab bastele ich mir am Anschluss des Tastkopfs ein Zwischenstück mit nem Widerstand (bei nem Netzteil ruhig ein ziemlich kleiner). Also direkt ans scope klemmen. Ob das wirklich was bringt weiss ich aber nicht genau :)
Natürlich kann der ESR solche Auswirkungen zeigen. Wenn die Kondensatoren völlig ausgetrocknet oder kaputt sind dann schafft der Kondensator sich nicht richtig auf/ent-Laden und es gibt bei last einen völlig vermurksten Ripple. Wurde doch mit Last getestet oder?
Joachim Utz schrieb: >> Folgendes habe ich schon getestet: > - Signalground und Powerground sowie die Ground-Anschlüsse der > Spannungsteiler, die die Ausgangsspannung definieren direkt mit dem > "idealen Ground-Punkt" der Schaltung verbunden, Welcher sollte das wohl sein? > - Verschieden große Versorgungsspannungen gewählt --> Restwelligkeit > wächst mit höhe der Versorgungsspannung Vs > > Jetzt bin ich am Ende und weiß nimmer weiter. Die Schaltung hat so > angeblich schon einwandfrei funktioniert.. Layoutfehler kann ich leider > auch nicht ausschließen, wobei keine einfachen, direkt ersichtlichen > Fehler vorliegen. > Das Problem tritt bei zwei versciedenen, jedoch baugleichen Platinen > auf, weswegen defekte Bauteile wahrscheinlich ausgeschloßen werden > können.. Deine Messung ist Mist. Bzw. der Anschluß Deines Scopes. Was die anderen Poster schon richtig beschrieben haben. >
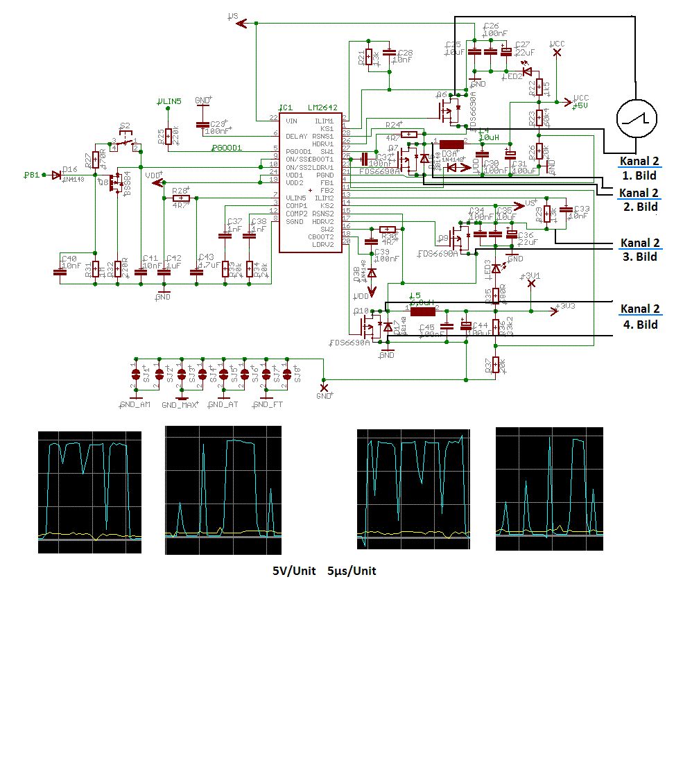
Hallo nochmal! Erstmal danke für die vielen Antworten! Die Schaltung wurde sowohl belastet (1A pro Kanal, 3A sollte sie können) als auch unbelastet getestet, wobei keine nennenswerte Änderung auftrat. Aber das mach ich heute Abend gleich nochmal, da ich damals nicht speziell auf die Restwelligkeit geachtet hatte und das jetzt mal genau vergleichen will.. Hatte im Internet einen Artikel, ich glaube bei Praxis Elektronik oder so, gefunden, der besagte, dass Schaltregler-ICs sogar einen nennenswerten ESR benötigen, um überhaupt einen Wert messen und einregeln zu können. Hab ich zwar technisch nicht verstanden, da ich die Arbeitsweise des ICs nicht verstehe, aber sicherheitshalber die verbauten MKS-Kondensatoren (C25,C35 = 10 uF) durch 10 uF-Elkos ersetzt.. Jedoch auch keine Änderung.. Und ich denke, dass es nicht am hohen Ersatzwiderstand der MKS-Cs liegt.. Wobei die auch nur vor dem Schalttransistor verbaut wurden.. Der eigentliche Glättungskondensator der Schaltreglers ist nur ein (neuwertiger) Elko, wird aber auch so von National empfohlen.. Zur Ground-Führung: Der Schaltregler ist Teil einer größeren Platine, bei der auf die Führung des Ground-Stromes besonderen Wert gelegt wurde. So verfügen alle Schaltungsteile über je ein separates Groundpolygon. Die GND-Leitungen laufen sternförmig auf einen gewählten, "idealen" GND-Punkt zu, welcher auf Signal- und Powerground des Schaltreglers gelegt wurde. Dadurch wollte man verhindern, das Groundströme undefiniert durch die Schaltung irren und ein undefinierbarer Widerstand über GND abfällt. Natürlich ist das GND-Potenzial nicht absolut fehlerfrei 0 und ich bin auch kein Layout-Profi, aber schlecht ist die Signalführung auf der Platine im Allgemeinen nicht. Allerdings könnte es auch sein, dass durch die direkte Verbindung von Power- und Signalground Störeffekte (durch z. B. die hohe Schaltfrequenz des Powerteils des Schaltreglers) auftreten.. Allerdings würden diese wohl minimiert werden, wenn man PGND und SGND direkt mit dem physikalischen GND verbindet, was jedoch nichts brachte.. Wie könnte ich denn das Oszi anschließen, wenn nicht an den "Sternpunkt" des GND-Netzes? Nochmal danke für eure Hilfe!!
Wegen des ESR der Ausgangskondensatoren: Kann ich im Moment nicht sagen, aber bis heute Abend werde ich's wissen. Es könnte natürlich auch sein, dass meine 08/15-Ausgangselkos sich über einen eventuell hohen ESR selbst entladen, was auch einfach durch bessere/andere Cs zu beheben wäre.. Gar kein schlechter Ansatz eigentlich!
Hallo Joachim, die Kondensatoren C7 und C25 im Herstellerdatenblatt hast du in deiner Schaltung wesentlich kleiner gewählt. Hierdurch könnte ein großer Spannungsabfall über den Kondensatoren entstehen, wodurch die Spannung am Sense-Pin (oder CBOOT1 und CBOOT2) stärker von der Ausgangsspannung deines Schaltreglers abweicht. Ein Test mit größeren Kapazitäten (~µF) könnte Klarheit bringen. Benni
Hallo Joachim, die Welligkeit verringert sich wenn die Schalt-Frequenz erhöht wird. Dabei muss die Induktivität verringert werden. Ferner kann man die Ladekapazitäten erhöhen. 100uF scheinen mir für 3A etwas wenig zu sein. In Motherboards findet man meist Baterien aus 1000uF und mehr. Gruss Klaus.
Deine Messungen sehen wie Bilderbuchaufnahmen des Stromverlaufs durch die Spule(n) aus. Was hast Du genau wie gemessen? Probe mit Groundspring verwendet und direkt am Ausgangskondensator oder an der Last gemessen? Ich behaupte einfach mal, dass sich Deine Mess-Masse bewegt...
Hallo zusammen!! Erstmal tausend Dank für die Antworten! Ich klammer mich wirklich an jeden Strohhalm, den Ihr mir reicht!!! @ NewBee: Also in dem Datenblattausschnitt, den ich oben im Bild rechts eingefügt hab, sind es 0.1 uF, was den 100 nF bei mir entspricht.. Entweder hast Du ein anderes Datenblatt wie ich oder Du hast die Pinbeschriftung des Schaltreglers als Teil des Kapazitätswerts aufgefasst oder ich bin weit aus blöder als ich bisher angenommen hab ;-) Also kann sein, dass ich auf dem Schlauch steh, als erklär's mir bitte genauer.. Danke! @ Klaus Ra.: Das ist richtig.. Ich hatte nur angenommen, dass das Problem wo anders liegt, da das ja die Typical Application des Chip-Herstellers ist.. Die Spulen (L1, L2 im Datenblatt) mit geringerer Induktivität muss ich erst besorgen, aber parallel zu den Ausgangskondensatoren (C8, C22, je 100 uF; oder meinst Du C6/C16??) könnte ich mal schnell noch 100 uF anlöten, dann müsste es ja besser sein... @Karl: Gemessen hab' ich am Ausgangskondensator.. allerdings ohne Groundspring.. Weiß auch erst seit gerade, was das ist und irgendwie noch nicht wirklich, was das macht, aber das find ich raus.. Ich hätt' dazu aber ne Frage: Ist dann die Messung falsch oder bewegt sich die Masse, also hab ich nen "dynamischen Spannungsabfall" gegen Ground innerhalb des Ground-Polygons (oder ist die Erklärung vollkommen falsch und ich bin auf nem ganz anderen Dampfer?)? Vielen Dank für die Hilfe!! Ich poste die Ergebnisse, sobald ich zum Ausprobieren komme.. Hoffe, dass haut diese Woche noch hin.. Nochmal vielen Dank!! Gruß, Jo!
> Layoutfehler kann ich leider auch nicht ausschließen,
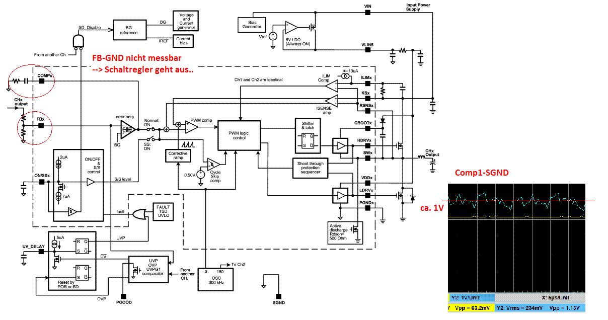
Ja, und ganz besondres interessant wäre dabei der Pfad FB1/FB2 jeweils
zum Minus-Pin des entsprechenden Ausgangselkos. Ich habe den Verdacht,
da fließt der Spulenstrom auch mit drüber...
Hallo Lothar! Ich versteh' Deine Aussage nicht X-( Die Pins FB1/FB2 sind nicht mit den Minusanschlüssen der Ausgangselkos (C8/C22) verbunden.. Sollten Sie das sein? Und Warum? Danke für Deine Hilfe!!!!!!!
> Sollten Sie das sein? Und Warum?
Die Spannung, die geregelt werden soll, ist die Spannung über dem
Ausgangselko. Dort soll die Welligkeit im Idealfall 0 sein. Richtig?
Also muß der komplette Feedback-Kreis die Spannung dort am Kondensator
messen/erfassen.
Für + ist das einfach: den Feedback-Spannungsteiler direkt am
Kondensatro anschliessen und getrennt von irgendwelchen
Leistungs-Strömen zum IC führen.
Für den - Anschluss ist das schon trickreicher. Hier gilt als
Bezugspunkt vermutlich SGND (Signal-Gnd, wobei das aus dem DB nicht so
explizit hervorgeht).
Ein Strom in der Masseleitung, der jetzt z.B. von der Spule zum Elko
fließt, verschiebt dir bei ungünstigem Layout das GND-Potential deines
GNDS Anschlusses. Und damit wird die Spannung falsch gemessen --> der
Regler schaltet falsch :-o
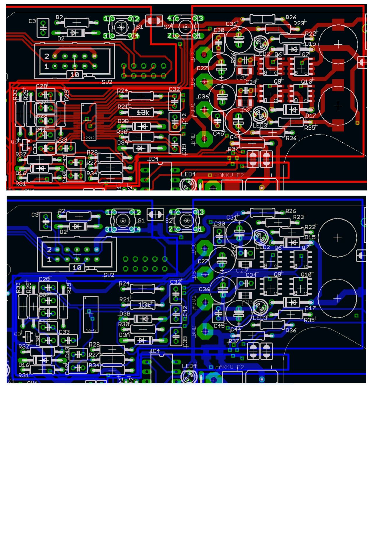
Zeig einfach mal das Layout...
> Hier ist das Layout! Schluck, das muß ich erst mal verdauen... :-o Das erklärt so einiges... Lies mal zur Ablenkung das: http://www.channel-e.de/fileadmin/Bilder/designcorner/ti_zimnik/Zimnik-_Flesch_Top_oder_Flop.pdf Und das: http://www.lothar-miller.de/s9y/categories/40-Layout-Schaltregler Es geht zwar nicht um dein IC, aber die Grundlagen sind die selben...
> Signalground und Powerground
Biege mal die beiden Pins (8 + 21) hoch und verbinde die direkt mit dem
- Pol vom Ausgangselko.
Zum Thema Masse-Polygon:
Deine Massefläche ist garantiert nicht annähernd so gut, wie du meinst.
Wenn das ein zweiseitiges Layout ist, dann ist diese Massefläche
zigtausendmal unterbrochen.
Fazit:
Da bleibt eigentlich nur ein neues Layout :-/
Nächste Frage: Was verwendest Du für Spulen ? Ich konnte Sie auf dem Layout nicht entdecken. Entstördrosseln sind hier mit Sicherheit ungeeignet. Außerdem muß, wie Lothar schon sagt, der ganze Teil aus Diode, Spule, Kondensator dicht beeinander liegen und entsprechend niederohmig miteinander verbunden sein. Bei einem Strom von 3A fließen hier große Ströme mit der Taktfrequenz des Reglers hin- und her. Das funktioniert nie vernünftig, wenn man es mit mehreren cm langen 1mm breiten Leiterbahnen so verbindet, daß die Bauteile geometrisch hübsch angeordnet sind. Gruß, Marcus
Ok, das ist blöd.. Jetzt kann ich nur hoffen, dass eine Glättungsmaßnahme wie z.B. eine höhere Ausgangskapazität noch was bringt.. Ähm, die Verbindung von PGND und SGND mit den GND-Anschlüssen der Ausgangskondensatoren war die erste Maßnahme, die ich ergriffen hatte um den Fehler zu suchen.. Also ist schon ne Weile her, aber hatte nichts geändert.. Auch wenn das Ergebnis für mich nicht so rosig klingt, bin ich für Eure Hilfe sehr sehr dankbar!!
> Jetzt kann ich nur hoffen, dass eine Glättungsmaßnahme wie z.B. eine > höhere Ausgangskapazität noch was bringt.. Eher nicht, denn die ändert nichts an den fließenden Strömen...
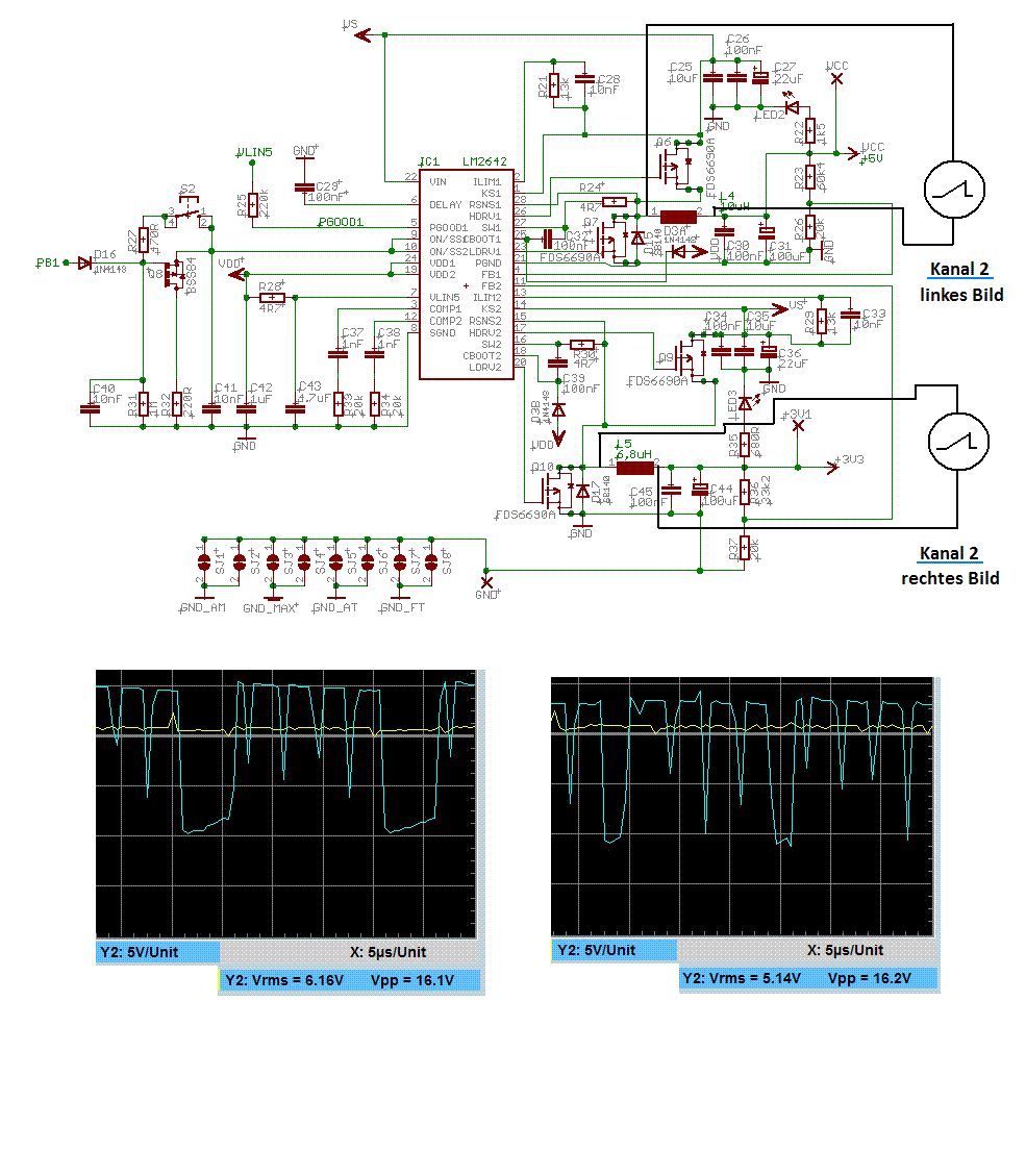
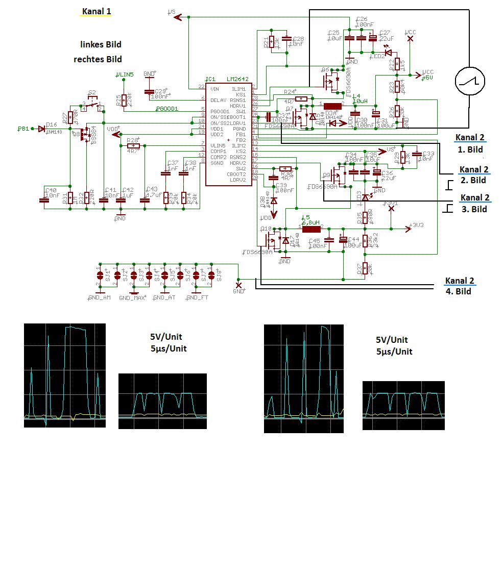
Hallo nochmal, falls es noch jemanden interessiert hab ich mal ein paar Messungen angestellt: (Siehe Bilder) Ich vermute mal, dass die Spulen die Störung erzeugen, da die Welligkeit der Ausgangssignale dem Spannungsverlauf über den Spulen entsprechen (bezogen auf die Frequenz und näherungsweise dem Signalverlauf). Interessant ist auch, dass es sich um keine Restwelligkeit oder sonst eine, dem Ausgang überlagerte Welligkeit handelt, sondern das der Signalverlauf der Ausgänge gezielt vom Schaltregler so geschalten/erzeugt wird.. Das bedeutet wohl, dass ein Messeingang des Schaltreglers ein sich veränderndes (GND-)Potenzial misst und dies zu korrigieren versucht.. Ich rate jetzt mal, ohne Erfahrungen oder überhaupt ne Ahnung zu haben, darauf los und sage, dass die betragsmäßig hohen Gegeninduktions-Spikes (verursacht durch die 300 kHz Schaltvorgänge der Mosfets) mir mein Groundpotenzial periodisch "verziehen".. Auf dem Blockdiagramm des Schaltregler-ICs sieht man, wie die Regelgröße (Ausgangsspannung) ermittelt wird (über Messeingänge FB und Comp). An der Stelle die Frage: Was ist BG (+-Eingang des OpAmp (error amp)).. Wenn ich jedoch den SGND des ICs sowie die GND Anschlüsse des Comp-Netzes isoliere und auf den physikalische GND (Stromversorgungsstecker vom Netzteil) lege, ändert sich nix..
1. Mit den 22uF aus dem AppNote ist bestimmt nicht so ein kleiner Becherelko gemeint, wie Du ihn gezeichnet hast. Scha mal in der Stückliste nach. Ich nehme mal an, dass der Elko nicht für den Ripplestrom ausgelegt ist und einen WESENTLICH zu hohen ESR hat. -> Besser Keramik-KOs, oder mehrere Low-ESR Elkos parallel schalten!! 2. Wer misst, misst Mist. Ich weiß nicht wie Du gemessen hast, würde aber mal vermuten (da Du die Erfahrung für das Routen nicht hast) das hier ebenfalls Fehlerquellen liegen. Wichtig bei den Oszilloskop Messungen sind Mess- und Bezugspunkt auf der Schaltung. Wenn Du die Spannungswelligkeit am Elko messen möchtest, darfst Du die Masse des Scopes nicht am Netzteil anklemmen. Du solltest die Masse Direkt am Massepotential des Elkos anklemmen und mit einem X1 Tastkopf messen. (Mit einem X10 Tastkopft und Spannungen unter 100mV auf einem Schaltnetzteil sieht man schnell nicht mehr das eigentliche Signal)
Hallo Michael, mit deiner Annahme, dass mir die Erfahrung fehlt, hast du vollkommen recht!! Trotzdem hab ich mit dem Oszilloskop richtig gemessen :-) Du hast auch vollkommen recht mit dem Elko: Im Datenblatt des LM2642-Evaluation-Boards von NS findet man Layout sowie Stückliste der Schaltung und da ist der Ladekondensator des Netzanschlusses doch ein wenig größer.. Was ich aber verheimlicht habe, ist, dass ich die Schaltung auch schon mit einem Labornetzteil und einem Akku (der gewiss keine Welligkeit mehr aufweist) gespeist hab und da war es immer die selbe Welligkeit auf dem Ausgangssignal.. Da der Schaltregler die Welligkeit selbst erzeugen, geh ich mal davon aus, dass die Ausgangswelligkeit unabhängig von der Eingangswelligkeit der Stromversorgung ist, sondern von der Schaltung selbst auf den Schaltregler IC gegeben wird und dann gezielt die Ausgangsspannung so geregelt wird.. Aber denkst du, dass die 100 µF Ladekondensatoren/Ausgangskondensatoren der Schaltreglerkanäle größer (geringerer ESR) sein müssten? Daaaaaaaaanke für die Hilfe!!
>Aber denkst du, dass die 100 µF Ladekondensatoren/Ausgangskondensatoren >der Schaltreglerkanäle größer (geringerer ESR) sein müssten? Die Eingangs Kondensatoren in der App Note C13/C20 (33uF/50V) sind Radial Aluminium Elkos. Der Typ ist: EEU-FC1H330, das Datenblatt findest du auf http://catalog.panasonic.com/pic/macomodeldisplay.jsp?partnumber=EEU-FC1H330&mpartnumber=EEUFC1H330 Der hat ein ESR von 0.6 Ohm@100kHz Die Ausgangskondensatoren in der App Note C16/24 (150uF/6.3V) sind spezielle Polymer Eklkos. Der Typ ist: EEFUE0J151R, das DAtenblatt findest du auf http://catalog.panasonic.com/pic/macomodeldisplay.jsp?partnumber=EEF-UE0J151R&mpartnumber=EEFUE0J151R Der hat ein ESR von 0.012 Ohm@100kHz Deine Kondis sollten sich also wohl etwa in diesen EESR Regionen befinden. Mit Elkos aus der Bastelkiste wird das nichts. Und wie schon von anderen erwähnt ist dein Layout nicht optimal für einen solchen Schaltregler. Cheers, Felix
Hallo Felix, wenn Du sagst, dass mein Layout nicht optimal ist, dann ist das sogar noch sehr geschmeichelt ;-) Danke für die genauen Infos.. Ich fahr jetzt direkt mal zum Elektronikladen meines Vertrauens und kauf/bestell die Cs.. Vielen Dank nochmal!
Bitte melde dich an um einen Beitrag zu schreiben. Anmeldung ist kostenlos und dauert nur eine Minute.
Bestehender Account
Schon ein Account bei Google/GoogleMail? Keine Anmeldung erforderlich!
Mit Google-Account einloggen
Mit Google-Account einloggen
Noch kein Account? Hier anmelden.







