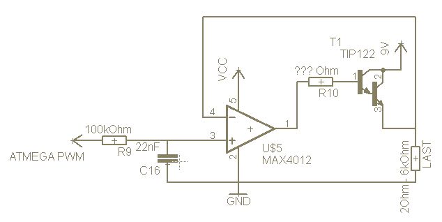
Hallo an alle! Ich bräuchte Hilfe bei der im Bild dargestellten Schaltung. Diese Schaltung soll an einen Atmega16 angeschlossen werden und das PWM Signal verstärken. Ich möchte mit der PWM eine Spannung von 0 - 5 Volt erzielen und mit dieser Schaltung an der Last zudem einen Strom von bis zu 3A erreichen (falls der Wiederstand an der Last sehr klein ist). Die Last ist hier eine Kugel mit sehr unterschiedlichem Widerstand. Der OP Amp ist ein MAX4012 und der Transistor ein TIP122. Jetzt weiss ich zum einen nicht, wie ich den Widerstand (R10) dazwischen dimensionieren sollte? Und könnte vielleicht jemand drüber schauen, ob das so funktioniert? Vielen Dank schonmal!
Hallo, gibt es einen speziellen Grund, warum die Last an Masse muss? Ansonsten würde ich den Transistor an masse und die Last an +9V legen (einfach tauschen, drehen). Da der Transistor für die PWM immer voll durchsteuern soll, kann in beiden Fällen ein 1K Ohm rein. Axel
@ Xue L. (atgiga) >Jetzt weiss ich zum einen nicht, wie ich den Widerstand (R10) dazwischen >dimensionieren sollte? Nimm 0 Ohm. Das ist ein Emitterfolger. @ Axel (Gast) >Da der Transistor für die PWM immer voll durchsteuern soll, kann in >beiden Fällen ein 1K Ohm rein. Nöö. Das ist ein OPV, der die geglättete PWM puffert. Kein Komparator. Siehe PWM MFG Falk
Erstmal vielen Dank für Eure Antworten! @ Falk Danke Dir! Ich hatte Befürchtungen wegen dem Darlington. Werde aber jetzt die 0 Ohm nehmen. @ Axel Ich brauche dort ein GND, weil ich parallel zur Last noch einen AD-Wandler anschließen möchte. Nach Datenblatt des AD-Wandlers wird GND als Anschluss benötigt. Viele Grüße Xue
Bitte melde dich an um einen Beitrag zu schreiben. Anmeldung ist kostenlos und dauert nur eine Minute.
Bestehender Account
Schon ein Account bei Google/GoogleMail? Keine Anmeldung erforderlich!
Mit Google-Account einloggen
Mit Google-Account einloggen
Noch kein Account? Hier anmelden.
