Hallo Alle! Ich hab da ein Problem mit meiner Nixie Uhr. Die Uhr hat Siemens ZM 1336 Röhren die über 74141 Treiber angesteuert werden. Die Eingänge der Treiber IC liegen über einen Widerstand 3,3k nach + 5V. Die Röhren werden mit 170V über einen Widerstand 8,2k angeschlossen. Wenn ich jetzt an den Treiber ICs kein Signal anlege werden die Röhren ja dunkel geschaltet. Leider aber nicht ganz. Wenn ich das Licht im Zimmer aus mache, leuchten die Nixies noch etwas. Jetzt zu meiner Frage: Wie bekomme ich die Röhren ganz aus? Ich hab mal eine Röhre mit 150MOhm von +170V auf die einzelnen Kathoden geschaltet was auch was gebracht hat. Die Röhre ist dann ganz dunkel. Schalte ich jetzt Signale auf die Treiber ICs verzögert sich das einschalten dieser Röhre etwas. Sind die 150MOhm zu klein? Oder der Vorwiderstand zu groß? Danke schon mal für alle Antworten! Schö mit Ö…. Christian
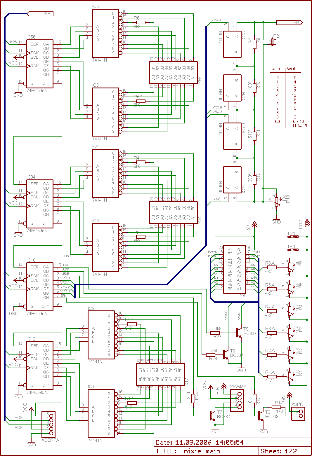
Legst du zum Ausschalten die Eingänge der Treiber auf 0? Ich mach das so, daß ich am Eingang nen Code > 9 anlege (74141 + ZM1210). Die Tabelle mit den BCD-Werten ist oben rechts, die Röhren sitzen an X12, X34, X56 (Kathoden) und XA (Anoden). Johann
Hallo, Hilfsspannung mit 50V erzeugen (muß kleiner als 60V sein wegen der 74141 und so groß, daß die Differenz zur Anodenspannung unter der Brennspannung liegt). Von dort über jeweils 50...100k an jede Anode. Uce der Ausgangstransistoren läßt nur 60V zu, der Reststrom steigt aber dann gern so an, daß die Elektrode schon erkennbar glimmt. Ist einen Versuch wert, hat bei mir früher zumindest so funktioniert. Gruß aus Berlin Michael
Christian Betzen schrieb: > werden mit 170V über einen Widerstand 8,2k angeschlossen. Wenn ich jetzt > an den Treiber ICs kein Signal anlege werden die Röhren ja dunkel > geschaltet. Die Chips sind so ausgelegt, daß immer eine Ziffer leuchten muß, ansonsten kann der Chip sterben. Die maximale Sperrspannung ist ja nur 60V, daher muß immer ein Segment die Anodenspannung auf die Brennspannung herabziehen. > Ich hab mal eine Röhre mit 150MOhm von +170V auf die einzelnen Kathoden > geschaltet was auch was gebracht hat. Die Röhre ist dann ganz dunkel. > Schalte ich jetzt Signale auf die Treiber ICs verzögert sich das > einschalten dieser Röhre etwas. Diese Zeit wird wohl die sein, die die Treibertransistoren brauchen, um sich von der Überlast zu erholen, d.h. wieder genügend hochohmig zu werden. Ich sehe da schwarz für Deine ICs, lange werden die wohl nicht mehr leben. Wenn Du dunkeltasten willst, mußt Du Treibertransitoren mit >=200V Sperrspannung verwenden. Peter
Hallo! Ich steh da jetzt aufm Schlauch! Ja! Ich könnte die Anode mit nem Transistor an und aus schalten. Aber in dem Datenblatt von dem 74141 steht das man mit nem BCD Code über 9 die Anzeige dunkel tasten kann. Weil das auch vom Aufwand einfacher wäre, wollte ich es erst mal so versuchen. Also soll ich die Widerstände zwischen den +170V und den einzelnen Kathoden kleiner auslegen? Der Strom den das IC dann schalten muss wird aber immer größer dann!:-((( Schö mit Ö… Christian
Sind das Original 74141 oder die Russischen Ersatz Typen? Bei Mir funktionierte das Dunkeltasten damals wunderbar mit dem Original. Mit dem heute noch verfügbarem Nachfolger funzt das aber leider nicht mehr. Es glimmen alle Segmente vor sich hin. Kann aber auch zufall sein, das die damals alle dunkel waren. Es war eine 6-Stellige Anzeige. Gruß, Tubie
> Aber in dem Datenblatt von dem 74141 steht das man
> mit nem BCD Code über 9 die Anzeige dunkel tasten kann.
Das ist auch richtig.
Aber bereits im TTL-Kochbuch steht auf Seite 190 das von Peter Dannegger
Beschriebene:
"... daß bei allen im Betrieb möglichen Zuständen immer eine Kathode
der Röhre eingeschaltet ist. Im anderen Fall.....die Röhre dennoch
zündet und ihren Strom über die am Ausgang des Treibers befindlichen
Dioden ziehen. Dabei können diese Klemm-Dioden thermisch überlastet
werden....."
Ja es sind Originale! Es ist das Symbol von Texas drauf. Dh. ich schalte die Anodenspannung dann wohl besser doch über einen Transistor aus? Sonst kann es sein das ich öfter mal son IC neu machen muss? Schö mit Ö….
Christian Betzen schrieb: > Dh. ich schalte die Anodenspannung dann wohl besser doch über einen > Transistor aus? Nein, du benutzt die Hilfsspannung, wie Michael oben geschrieben hat. Die Katoden werden dann nur um den Betrag der Hilfsspannung geschaltet, die Anoden liegen auf einem Betrag, der sie bei Katoden- spannung 0 sicher zünden lässt, bei Katodenspannung 50 V jedoch sicher erlöschen.
Hallo,
muß mein Posting, auf das sich Jörg Wunsch bezieht, mal korrigieren:
> Brennspannung liegt). Von dort über jeweils 50...100k an jede Anode.
Die müssen natürlich, wie Jörg richtig schreibt, an die Katoden und
nicht an die Anoden...
PS: wie soll ich wissen, was ich meine, bevor ich lese, was ich
schreibe???
Gruß aus Berlin
Michael
Michael U. schrieb: > PS: wie soll ich wissen, was ich meine, bevor ich lese, was ich > schreibe??? :-) Ich war stillschweigend davon ausgegangen, dass du dich nur verschrieben hast.
Hallo Alle! Das ist ja auch nicht so einfach mit den Kathoden u. den Anoden:-)))) Also gut! Ich teste das dann mal noch etwas aus mit der Hilfsspnnung, und werde über meine Erfolge berichten. Man schreibt sich. Christian Betzen
Auf der Seite von Zetalink gibts in einer der Dokumentation einen schönen Nixie-Uhr-Schaltplan. Zwar nicht mit 74141, spielt aber keine Rolle. Dort sind die Kathoden mit etwa halber Anodenspannung "vorgespannt". (Die Anoden übrigens auch). Frank Hier der Link, ist das unterste PDF-Dokument http://www.zetalink.biz/doxndox.html
Bitte melde dich an um einen Beitrag zu schreiben. Anmeldung ist kostenlos und dauert nur eine Minute.
Bestehender Account
Schon ein Account bei Google/GoogleMail? Keine Anmeldung erforderlich!
Mit Google-Account einloggen
Mit Google-Account einloggen
Noch kein Account? Hier anmelden.
