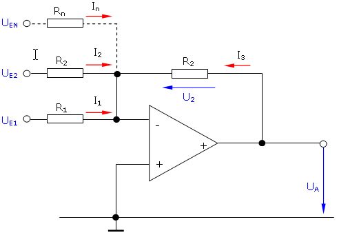
Hallo, vielleicht kann mir jemand weiter helfen! Ich habe bei der ( siehe Schaltplan ) OPV Aufgabe ein Problem mit der Vorgehensweise. Die Ergebnisse lauten a)200nA, b)-120nA . Mir ist nicht ganz klar wie ich hier vorgehen muss (die einzelnen Schritte) um zum Ergebnis zu kommen. Vielen Dank für die Hilfe. MfG
Hallo also werde mal versuchen dir bei Teilaufgabe 1 zu helfen (falls ich Fehler mache, korrigiert mich bitte): 1. Ii=0 daher kannst du dir den Draht wegdenken, unendlich hoher (Innen)wiederstand 2. OP ist in Gegenkoppelung geschaltet, da sinngemäß bei einer Erhöhung des Ausgangsstromes der positive Eingang des OPVs in negative Richtung wandert. Daraus folgt, dass die Spannungsdifferenz über die OP-Eingänge 0 ist. mit Maschenregel: I2*R2=-I1*R1 mit I2=-I_: -I_*R2=-I1*R1 da I+=0 --> IL=I1 IL=I_*R2/R1 IL=100nA*2/1 zu Aufgabe 2: gehe mal davon aus, dass das in der Klammer I_=0 heissen soll, macht sonst wenig Sinn oder? Da I2=0 ist der OP quasi als Spannungsfolger geschaltet (nennt man das so?) d.h. R2 wegdenken. Spannungsfolger: positiver OP Eingang = Negativer OP Eingang d.h. Spannung über R1 =0 und damit auch I1=0. mit Knotenregel: IL+I+=0 und damit IL=-I+ hoffentlich konntest du in etwa folgen, bist nicht durch die etwas merkwürdige Nomenklatur -I+ durcheinandergekommen.
Tüftler schrieb: > Hallo also werde mal versuchen dir bei Teilaufgabe 1 zu helfen (falls > ich Fehler mache, korrigiert mich bitte): > 1. Ii=0 daher kannst du dir den Draht wegdenken, unendlich hoher > (Innen)wiederstand > 2. OP ist in Gegenkoppelung geschaltet, da sinngemäß bei einer Erhöhung > des Ausgangsstromes der positive Eingang des OPVs in negative Richtung > wandert. > > Daraus folgt, dass die Spannungsdifferenz über die OP-Eingänge 0 ist. > mit Maschenregel: > I2*R2=-I1*R1 > > mit I2=-I_: Ist falsch... muss eigentlich heißen, I1=-I2. Da I_ am Eingang fließt, ist dieser Null...(Unendlich hoher R am Eingang) Eine richtige Lösung kann ich jetzt auf die Schnelle nicht anbieten, da die Zeichnung für mich was verwirrend ist... I2 fließt normalerweiße in die andere Richtung. Wenn Ii=0 ist, dann ist I2=I_, da kein Ii dem strom I2 engegen wirken kann. Was mich auch stört, ist das am Eingang wo der Strom Ii fließt ein R fehlt... demnach, liegt dort keine Spannung an... Naja... werde mich mal heut abend damit beschäftigen... Sollte mein Ansatz ebenfalls falsch sein, dann bitte ich um detalierte Aufklärung. > > [...] EDIT... Das Bild soll zeigen, was ich mit den Stromrichtungen meine
Na dann will ich mal zur Aufklärung dienen. Einige Definitionen vorweg: Knoten 1 sei der Punkt an dem sich Stromquelle, der Widerstand R2 und der invertierende Eingang treffen. ii=i2+I_ Knoten 2 sei der Punkt an dem sich der Widerstand R2, der Ausgang des OPs und der Widerstand R1 treffen. i0=i1-i2 Knoten 3 sei der Punkt an dem sich der Widerstand R2, der Widerstand RL und der nichtinvertierende Eingang des OPs treffen. iL=i1-I+ Aufgabe a) der Strom I_ sei 100 nA, ii=0A und I+=0A. Also nur einsetzen: Knoten 1 I_=-i2 Knoten 2 i2=i1-i0 Knoten 3 i1=IL Masseknoten IL=ii=0 Damit muss also i0=I_ sein, also 100nA Aufgabe b) der Strom I+ sei 120nA, ii=0A I- 0A (hier scheint in der Aufgabenstellung in der Klammer ein Fehler zu sein, aber es steht ja im Text, dass nur I+ vorhanden sein soll. Knoten 1 ii=0A, I-=0A damit ist auch i2=0A Knoten 2 i0=i1 Knoten 3 i1=iL+I+ Masseknoten iL=ii=0A Und hier kommt dann heraus, dass i0=I+=120nA sein muss, U0 ist dann natürlich R1*120nA, also 120uV Wie man überhaupt auf ein iL kommen will bei beiden Aufgabenstellungen wenn doch als Randbedingung ii=0 sein soll und iL definitiv gleich ii ist, ist mir schleierhaft. Da kann nur ein Teil der Schaltung fehlen. Oder hab ich in Schaltungstechnik nicht aufgepasst und Kirchhofs Knotenregel kann hier wenig helfen?
Michael Köhler schrieb: > Masseknoten > > IL=ii=0 Wieso muss iL=ii sein? Es kann doch ein (positiver oder negativer) Strom nach Masse abfließen. Die Überlegungen vom Tüftler erscheinen mir richtig. Allgemein ist
Das ergibt sich, wenn man für die beiden Eingänge des OPV jeweils die Knotenregel anwendet und das Gleichungssystem löst. Durch Einsetzen ergeben sich die Lösungen der beiden Teilaufgaben.
Schauen wir uns doch mal den Masseknoten an. Also da fließt iL rein und nur ii zur Stromquelle raus. Nach Kirchhof ist die Summe aller Ströme in einem Knoten immer 0. Da als Randbedinung gilt, dass ii 0A sein soll muss somit auch iL 0A sein. Sonst ist die Randbedingung verletzt. Deine Gleichung ist auch falsch, es fehlt u.a. i0, der Strom, der aus dem OP-Ausgang kommt. (I_-ii)*R2=Ur2 Aber was soll Ur2/R1 sein?
> Schauen wir uns doch mal den Masseknoten an. Also da fließt iL rein und > nur ii zur Stromquelle raus. ... und ein weiterer Strom in den Masseanschluss hinein bzw. aus diesem heraus. Du hättest recht, wenn das Massesymbol im Schaltplan fehlen würde und dieser Knoten damit in der Luft hinge. > Deine Gleichung ist auch falsch, es fehlt u.a. i0, der Strom, der aus > dem OP-Ausgang kommt. i0 ist nicht gegeben und wird zur Berechnung des gesuchten iL auch nicht benötigt, deswegen taucht er in meiner Lösung nicht auf. Er kann aber, genauso wie i1 und i2 aus den gegebenen Größen ii, I- und I+ berechnet werden.
>... und ein weiterer Strom in den Masseanschluss hinein bzw. aus diesem >heraus Und welcher soll das sein? >i0 ist nicht gegeben und wird zur Berechnung des gesuchten iL auch nicht >benötigt Ah, nur weil er nicht gegeben ist muss man ihn auch nicht berücksichtigen...das muss ich mir merken, hilft einige Probleme zu lösen. i2 ist z.B. auch nicht gegeben...prima, muss man auch nicht berücksichtigen....ja ne, is klar :rolleyes:
>> ... und ein weiterer Strom in den Masseanschluss hinein bzw. aus >> diesem heraus > > Und welcher soll das sein? Der im Anhang in rot eingezeichnete (iGND). >> i0 ist nicht gegeben und wird zur Berechnung des gesuchten iL auch >> nicht benötigt > > Ah, nur weil er nicht gegeben ist muss man ihn auch nicht > berücksichtigen...das muss ich mir merken, hilft einige Probleme zu > lösen. i2 ist z.B. auch nicht gegeben...prima, muss man auch nicht > berücksichtigen....ja ne, is klar :rolleyes: So ist es. Zum einen reichen die gegebenen Größen (Ströme und Widerstände) aus, um das System vollständig (alle Spannungen und unbekannten Ströme, darunter auch i0 und i2) zu berechnen. Außerdem ist ja in der Aufgabenstellung verlangt, iL als Funktion von I- bzw. I+ (und nicht von i0 oder i2) zu bestimmen. i0, i1 und i2 tauchen zwar im Ansatz zur Berechnung von iL auf, werden aber bei der Auflösung des entstehenden Gleichungssystems eliminiert, weil sie weder gegeben noch gesucht sind. Ich glaube auch nicht, dass der Aufgabensteller sich die Mühe gemacht hätte, einen Schaltplan zu zeichnen und dazu zwei Teilaufgaben zu formulieren, wenn die Lösung bei beiden unabhängig von allen Widerstandswerten und den gegebenen Strömen immer iL=0 wäre, oder? Oder kann es vielleicht sein, dass wir gerade komplett aneinander vorbeireden?
Hm, netter iGND...dir ist klar, dass das nur ein Symbol ist, dass das Bezugspotential kennzeichnet? Damit dieser Knoten auch wirklich ein Knoten ist muss iGND durch einen Widerstand oder ähnliches fließen. Wie schon gesagt, das Zeichen kennzeichnet lediglich das Bezugspotential, sonst nichts. Wer weis was sich der Aufgabensteller dabei gedacht hat aber es wäre nicht der erste Aufgabensteller, der zu einer seiner Aufgaben die falsche Lösung hat, das hab ich gar schon bei Professoren erlebt.
> Hm, netter iGND...dir ist klar, dass das nur ein Symbol ist, dass das > Bezugspotential kennzeichnet? Damit dieser Knoten auch wirklich ein > Knoten ist muss iGND durch einen Widerstand oder ähnliches fließen. > Wie schon gesagt, das Zeichen kennzeichnet lediglich das > Bezugspotential, sonst nichts. Ich verstehe dich, ehrlich gesagt, nicht ganz. Natürlich ist das Massesymbol nur ein Symbol und damit (auf dem Papier) nicht leitfähig. In einer realen Schaltung verbirgt sich dahinter aber eine Masseleitung oder sogar eine ganze Massefläche, die möglichst niederohmig ausgelegt wird, um das von dir angesprochene Bezugspotential stabil zu halten. Da kann sehr wohl ein Strom fließen, wie du ganz leicht erkennen kannst, wenn du beim Auto in die Masseleitung an der Batterie ein Ampèremeter hängst und anschließend den Anlasser betätigst ;-) Oder stört dich vielleicht, dass im Schaltplan die Spannungsquelle weggelassen wurde und deswegen das Massesymbol kein Gegenstück hat, zu dem der Strom fließen könnte? Man könnte also zusätzlich noch so etwas einzeichnen:
| 1 | .--- +U | 
| 2 | | | 
| 3 | | | 
| 4 | U (|) | 
| 5 | | | 
| 6 | +----. | 
| 7 | | | | 
| 8 | U (|) --- | 
| 9 | | GND | 
| 10 | | | 
| 11 | '--- -U | 
Jetzt sollte doch klar sein, wo der Massestrom hinfließt, nämlich in den Knoten zwischen den beiden Spannungsquellen.
Ich hab mal ein Bild angehangen, da wo deiner Meinung nach der Strom fließt hab ich ne rote Linie dran gemalt und da, wo kein Strom fließt, wo er also 0 Ampére ist, hab ich ne blaue Linie dran gemalt. Und jetzt kommt die große Preisfrage: Was stört mich hier wohl? Etwa, dass der Strompfeil bei iL entgegengesetzt ist und iL somit aus deiner Rechnung eigentlich negativ sein müsste damit es passt? Oder aber das in diesem Falle des Stromflusses, sofern er denn stimmen würde, iL betragsmäßig gleich I- sein müsste und nicht wie es in deiner Gleichung heraus kommt, doppelt so groß? Auf jeden Fall hat es überhaupt nichts mit der Spannungsversorgung des OPs zu tun und näher will ich auf diesen Unfug mit Masseleitung und Co auch nicht eingehen.
> Ich hab mal ein Bild angehangen, da wo deiner Meinung nach der Strom > fließt hab ich ne rote Linie dran gemalt und da, wo kein Strom fließt, > wo er also 0 Ampére ist, hab ich ne blaue Linie dran gemalt. Der Pfeil an i0 muss ebenfalls rot sein, da auch hier ein Strom fließt. > Und jetzt kommt die große Preisfrage: Was stört mich hier wohl? Etwa, > dass der Strompfeil bei iL entgegengesetzt ist und iL somit aus deiner > Rechnung eigentlich negativ sein müsste damit es passt? Da i0 > I- ist, fließt der Strom durch R1 und RL abwärts, iL ist also positiv -> passt. > Oder aber das in diesem Falle des Stromflusses, sofern er denn stimmen > würde, iL betragsmäßig gleich I- sein müsste und nicht wie es in > deiner Gleichung heraus kommt, doppelt so groß? Auch hier muss i0 berücksichtigt werden -> passt Da du dir schon die Mühe gemacht hast, in dem Bildchen herumzumalen, mach ich's jetzt auch (s. Anhang), speziell für dich. Ich habe für Teilaufgabe a) alle Ströme und Knotenpotenziale eingezeichnet. Zeig mir jetzt bitte die Stelle, wo die Summe der Ströme in einem Knoten ungleich 0 ist, oder an welchem Widerstand das Ohmsche Gesetz nicht erfüllt ist, oder dass die Differenzspannung an den OPV-Eingängen ungleich 0 ist. Ist denn das so schwer zu begreifen? Das ist eine Anfängeraufgabe, und aus deinen bisherigen Beiträgen in diesem Forum schließe ich eigentlich, dass du kein Anfänger mehr bist.
>Der Pfeil an i0 muss ebenfalls rot sein, da auch hier ein Strom fließt. Wieso wusste ich, dass das jetzt kommt. Was ist denn mit >i0 ist nicht gegeben und wird zur Berechnung des gesuchten iL auch nicht >benötigt geworden? Auf einmal ist i0 doch wichtig für iL. Ich klingt mich hier aus, das ist mir doch zu doof, vor allem weil auch in Symbole Ströme fließen können. Was wäre denn wenn man das Symbol weg nimmt und stattdessen GND dran schreibt? Dann ist es immer noch ein Bezugspotential...:rolleyes:
>> i0 ist nicht gegeben und wird zur Berechnung des gesuchten iL auch >> nicht benötigt > > geworden? Auf einmal ist i0 doch wichtig für iL. "i0 ist nicht gegeben" bedeutet ausführlich "Der Wert von i0 ist nicht gegeben". Das heißt nicht, dass er unwichtig ist, und schon gar nicht, dass man ihn einfach auf 0 setzen darf. > ... das ist mir doch zu doof, vor allem weil auch in Symbole Ströme > fließen können. Die Lampe in folgender Schaltung leuchtet als deiner Meinung nach nicht:
| 1 | .-----. | 
| 2 | | | | 
| 3 | U (|) (X) Lampe | 
| 4 | | | | 
| 5 | --- --- | 
| 6 | GND GND | 
Der Strom müsste ja durch die beiden GND-Symbole fließen. In der nichtinvertierenden Verstärkerschaltung nach http://de.wikipedia.org/w/index.php?title=Datei:Noninverting_Amplifier.svg&filetimestamp=20070601123427 fließt deiner Meinung nach also durch R1 kein Strom, weil sein unteres Ende nur mit dem Massesymbol verbunden ist. Man könnte ihn also genauso gut weglassen. > Ich klingt mich hier aus Gerne. Vielleicht kannst du ja gut Brötchen backen :)
> So Sätze wie der Letzte kannste dir sparen.
'tschuldigung, war nicht böse gemeint und ist mir gerade so
rausgerutscht (immerhin habe ich ja einen Smiley angehängt).
Ich nehme die Brötchen hiermit zurück.
  Bitte melde dich an um einen Beitrag zu schreiben. Anmeldung ist kostenlos und dauert nur eine Minute.
  
  Bestehender Account
  
  
  
  Schon ein Account bei Google/GoogleMail? Keine Anmeldung erforderlich!
Mit Google-Account einloggen
Mit Google-Account einloggen
  Noch kein Account? Hier anmelden.




 Thread beobachten
 Thread beobachten Seitenaufteilung abschalten
 Seitenaufteilung abschalten