Hallo, ich suche ein Dual Ported RAM mit mindestens 300kByte. Auf der einen Portseite soll nur gelesen werden, auf der anderen Portseite soll nur geschrieben werden. Bei 512KB brauche ich ja schon 19 Adressleitungen. Dann noch 8 Datenleitungen und ein paar Steuerleitungen. Das ganze mal zwei plus Stromversorgung. Da kommen schon so ca. 60 Anschlüsse zusammen, also kein DIL-Gehäuse mehr... Leider kenne ich mich mit solchen Bauteilen überhaupt nicht aus, deshalb frage ich hier.
Ein typischer Anbieter ist IDT, bei denen ist aber bei 1024K (128KB) Schluss. Und die 1024K dürften so richtig schweineteuer sein! Gruß, Peter
Speichergrößen sind immer Zweierpotenzen. "300kByte" wären also 512 kiB. Was greift denn wie auf das RAM zu? Welche Geschwindigkeit (Anzahl Zugriffe/Sekunde), welches Businterface? Man kann sich mit ein paar Multiplexern bzw. simplen Bustreibern und einem herkömmlichen RAM ein Dualport-RAM auch selber bauen, wenn denn man die Möglichkeit hat, Zugriffe der einen Seite bei Zugriffen der anderen Seite zu verzögern. Wenn die Zugriffe linear erfolgen, dann könnte auch ein FIFO-Baustein interessant sein, das erpart die ganzen Adressleitungen.
Es könnte nützlich sein, mehr über das Umfeld zu erfahren. Also wozu das gut sein soll. Vielleicht geht's ja auch anders.
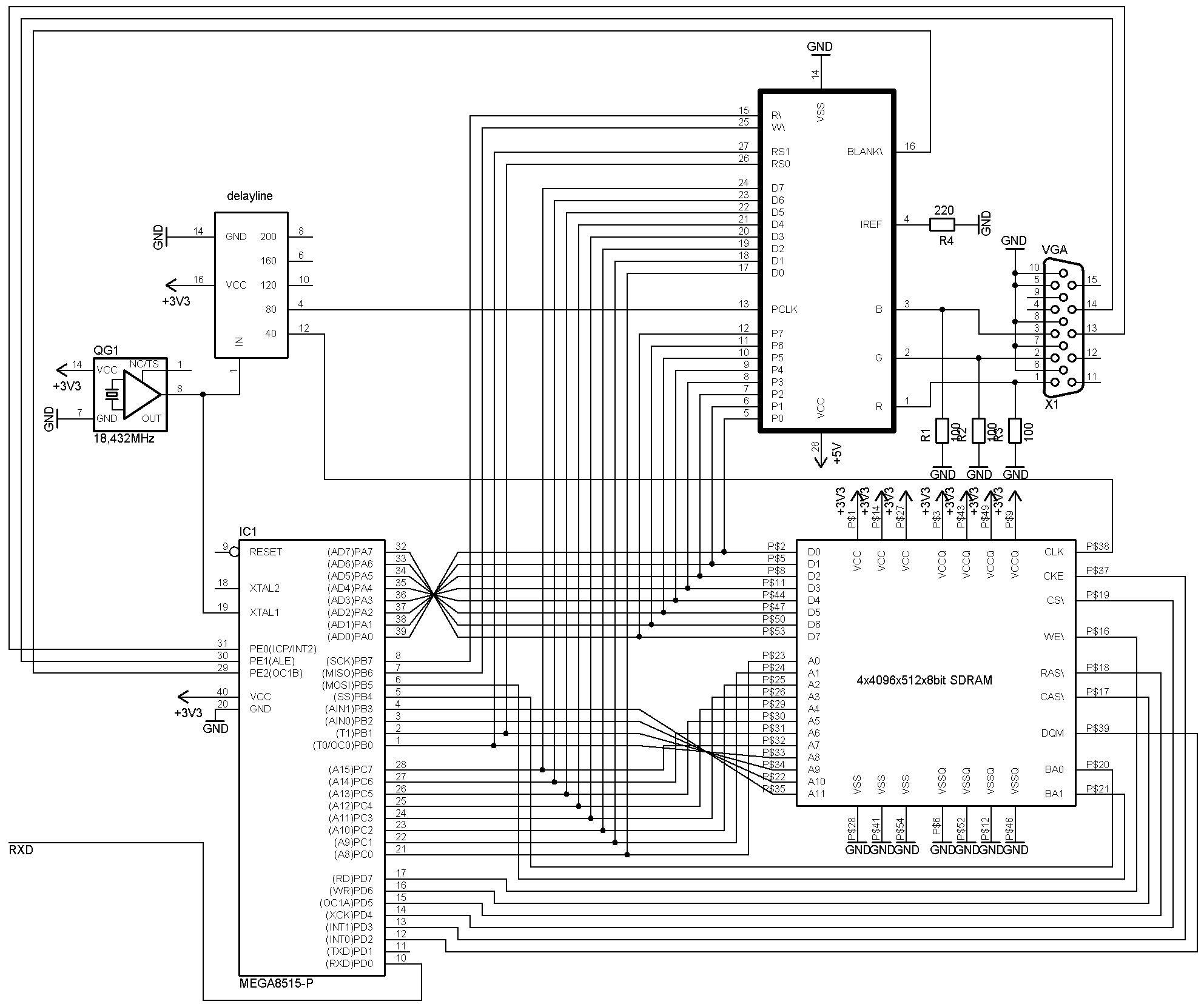
>Es könnte nützlich sein, mehr über das Umfeld zu erfahren. Also wozu das >gut sein soll. Vielleicht geht's ja auch anders. Ich will auf einem VGA-TFT Monitor Grafik und Meßergebnisse von einem Mikrocontroller anzeigen lassen. Auflösung sollte schon 640x480 Pixel sein. Bildwiederholfrequenz sind dabei 70Hz, glaube ich. Auf der einen Portseite will ich den Speicher auslesen für den Bildschirm, die andere Portseite kann dann der Mikrocontroller beschreiben.
Habe mal zu dem Schaltplan eine Frage: Was ist die "delayline" für ein Typ. Wie heist das IC rechts oben?
Bitte melde dich an um einen Beitrag zu schreiben. Anmeldung ist kostenlos und dauert nur eine Minute.
Bestehender Account
Schon ein Account bei Google/GoogleMail? Keine Anmeldung erforderlich!
Mit Google-Account einloggen
Mit Google-Account einloggen
Noch kein Account? Hier anmelden.
