hi, ich habe verschiedene schaltungen versucht, damit ich einen 89S53 programmieren kann. im moment ist die im anhang gezeigte schaltung aufgebaut. ich habe einen quellcode in keil erstellt und das hex-file in ponyprog geladen, unter - open device file -. steht nichts anderes zur wahl. wenn ich den button - write device - betätige werden kurz daten transferiert und dann kommt - Device Not Responding- wenn ich kein hex- file geladen habe, dann kommt diese meldung nicht und es erscheint, dass das schreiben erfolgreich war. (selbst wenn die zielschaltung aus ist) das resetverhalten ist ja anders als bei avr's. das habe ich berücksichtigt. sind die anderen signale auch zu invertieren?? geht es überhaupt so?? kann mir jemand eine tipp geben?? danke marko
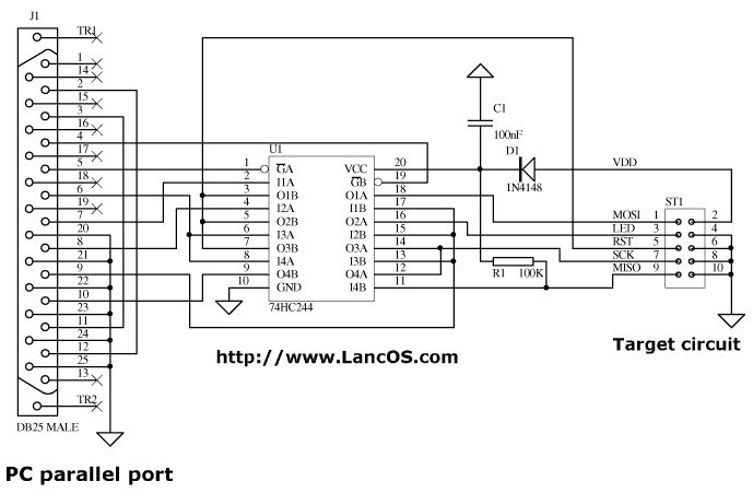
vielleicht hilft das: auf den lancos-seiten findet sich ein schaltplan fuer einen atmel "51-core"-programmer ueber serielle schnittstelle im "bit-bang-mode".
ok, danke erst mal. werde mal nachschauen. dann geht es wohl doch nicht so, wie ich es vor hatte. maro
Bitte melde dich an um einen Beitrag zu schreiben. Anmeldung ist kostenlos und dauert nur eine Minute.
  
  Bestehender Account
  
  
  
  Schon ein Account bei Google/GoogleMail? Keine Anmeldung erforderlich!
Mit Google-Account einloggen
Mit Google-Account einloggen
  Noch kein Account? Hier anmelden.

 Thread beobachten
 Thread beobachten Seitenaufteilung abschalten
 Seitenaufteilung abschalten