Hallo, Ich habe eine Alarmanlage gebaut, die ich mit einem AVR90S8535 steuern will. Mein Problem ist allerdings, dass sich auf einmal der µC nicht mehr programmieren lässt. Ich verwende den ISP und den Aufbau wie es in der Testversion im Tutorial gezeigt wird. Ich dachte zuerst, der µC ist hinüber und steckte ihn in eine andere Schaltung. Dort ging er! Da ich die andere Schaltung sowohl mit dem sleben ISP als auch mit der selben Software (Japp) und dem selben Program beschrieb, kann es ja wohl nicht daran liegen, oder? So dachte ich, dass es an den Leiterbahnen liegt, den Kondensatoren oder dem Quarz. Die Leiterbahnen sind richtig, was ich durch messen herausfand und außerdem ging er ja noch vor ein paar Stunden. Die Kondensatoren sind ausgewechselt, das Quarz ist vom anderen Aufbau angeschlossen, aber der Erfolg zeigt sichnicht. Ich weiß echt nicht, was ích noch machen kann, bin über jede Hilfe froh. Übrigens, Japp erkennt den µC und er beginnt auch zu programmieren. bricht allerdings nach einiger Zeit ab. Danke schon mal, Andy
Nach Deinen Angaben, bleibt eigentlich nur die Steckverbingung auf der Seite Deiner Alarmanlage übrig. Vielleicht hast Du ja dort ein Wackler,...etc......
Ne des is es auch ned! Hat er mir grad gesagt! ; )
Hmm eventuell unsaubere Spannungsversorgung ... dann würde sich das anfangen des programmiern udn dann aufhören erklären. bricht er immer an der selben stelle ab ? mfg Moritz
Hast Du an den ISP-Leitungen außer dem Stecker für den Programmer noch etwas anderes dran hängen? (Also Reset, MISO, MOSI, CLK)? Poste doch man Deinen Schaltplan. Die von Moritz angesprochene unsaubere Versorgung ist auch ein guter Ansatz. Überall 100nF an der Spannungsversorgung der verwendeten ICs (=Allheilmittel...)
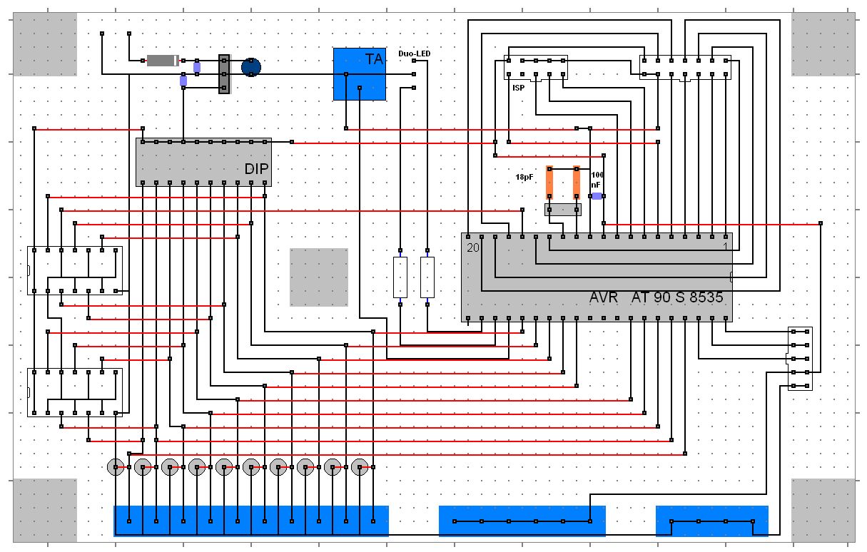
Hallo, schon mal danke für eure Ideen. Hier mal miene neusten Versuche. 1. Die ISP Leitung kann nicht zu lange sein, da es mit anderen Schaltungen geht und vor einiger Zeit ja auch noch mit dieser! 2. Die Steckverbindung ist es nicht, da ich heute versuchte irgendeine Leitung abzuklemmen und dann mal sehen, was Japp (=Programmiersoftware) dazu sagt. Egal welche Leitung ich trennte kam immer sofort die Meldung: "Init failed". Wenn ich ihn aber normal anschließe erkennt er wenigstens den µC. Ich schließe daraus, das keine Leitung zwischen Computer und ISP unterbrochen sein kann. 3. An der Spannung denke ich auch nicht das es liegt, da ich versucht habe mit der Spnnnung mein Experimentierbopard zu betreiben und dort einen µC zu betreiben, was auch klappt. Es befindet sich auch ein 100nF direkt vorm µC. 4. Der Kondensator am Reset wurde gewechselt. Ohne Erfolg! Soll ich mal einen mit größerer Kapazität versuchen? (momentan: 47pF) zu den Fragen: - Ich verwende den Aufbau aus dem Tutoral, aber der Gesamtschaltplan ist im Anhang. (Nicht lachen, dass es Paint ist. Habe das vor einiger Zeit angefangen, weil ich mich immer noch nicht in Target eingearbeitet hab :-)) - An meinem ISP häng nichts weiteres! Andy
Hi... mit was für einem Rechner Programmierst Du den µC ist das ein Laptop oderr ein Desktop(Tower). wenn ich über Laaptop die Daten in den Controller schicken will, so muss ich ihn erst neu Starten. Wenn ich ihn aus dem Schlafmodus hole erkennt er den µC nicht und ich kann machen was ich will. Die Leitungsläge ist eigentlich recht egal. ich habe ein ungeschrimmtes Programmierkabel der einfachsten sorte und es ist ca 2m lang und funktioniert super. Das Problem ist meistens ne Software in der Schaltunng neu einzuspielen und die Schaltung ist schon fertig verbaut und hängt irgendwo an der Wand. An solchen Stellen mit einem 30-40cm langen Kabel zu arbeiten stelle ich mir nicht einfach vor. Sonst kann ich erst mal auch nichts anderes Sagen. PS. Die Schaltung ist für eine EMA anlage recht aufgebläht... ich habe eine für einen Arbeitskollegen vor ca. 1Jahr gemacht die liief mit nem 4433 und soll in der zweiten Software Version auch SMS bei Alarm absetzen können ( bin noch am Progen). Wenn Intresse besteht kann ich vieleicht Tipps geben.
Wenn Du den Prozessor anderweitig programmierst und dann in die Schaltung zurücksteckst - läuft dann das Programm? Manchmal schwingt der Quarz nicht an, kann an falsch dimensionierten Quarzen, ungünstiger Leitungsverlegung und auch Flußmittel liegen.
Jetzt habe ich endlich einen Erfolg erzielt. Der µC lässt sich wieder in der SChaltung programieren, auch wenn ich immer noch nicht weiß, an was es lag. Der Witz ist, das Japp trotztdem immer noch jedes mal mit einem Fehler beendet, obowohl das Program richtig aufgespielt wurde und läuft. Kann das nun an einem zu langen kabel liegen oder müsste da die Meldung schon früher kommen? (Schneide das Kabel nur ungern ab ohne zu wissen ob die Change da ist, das ein Erfolg auftritt:-)) Nochmals Danke für eure ganzen Ideen Andy
Bitte melde dich an um einen Beitrag zu schreiben. Anmeldung ist kostenlos und dauert nur eine Minute.
Bestehender Account
Schon ein Account bei Google/GoogleMail? Keine Anmeldung erforderlich!
Mit Google-Account einloggen
Mit Google-Account einloggen
Noch kein Account? Hier anmelden.
