Guten Abend allerseits Habe ein Magnetventil bestellt, zudem ich das angehängte Schema bekommen habe. Also zuerst mal musste ich ja die Fehler beheben. Denke mal, dass die Spule so nie Strom bekommt ;o) Habe mir überlegt, dass die Spule wohl parallel zu R6 angehängt werden muss. Ich habe die Schaltung aufgebaut und Messe ca. 80VDC über R6, wenn sich die Schaltung aufgeladen hat. Nun habe ich ein Problem. Die Spule steuert ein Magnetventil, welches für ein Gerät verwendet wird. Es stellt sich nun die Frage, wie man eine solche Spule wohl am besten schaltet. Habe zuerst gedacht, dass ich die 27VAC des Transformator mit einem Relais schalte, jedoch haben die Kondensatoren ja dann gar keine Zeit um sich aufzuladen. Die ca. 80VDC mit einem Relais zu schalten ist wohl eher eine schwierigere Idee. Hat jemand eine Lösung um die Spule sauber anzusteuern???
Die Spule muss zwischen S3 und S2. So machts ja keinen Sinn, denn S4 ist mit S3 verbunden ! An der Spule liegen dann die 150V...
Hallo Benedikt Habe aber versucht die Spule über R6 zu betreiben. Dies Funktioniert eigentlich ziemlich gut. Zumindest öffnet sich das Ventil mal. An S2 liegt ja die Wechselspannung des Transformators an. Meinst du ich muss die Spule wirklich über S3 und S2 anhängen?? Gruss Tom
Ja ! Ich hab die Schaltung schon oft verwendet. Mess halt mal, im Leerlauf müssten 150-160V anliegen.
ok, das hab ich gemacht und muss dir wohl recht geben ;o) wie würdest du jetzt die Spule ein und ausschalten???
du darfst die spannung an R5 messen und sie zu den 80Volt an R6 addieren....also S2-S3:dann schaltet das Ventil mit mehr begeisterung. ed
wie kann man den nun die Spule ein-und ausschalten??? Relais, FET usw. ??? Bitte helft mir... ;o(
du musst den (wechsel)stromkreis schliessen wenn du dein ventil oeffnen willst. ...ueber relaiskontakt !
Hallo Ed Also meinst du die 27VAC auf der liken Seite im Schema? Das kann doch nicht funktionieren, denn die Kondensatoren brauchen eine gewisse Zeit, bis sie sich auf 150V aufgeladen haben. Sobald die Spule den Strom bekommen hat, sinkt ja glaube ich die Spannung zusammen auf die gleichgerichteten 27VAC. Darum habe ich, wenn ich die 27VAC schalte doch die ganze Zeit nur die gleichgerichtete Spannung der 27VAC zur Verfügung. Dies reicht jedoch nicht aus um die Ventile zu schalten. Oder bist du anderer Meinung?
a) die Spannung bricht nicht auf 27V zusammen b) dann schalte halt das Relais zwischen Magnetventil und Ausgang der Kaskade c) du solltest nicht mit so gefährlichen Schaltungen arbeiten, wenn du keine Ahnung von sowas hast !
@Benedikt zu a: Also, habe glaube ich zumindest schon eine Ahnung von der Sache. Bei dieser Schaltung nutzt du ja nur die Ladung in den beiden Kondensatoren. Kannst du mir sagen von wo die 150Volt kommen sollen, wenn die Kondensatoren nicht geladen sind??? zu b: Es gibt aus meinen Erfahrungen kaum Relais, die eine so hohe Gleichspannung schalten. Wechselspannung OK, aber Gleichspannung nicht. Darum wird es eher schwierig werden, die 150 DC mit einem Relais zu schalten....
ventil ist eine relativ traege sache ...kondensator laden geht schnell genug ! warum kein 24 vac ventil ?
Nach dem Einschalten sind die Elkos nach max. 0,5s auf über 100V geladen. Ich weiß ja nicht wieviel Strom das Relais braucht, aber die Schaltung kann man mit etwa 0,3A belasten, bis die Spannung auf unter 100V zusammebricht ! Normale Relais sind zwar nur für 30V spezifiziert, aber funktionieren hier problemlos, da die Leistung gering ist. Um ganz sicher zu gehen, kann man aber auch einen MOSFET oder Transistor verwenden.
weil ich leider schon dieses gekauft habe. Manchmal ist man eben erst im Nachhinein schlauer :o( Hast du eine gute Idee die Spule zu schalten??? Ich kann doch wirklich nicht die 27VAC schalten, da die Kondensatoren dabei überhaupt nicht geladen werden. Habe ich selber versucht. Die Spannung steigt nicht über die gleichgerichteten 27VAC an. Die das Magnetventil braucht nur kurzzeitig die hohe Spannung von 150VDC um sich zu öffnen. Danach reichen die gleichgerichteten 27VAC aus um diese offen zu behalten. Hast du mir eine gute Lösung?? Relais ist doch wirklich schwer zu finden bei 150VDC..
hopla Benedikt War gerade am schreiben als du dein Posting geschrieben hast. Habe es aber wirklich versucht die 27VAC zu schalten, funktionierte aber leider nicht. Diese Spannung zu schalten war auch mein erster Gedanke. Mit FET hast du mich wirklich erwischt, denn mit diesen kenne ich mich leider nicht sehr gut aus. Gäbe das eine grosse Schaltung, um dies zu bewerkstelligen? Danke für deine Unterstüzung...
Wieviel Strom zieht das Ventil ? Wenn die Spannung auf 27V zusammenbricht, dann a) ist ein Fehler in der Schaltung b) die Elkos sind kleiner als im Schaltplan c) das Relais braucht 50W und ist nebenbei noch ein Durchlauferhitzer... google mal nach IRF720, 730 oder 740 Source kommt an S2, Ventil an Drain und an S3. Parallel zum Ventil die Diode nicht vergessen, sonst lebt der MOSFET nicht lange. Legt man zwischen Gate und Source eine Spannung 5-15V an, schaltet der MOSFET durch
Also, nur das wir vom gleichen sprechen. Wenn du Relais schreibst, meinst du hoffentlich die Spule des Magnetventils, oder? Die Spule hat einen ohmschen Widerstand von 25Ohm, da kannst du dir ja vorstellen, welcher Strom da fliest. Die üblichen Relais mit 30VDC/8A versagen da wohl kläglich... Darum gefällt mir die Idee mit dem FET schon besser. Habe mal im Internet nachgeschaut und der 740 funktioniert meiner Ansicht nach gut. Meinst du der leitet auch schon bei 5VDC am Gate?? Ist bei dem wohl ein Kühlkörper notwendig??
Falls jemand ein, zwei Relais braucht, die sowas packen, da kann ich schon welche mitbringen. Allerdings sind dir refurbished, also waren schon in Betrieb und wurden ausgelötet.
Ja, ich meinte Magnetventil. Und ich denke du machst da einen Fehler, der das Ventil zerstören wird: Dieses ist bestimmt für Wechselspannung ausgelegt. Hier wird mit einem Trick gearbeitet: Am Anfang ist der Metallbolzen nicht in der Spule, die Spule hat eine geringe Induktivität und es fließt ein hoher Strom. Durch das starke Magnetfeld wird der Bolzen angezogen, das Ventil schaltet. Dadurch wird der Eisenkern geschlossen un die Induktivität der Spule steigt. Jetzt fließt ein viel geringerer Strom. Das ganze geht aber nur bei Wechselspannung. Ich habe hier einen Hubmagnet, der ändert den Strom von 12A im Leerlauf auf 0,3A mit angezogenem Bolzen. Wenn du also das Ventil mit einer hohen Gleichspannung betreibst, brennt es durch ! Daher: Elkos verkleiner um nur kurz zum Starten eine hohe Leistung zu haben. Als MOSFET musst du Logic Level MOSFETs nehmen, die schalten meist schon ab 2-3V (Gate Threshold). Kühlkörper: Unnötig.
Hallo Bendedikt Ok, ich habe eben diesen Schaltplan zum Ventil dazubekommen. Muss heute nochmals Kontakt mit diesem Betrieb aufnehmen. Aber die tönten schon ziemlich überzeugt von der ganzen DC geschichte. Also, werde mich später wieder melden... Gruss Mike
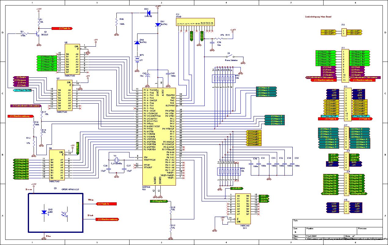
Guten abend allerseits Ich habe mein Problem gelöst!!!!!!!!!!!!!! Ihr glaub gar nicht, an was dieses Problem gelegen hat. Also, last es mich erklären: Das Problem war ja, dass das Relais zulange angezogen hat. Den zu langen high Impuls war schon am Prozessor vorhanden. Darum hatte ich mir überlegt, dass der Fehler ja eigentlich gar nicht an der Relaisschaltung liegen soll, denn diese wird ja schon falsch angesteuert. Ich macht mich nun an den Prozessor und habe mal die Speisespannung mit einem super Speicheroszi von Le Croy unter die Lupe genommen. Dabei habe ich bemerkt, dass sich die Speisespannung an Pin 64 leicht verändert hat, wenn das Relais geschalten wurde. Nach weiteren Stunden konnte ich eine Einkopplung auf die Speiseleitung ausschliessen. Als Hauptproblem stellte sich die Diode D21 heraus. Wenn der Prozessor noch mit der internen Init der Ports beschäftigt war, brauchte er wenig Strom. Sobald er aber den Strom erhöhte durch das Schalten des Ausgangports P2.7, änderte sich natürlich der Spannungsabfall über dieser Diode (aus Kennlinie der Dioden bekannt). Dieser kleine Spannungsabfall, machte dem Prozessor irgendwie Mühe und er machte eine Verzögerung im Programm. Dadurch war der Ausgang länger high als nötig. Ich habe die Diode mal vorläufig überbrückt--> und siehe da, es funktioniert einwandfrei..... Die Schaltzeit stimmte sehr genau Wer hätte das gedacht... Nun habe ich aber ein Problem, dass ich meine Batterieunterstützung nicht weglassen will. Diese sollte bei Stromausfall den Speicher erhalten. Mir ist klar, dass ich auch das Infoflash dafür verwenden hätte können. Die Diode D21 ist dazu da, dass der LM317, welcher die 3,6V für den Prozessor macht, nicht am Ausgang noch 3,6V (von der Batterie) hat und am Eingang 0V (Netzteil ist ja ausgesteckt). Aber mein Problem liegt ja genau an dieser Diode. Kennst jemand einen Spannungsregler (fest oder einstellbar), welchem egal ist, ob er am Ausgang Spannung hat und am Eingang nicht, so dass ich die Diode weglassen kann. Oder gibt es sonst eine abhilfe??? Gruss tom
Na da hat ja Murphys Gesetz wieder voll gestimmt. Der Fehler lag also an einem Detail, welches Du nicht in Verdacht hattest und deshalb verschwiegen hast. Völlig klar daß Dir dann keiner helfen kann. Es ist eben doch besser immer den kompletten Schaltplan zu posten, wenn man nicht weiß woran es liegt. Ich benutze auch Protel, man kann nicht vernünftig einen Schaltplan exportieren. Ich habe deshalb einen Postscript-Drucker in eine Datei installiert und anschließend wandele ich die Datei mit Ghostview in ein PDF um, dann kann man es klar und deutlich sehen. Nach der Installation von Ghostview gibt es eine Datei PS2PDF.BAT, die man eventuell noch anpassen muß. Peter
Bitte melde dich an um einen Beitrag zu schreiben. Anmeldung ist kostenlos und dauert nur eine Minute.
Bestehender Account
Schon ein Account bei Google/GoogleMail? Keine Anmeldung erforderlich!
Mit Google-Account einloggen
Mit Google-Account einloggen
Noch kein Account? Hier anmelden.

