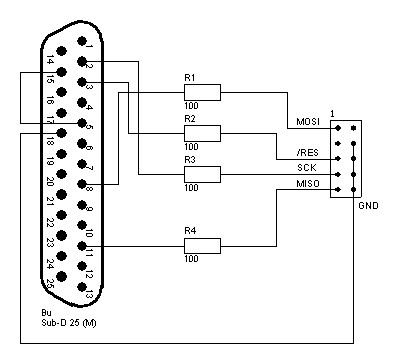
Moin Ich habe dieses Schaltbild eines ISP Interface gefunden. Ist es denn nicht gefährlich, PC und AVR nur mittels Widerständen miteinander zu verbinden? Gruß Alexis
Doch haste schon recht ziemlich gefährlch, da KEIN SCHUTZ zwischen PC und deinem uC besteht! Diese Methode solltest du nicht dauerhaft anwenden, guck mal in onlineshops, es gibt genug USB ISP Programmer ;)
gibt sicherlich schöneres, aber für den ersten Programmiervorgang (um zb die Firmware in einen usb-Proggger zu schreiben), reichts.
jo irgendwann muss man ja anfangen, aber dann bitte die schaltung GANZ SORGFÄLTG ÜBERPRÜFEN bevor du da was machst ;)
Ich hatte mir vor einiger Zeit mal den nachgebaut (frei fliegend verdrahtet und mit Heißkleber vergossen): http://rumil.de/hardware/avrisp.html#avrprog10 Der Materialaufwand ist vernachlässigbar... Ich habe zum Probieren einfach Flachbandkabel genommen, und zwar mehr als ein Meter vom Parallelport am PC bis zur Schaltung und dann nochmal 40 cm bis zum AVR. Die 5V hole ich vom AVR-Board. Das funktioniert vollkommen problemlos und hat nie gezickt (meistens avrdude -c stk200... unter Linux). (Eigentlich nur mal schnell zusammengebastelt zum ersten Probieren, aber das ist eines der berühmten Provisorien, die nicht kaputt zu kriegen sind.)
Bitte melde dich an um einen Beitrag zu schreiben. Anmeldung ist kostenlos und dauert nur eine Minute.
Bestehender Account
Schon ein Account bei Google/GoogleMail? Keine Anmeldung erforderlich!
Mit Google-Account einloggen
Mit Google-Account einloggen
Noch kein Account? Hier anmelden.
