Hallo, ich bin auf der Suche nach einer einfachen Schaltung für einen spannungsgesteuerten Bandpass für den Audiobereich. Was ich bisher gefunden habe ist diese Schaltung von PAIA: http://www.effectsdatabase.com/model/paia/2720/3b Habe das ganze mal in PSPICE simuliert, leider sieht das ganze überhaupt nicht nach Bandpass aus, ich vermute, dass man die Dimensionierung auf die Transistoren anpassen müsste, im Schaltplan ist ja nicht angegeben welche verwendet werden. Vielleicht habe ich mich auch irgendwie vertan.. Im Anhang mal die PSPICE-Dateien, kann sich das jemand anschauen? Ansonnsten: Kennt jemand vielleicht eine andere Schaltung? Sollte ein Bandpass 2. Ordnung sein. Danke
Die Schaltung ist schon irgendwie so etwas wie ein variabler bandpass. Die Eingangsspannung unten muß nur relativ klein sein. Die Signalamplitude sollte auch eher klein sein, aber da sollte bei der Simulation ja ohnehin der Fall sein. Eine Lösung mit ICs gibts z.B. im Datenblatt vom LM13700 oder den Appl. Notes dazu.
Vielleicht ist ein Switched Capacitor Filter was für dich. http://www.maxim-ic.com/quick_view2.cfm/qv_pk/1186 Wenn du denn Oszillator spannungsgesteuert ausführst hast du dein Spannungsgesteuertes Bandpassfilter. Gruss Helmi
Die ersten Schaltungen für spannungsgesteuerte Bandpässe stammen vermutlich vom Synthesizer-Erfinder Moog http://www.moogarchives.com/aes01.htm Blockschaltplan (das "VCO" muß "VCA" heißen) hier http://www.moogarchives.com/aes05.htm
Hallo, habe die Simulation jetzt auch noch mit verschiedenen Signalamplituden und Kontrollspannungen ausprobiert, leider das gleiche Ergebnis, die Resonanzfrequenz ist immer bei etwa 1MHz, Bild Zeigt die Kontrollspannung zwischen 0 und 5V @Ulrich, vielen Dank, die Idee mit den OTAs, vielleicht ist das für mich eine Möglichkeit.. @ Helmut Lenzen: Switched Capacitor kommt für mich eigendlich niceht in Frage, ich wolte bewusst analoge Filter bauen und SC-Filter erzeugen leider auch Aliasing.Das wäre irgendwie..naja Stilbruch :-) @ Christoph Kessler: bekomme leider immer die Meldung "You are not authorized to view this page" wenn ich auf http://www.moogarchives.com/ gehe...
@Ben: Lesen sollte man können: Beim PAIA wird lediglich die Güte [Q] mit einer Spannung variert, nicht die Mittenfrequenz!
@Peter ja richtig. Bei Q-Control handelt sich es um einen Potentiometer mit dem man die Güte einstellen kann (sieht man auch im Schaltplan) Ausserdem gibt es drei Eingänge, für eine Spannungsgesteuerte Mittenfrequenz: "control the center frequency of the filter" Puh...zum Glück kann ich lesen
Hallo die Schaltung ist ein Doppel-T-Filter. Wenn du die Diode als variablen Widerstand verwenden willst mußt du sie im Bereich des Kennlinienknicks betreiben. Das AC-Signal darf dann auch nur im mV-Bereich liegen.
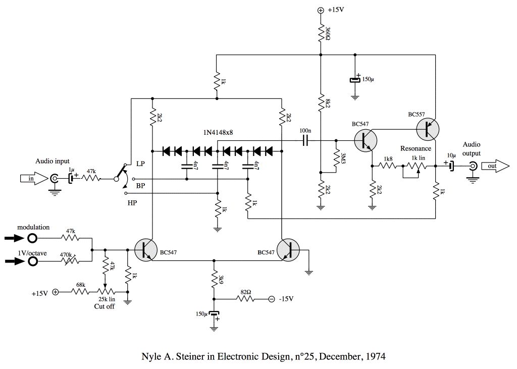
Hallo Ben, einen spannungsgesteuerten Filter für den Audiobereich, das u.a. auch als Bandpass funktioniert, ist der Steiner-Parker VCF. Gruß Thomas
zum Glück habe ich die oben aufgeführten Beiträge gelesen, sonst hätte ich warscheinlich die Diode als Variocap-Diode (für MW-Bereich), gedeutet.
Hallo Ben, Deine Schaltung http://www.effectsdatabase.com/model/paia/2720/3b baut vermutlich auf die Spannungsabhängigkeit von Kondensatoren auf. Ich habe vor kurzem in einen Thread gelesen, da ging es um keramische Kondensatoren (Kercos) für Schaltnetzgeräte, dass bei Nennspannung die Kapazität deutlich abnimmt. Im Schaltnetzgerät sicher unerwünscht, im Bandpass genau der richtige Effekt. Die Steuerspannung muss dabei aber deutlich höher als das Signal sein. Ansonsten bringt dies Verzerrungen. Ich würde sagen, heute sollte man Swiched Capacitor wählen. Gruss Klaus.
> baut vermutlich auf die Spannungsabhängigkeit von Kondensatoren auf.
man, mann, man...
Hallo VCF,
> baut vermutlich auf die Spannungsabhängigkeit von Kondensatoren auf.
Du hast recht, es müsste heissen,
"baut vermutlich auf die Spannungsabhängigkeit der Kapazität von
Kondensatoren auf."
Gruss Klaus.
Hallo Ben, >wie Karadur bereits sagte, wird die Diode hier als variabler Widerstand >in einem Doppel-T-Filter verwendet. Mit der Steuerspannung wird sie in >einem bestimmten Bereich vorgespannt. Mit TINA erhalte ich die folgenden Frequenzgänge. Zunächst für 0V Steuerspasnnung im Anhang... Kai Klaas
Bitte melde dich an um einen Beitrag zu schreiben. Anmeldung ist kostenlos und dauert nur eine Minute.
Bestehender Account
Schon ein Account bei Google/GoogleMail? Keine Anmeldung erforderlich!
Mit Google-Account einloggen
Mit Google-Account einloggen
Noch kein Account? Hier anmelden.



