Nochmal was zum Schalten
Hallo Günter Könntest du deine Schaltungen auch als .jpg posten Ich arbeite schon lange nicht mehr mit Eagle. Derzeit arbeite ich mit Protel. Allein das Bauteil generieren in Protel ist gegenüber von Eagle ein Traum. mit jpeg kann jeder was anfangen..... man muß es halt nachtzeichnen.
Hallo Meiserl, würde ich gerne machen, nur fehlt mir das Werkzeug dazu...... Möglicherweise hast du ja einen Tip. Ich grüße dich, Günter
File -> Export -> Image -> Clipboard. Am besten monochrom, mir jedenfalls gefällt das so besser da die Eagle-Farben etwas blass sind. Das dann einfach in ein Grafikprogramm (z.B. Paint) einfügen und am besten als PNG- oder GIF-Datei abspeichern. JPEG ist als Dateiformat für Zeichnungen wie Schaltpläne weniger gut geeignet. Gruß Andreas
Dank dir Andreas, klappt gut. Wieder sind wir etwas schlauer. Nun denn...... Schönen Sonntag noch, Günter
kann man auch mit Hilfe von Ghostscript und Redmon als PDF drucken. Beispiel im Anhang, gut weil Vectorgrafik. Anleitung gibt es zB hier: http://www.planet-interkom.de/home/s.solly/ Spezial/Inst_PDF_GS.pdf
Bei Eagle hat das bis jetzt bei mir nicht funktioniert, statt der Schrift habe ich immer nur graue Klötzchen erhalten. Ich werde es mal mit dieser Anleitung probieren, danke für den Link! Gruß Andreas
must Options -> Userinterface -> always vector Fonts benutzen, dann sollte es klappen.
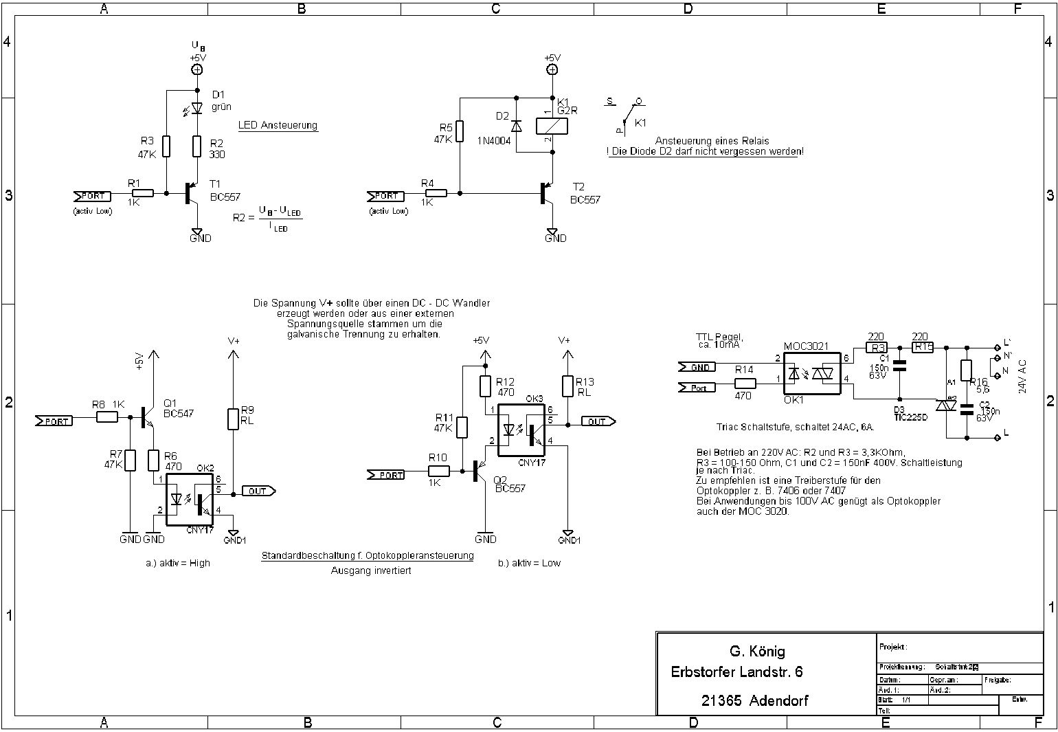
Hallo Günther, funktionieren die unteren drei Varianten wie ein normales Relais (Steuersignal high -> Schaltsignal high, Steuersignal low -> Schaltsignal low) oder eher wie eine Art Stromstossschalter (1. Impuls -> Schaltsignal high, 2. Impuls Schlatsignal low)? Vielen Dank und toll, dass du solche "Rezepte" ins Netz gestellt hast, Thomas H.
Hi Thomas, es sind normale Relaischaltstufen. Bei der Variante a. wird ein H-Signal am Eingang benötigt um das Relais zum Anziehen zu bringen, bei der Version b. ein L-Signal. Die TRIAC Schaltstufe reagiert auf ein H-Signal, der TRIAC schaltet durch. Gruß, Günter
Hallo Günther, was mir gerade noch eingefallen ist: bei der rechten unteren Variante funktioniert das wie ein Relais nur bei einer angelegten Wechselschaltspannung (da ja sonst bei einer Gleichspannung das Triac nicht zurueckgesetzt werden kann- oder)!? D. h. bei einer DC-Schaltspannung ist es wie ein Stromstoßschalter? Viele Gruesse, Thomas H.
Hallo Thomas, es ist kein Stromstosschalter sonder eine ganze normale Schaltstufe nur eben mit einem TRIAC. Der Optokoppler dient zur galvanischen Trennung vom Netzstromkreis. Funktion: Die im Optokoppler vorhande Diode wird vom µC angesteuert. Dadurch schaltet der TRIAC im Koppler durch und steuert nun den Leistungstriac an. Der Leistungstriac wird leitend. Dieser Zustand hält so lange an, bis die Steuerspannung vom µC abgeschaltet wird. Durchläuft die an den TRIAC`s anliegende Wechselspannung nun ihren Nullpunkt werden die Halteströme der TRIAC`s unterschritten und beide schalten ab. Werden die TRIAC`s mit Gleichspannung betrieben, kann ich sie nur einschalten. Mehr geht normalerweise nicht. Ausschalten oder löschen kann ich TRIAC`s nur a.) durch überbrücken der Anschlüsse A1 u. A2, der Haltestrom wird dadurch unterschritten. Oder b.) durch Anlegen einer negativen Hilfsspannung an das Gate. Hier muss aber ein erheblicher Strom fliessen (>= 1/3 des Laststroms). Es gibt spezielle TRIAC`s die mit weniger Strom auskommen, aber wirtschaftlich sind diese Teile nicht. Auf keinen Fall kann mit der Schaltung ein Stromstossrelais realisiert werden. Gruß, Günter
Bitte melde dich an um einen Beitrag zu schreiben. Anmeldung ist kostenlos und dauert nur eine Minute.
Bestehender Account
Schon ein Account bei Google/GoogleMail? Keine Anmeldung erforderlich!
Mit Google-Account einloggen
Mit Google-Account einloggen
Noch kein Account? Hier anmelden.
