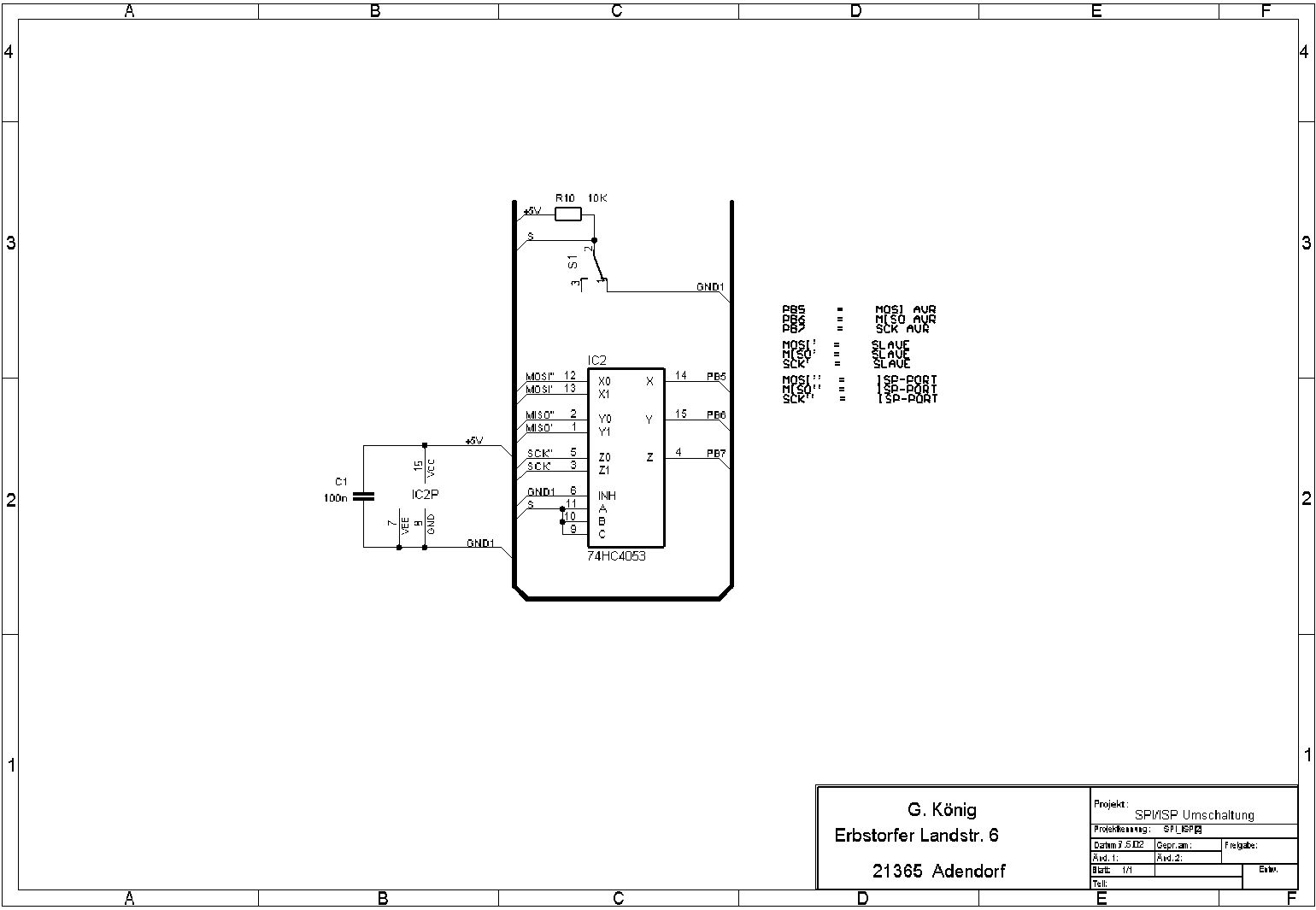
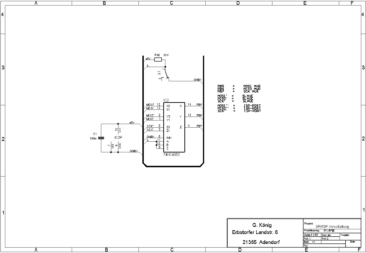
Hallo, da man ja aus Schaden klug wird (Beitrag "das Sterben eines AVR`s" im Allg. Forum) hier eine Portumschaltung bei doppelbelegung des SPI Ports. Mit dem Schalter wird der 74HC4053 zwischen den Betriebsarten "Normal" und "Programmieren" umgeschaltet. So denn, Günter
Hi Andreas, Hallo Mitleser, mittlerweile habe ich die Schaltung noch mal geändert. Die Leitung "S", die ursprünglich zum Schalter führte, wird direkt mit dem Reset-Pin des AVR`s verbunden. Der Schalter und der dazugehörige Pull-Up Widerstand entfällt ersatzlos. Vorteil: Da beim Programmieren der Reset Pin ja sowieso auf Masse gezogen wird kann der 74HC4053 auch damit geschaltet werden. Nach dem Programmieren ist der Reset Anschluß wieder High und der Programmierport daher abgeschaltet. Der SPI Port ist wieder frei. Gruß, Günter
SPI_ISP.gif : Wieso ist das Ding nur S/W? Und einige Konturen fehlen, wie z.B. die Umrandung von IC2P.
Wieso fehlen Konturen??? IC2P sind die Power-Pins vom 4053 (IC2)!!! Wenn du es farbig haben willst, schau dir die .SCH Datei an. Gruß, Günter
Bitte melde dich an um einen Beitrag zu schreiben. Anmeldung ist kostenlos und dauert nur eine Minute.
Bestehender Account
Schon ein Account bei Google/GoogleMail? Keine Anmeldung erforderlich!
Mit Google-Account einloggen
Mit Google-Account einloggen
Noch kein Account? Hier anmelden.
