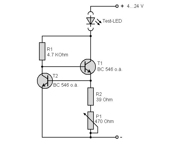
Hallo, ich habe auf einem Steckbrett einen LED-Tester aufgebaut, bei dem jede Test-LED eine eigene Konstantstromquelle hat (siehe Anhang). Meine Frage ist, wie kann ich das ganze so mit einem Wahlschalter (oder Jumper)verbinden, das ich die Testströme für alle einstellen kann ? Ich wollte nicht für jede Test-Led einen Schalter verballern.... Danke!!!
Du kannst einen LM3914 nehmen und diesen via Helligkeitspin über ein Poti oder eine Widerstandskaskade mit Jumpern oder Schaltern einstellen. Alle Ausgänge liefern im Punktbetrieb annähernd den gleichen Strom.
Bitte melde dich an um einen Beitrag zu schreiben. Anmeldung ist kostenlos und dauert nur eine Minute.
Bestehender Account
Schon ein Account bei Google/GoogleMail? Keine Anmeldung erforderlich!
Mit Google-Account einloggen
Mit Google-Account einloggen
Noch kein Account? Hier anmelden.
