Hi, ich habe meinen ersten selbst erstellten Schaltplan nun fertig (denke ich). Und wollte mal ein paar meinungen dazu hören. Anbei an diesem Posting ist Teil 1. Bei den LEDs handelt es sich um blaue LEDs mit 3,2V Durchlassspannung, und einem Maximalen Pulsstrom von 100 mA bei 1kHz mit 10% Duty-Cycle. Als Spannungversorgung hatte ich ein 5V Schaltnetzteil vorgesehen, das mir mind. 2,5A liefern kann. Kann ich mich auf die Spannung aus diesen Teilen verlassen, oder sollte man sich doch selbst eine Festspannungsquelle auf der Platine vorsehen? Danke schon mal. Grüße aus München ice
C4,C5 sollten max 20pF sein. Nicht 20nF. C6 wäre vielleicht besser 100nF
Also dann musst du erstmal den Gesamtstrom ausrechnen um überhaupt zu wissen wie viel Ampere du brachst. Ich gehe mal davon aus das der maximale Strom der gesamten LED Matrix erreicht ist wenn alle vier Segmente eine 8 Anzeigen, das währen dann 20 pro Segment mal 4 also 80. Wenn du mal ein komponententest machst oder falsch programmierst, sind dann natürlich alle LED's an und deine Schaltung raucht dann evtl. ab. Ich glaube die Durchlassspannung von Transistoren liegt bei 0,2V - 0,3V. Also nehmen wir mal 0,25V als Uce an. Ur = Ug - Uled - 2 x Uce Ur = 5V - 3.2V - 2 x 0,25V Ur = 1,3V Ir = Ur/R Ir = 1,3V / 20 Ohm = 65mA (eine LED) Imax = Ir * 80 = 5,2A (Natürlich ohne MCU und dergleichen) Korrigiert mich wenn ich mich irre. Tja das dürfte dein Netzteil schon etwas überfordern. Da du ja im Pulsbetrieb arbeitest, müsstest du bei 1khz bei 10% Duty-Cycle 100uSekunden mit einem dicken Kondensator puffern. Natürlich muss du dass dann auch berechnen sonst wird deine Anzeige sehr dunkel sein. Micha
Hi, danke für die schnellen Antworten! also das bei C4 und C5 hatte ich pF gemeint. C6 habe ich ausgebessert. ich dachte daran die Matrizen Zeilen nacheinander anzusteuern, so das ich doch max. 20 LEDs gleichzeitig am leuchten habe. Oder ? Die 1kHz für die Zeilen sollte ich mit nem Atmega16(hatte ich vergessen zu benennen) doch hinbekommen, oder?
Achso, das hört sich naürlich schon besser an. Dann dürfte auch das Netzteil locker reichen. Hatte angenommen du willst alle auf einmal per PWM ansteuern. >iceboy >Die 1kHz für die Zeilen sollte ich mit nem Atmega16(hatte ich vergessen >zu benennen) doch hinbekommen, oder? Na klar das schafft der locker.
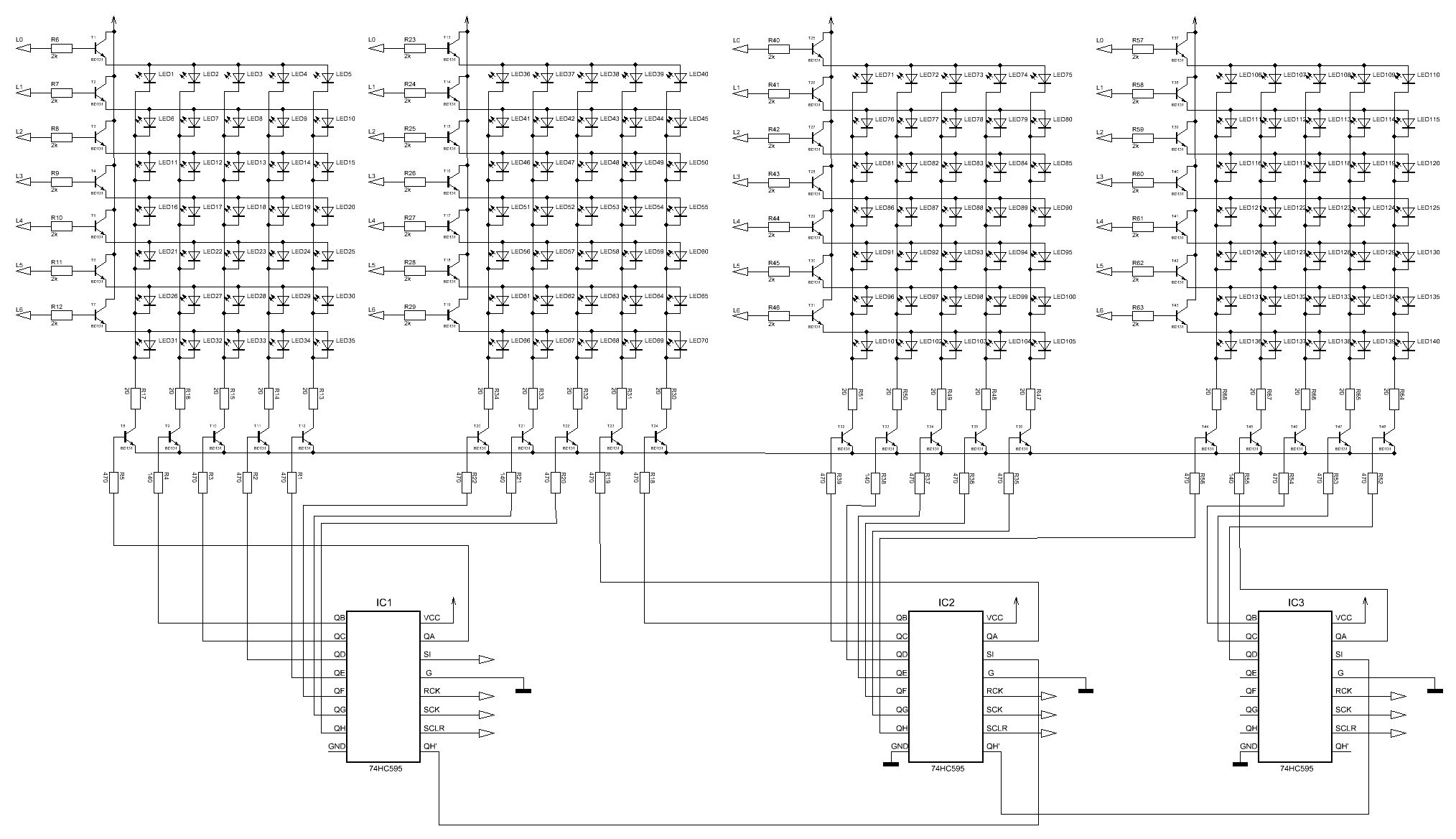
In Teil 1 fehlt an IC1 GND Die Leitungen SI,RCK,SCK, SCLR, QH, versieht man gewöhnlich mit Labels die man dann auch im Teil 2 wieder findet, so wie oben L0-L6. Die Basiswiderstände sind zu klein und würden die IC`s nur belasten. 4,7-10kOhm würden wahrscheinlich auch gehen. An den Emittern der unteren Transistoren fehlt Potential, wahrscheinlich GND. Die LED-Widerstände scheinen mir auch ein wenig gering aber wenn nur 5Volt bei 3,2Volt Durchlassspannung stimmig sind, könnte es gehen. Die Grenzen aus dem Datenblatt der LED`s würde ich aber nicht ausreizen. Produktionsbedingt kann es Exemplarstreuungen geben und dann hält so ein Bauteil nicht lange. In Teil 2 fehlen viele Knotenpunkte und was das für ein Chip ist. Ist das alles auf einer Platine oder getrennt? Gegebenenfalls sollte man und für den Programmieradapter und die Versorgung sowieso, Steckverbinder vorsehen. Andere Fehler wurden ja schon benannt. Irrtum vorbehalten. Gruß Schwups.
Hallo nochmal, also die Widerstände habe ich angepasst, die Leitungen SI, SCK und so werde ich mir labels versehen. Könnte ich die BD131 für die Spalten vielleicht auch gegen so ein ULN2803 tauschen, da die BD131 doch recht groß sind. Danke
>Könnte ich die BD131 für die Spalten vielleicht auch gegen so ein >ULN2803 tauschen, da die BD131 doch recht groß sind. Theoretisch schon, aber die Gesamtverlustleistung darf nicht überschritten werden, also der Chip darf nicht zu heiß werden. Das sollte man an Hand eines Laboraufbaus klären. @Micha schrieb >Wenn du mal ein komponententest machst oder falsch programmierst, sind >dann natürlich alle LED's an und deine Schaltung raucht dann evtl. ab. Günstiger wäre es wenn man eine Konstantstromquelle pro Zeile oder Spalte installiert damit das eben nicht passiert. Ansonsten wäre dann die Schaltung so riskant wie eine Weihnachtsbaumbeleuchtung.
man leute, da labert ihr an flüchtigkeitsfehlern rum, aber eins wurde nicht gesagt: die zeilentransistoren sind FALSCH! das müssen pnp typen sein...
> die zeilentransistoren sind FALSCH! das müssen pnp typen sein...
Jo, und die Spaltentransistoren bräuchten auch mal Masse.
Bitte melde dich an um einen Beitrag zu schreiben. Anmeldung ist kostenlos und dauert nur eine Minute.
Bestehender Account
Schon ein Account bei Google/GoogleMail? Keine Anmeldung erforderlich!
Mit Google-Account einloggen
Mit Google-Account einloggen
Noch kein Account? Hier anmelden.

