Hallo, ich habe ein Problem. Ich muss mit 5V 12V schalten, (ja ich weiss Highside Switch und so weiter, habe keine Mosfets), allerdings habe ich bei der beschriebenen Schaltung das Problem, dass ich nicht über 11V am Ausgang hinauskomme, obwohl ich 12 brauche. Die Spannungsversorgung muss durch einen Controller schaltbar sein, und es werden auch nur weniger als 1 mA gebraucht (weiss leider nicht genau wieviel, da es sich um eine Programmierspannung handelt und im Datenblatt nichts steht.) Ich habe hier viele alte ICs, allerdings kenne ich mich nicht so sehr aus als dass ich einen rausgreifen könnte (30 modelle aus der 74 HC Reihe etc.). Vlt kann mich jemand auf meinen Fehler bei der Dimensionierung aufmerksam machen. Die Transistoren sind BC 337. Gruss und Danke Artur
Hi, du musst die Last gegen die 12V schalten. Und wahrscheinlich reicht dann auch ein Transistor. Gruß
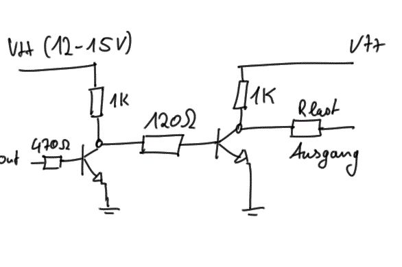
Je nach Last kann der 1k am T2 schon ziemlich viel Spannungsabfall haben! Eine komplementäre Schaltung mit pnp-Transistor wäre evtl. auch eine Idee?
@Kurt Ich weiss nicht genau was du meinst. Mein Fall: Ich habe einen Chip, der 5V braucht, man aber, um in den Programmiermodus zu kommen, an einen Pin 12V anlegen muss. Dies wird durch einen Pin des Parallelports gesteuert. @smed_de werde mir das mal anschauen, danke.
> Ich weiss nicht genau was du meinst. Diese Schaltung http://www.sprut.de/electronic/pic/grund/o4.gif aus obiger Quelle.
Hallo, ich habe grade das: http://www.sprut.de/electronic/pic/grund/o4.gif nachgebaut, allerdings mit bc547 und 557, und die Maxspannung stimmt, jedoch geht er nicht runter richtung 0V, sondern bleibt bei 3.8V. Als Scheinlast habe ich einmal 120 Ohm und einmal 47K genommen, selbes Ergebnis. Ich kriege langsam die Pimpanellen... wir habe hier sehr viele Logikteile, allerdings habe ich keine Fets oder ähnliches gefunden. Gruss und danke schonmal Atrur
Hallo Artur, >jedoch geht er nicht runter richtung 0V, sondern bleibt bei 3.8V. Schalt mal einen 10k Widerstand vom Kollektor des BC557 mach Masse. Soll der Pin überhaupt auf 0V heruntergehen, oder vielleicht auf 5V? Kai Klaas
> jedoch geht er nicht runter richtung 0V, sondern bleibt bei 3.8V
Das ist gut moeglich, da du beim Sperren des PNP-Tranistors
wahrscheinlich kein Massepotential hast. Verbinde den Kollektor des
PNP-Transistors ueber einen Widerstand (10k) mit Masse.
Falls die du dann immer nicht bei 0V sein solltest, wuerde ich die
Ansteuerung von hinten (Last) nach vorn (PIC) durchmessen.
Hallo, danke für die Tipps, es lag an unterschiedlicher Beschaltung im Datenblatt und der Realität. Gruss
Bitte melde dich an um einen Beitrag zu schreiben. Anmeldung ist kostenlos und dauert nur eine Minute.
Bestehender Account
Schon ein Account bei Google/GoogleMail? Keine Anmeldung erforderlich!
Mit Google-Account einloggen
Mit Google-Account einloggen
Noch kein Account? Hier anmelden.
